Witam,
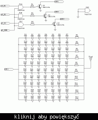
Chcę podłączyć pod ATmega8 3x70 diod led (trzy segmenty po 70 diod - równolegle).
Układ zasilam 5V i moje pytanie jest takie: "jak powinien wyglądać schemat ideowy tego podłączenia"
Zadanie:
- 3 x PIN uC steruje zapaleniem diod LED od 1 do 3 segmentów
- 1 x PWM z uC steruję jasnością świecenia wszystkich diod LED
Jakie zbudować schemat i jakie najlepsze tranzystory do tego użyć?
Wiem że potrzebuje trzy tranzystory do trzech segmentów LED'ów
i jeden tranzystor wspólny do podania napięcia (gdzie napięcie będzie dodatkowo sterowane przez PWM uC)
Może mi ktoś podesłać schemacik ideowy tego co opisuje... oczywiście wystarczy tylko jednia dioda na schemacie (reszstę podłącze równolegle
)
Chcę podłączyć pod ATmega8 3x70 diod led (trzy segmenty po 70 diod - równolegle).
Układ zasilam 5V i moje pytanie jest takie: "jak powinien wyglądać schemat ideowy tego podłączenia"
Zadanie:
- 3 x PIN uC steruje zapaleniem diod LED od 1 do 3 segmentów
- 1 x PWM z uC steruję jasnością świecenia wszystkich diod LED
Jakie zbudować schemat i jakie najlepsze tranzystory do tego użyć?
Wiem że potrzebuje trzy tranzystory do trzech segmentów LED'ów
i jeden tranzystor wspólny do podania napięcia (gdzie napięcie będzie dodatkowo sterowane przez PWM uC)
Może mi ktoś podesłać schemacik ideowy tego co opisuje... oczywiście wystarczy tylko jednia dioda na schemacie (reszstę podłącze równolegle
