Witam forumowiczów
Na forum jestem pierwszy raz, więc jeżeli piszę nie w tym dziale to przepraszam. Ponieważ nie jestem elektrykiem, nie bardzo wiem jak się do tego tematu zabrać. Czytałem już troszkę i tu na forum też odnośnie podłączania przewodów i żyrandoli, ale wolę mieć 100% pewności, bo jak wiadomo z prądem nie ma żartów. Wytłumaczę na "chłopski" rozum o co mi chodzi i takiej "chłopskiej" odpowiedzi też oczekiwałbym
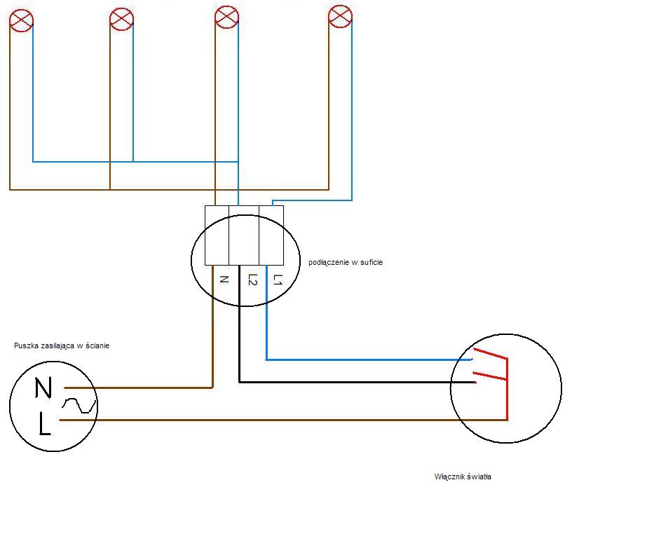
Kupiłem sobie wczoraj nowy żyrandol na 4 żaróweczki. Z sufitu wystaje 3 przewody (niebieski-czarny-brązowy), w których jak mniemam płynie prąd. Żadnych profesjonalnych mierników nie posiadam, sprawdziłem to zwykłym mierniczkiem-wkrętakiem, w którym po dotknięciu przewodu zapaliła się dioda. Natomiast na samym żyrandolu jest kostka na której są oznaczenia N, L i symbol uziemienia (masy).
Przejdźmy teraz do włącznika światła. Z puszki oczywiście wystają 3 przewody (niebieski-czarny-brązowy), ale kiedy je dotykam moim "mierniczkiem" dioda zapala się tylko przy dotknięciu przewodu niebieskiego i czarnego. Na włączniku światła są oznaczenia: L, łącznik grupowy(szeregowy) i przy trzecim nie ma żadnego oznaczenia (może powinien być N albo masa?).
Z mojej obserwacji wynika tak:
-kiedy podłączę żarówkę z dwoma przewodami do sufitu a do tego podepnę do kostki przewód czarny i brązowy, a na ścianie zewrę ze sobą też przewód czarny i brązowy żarówka świeci; kiedy zewrę na ścianie przewody niebieski i brązowy nie świeci, nie świeci też kiedy zewrę niebieski i czarny;
-kiedy do kostki pod sufitem podłączę przewód niebieski i brązowy a na ścianie zewrę też niebieski i brązowy, żarówka świeci;
-natomiast kiedy pod sufitem do kostki podłączę przewody niebieski i czarny nie dzieje się nic kiedy dotykam przewody w różnej kombinacji na ścianie;
Moje pytania są takie:
1.Jak podłączyć prawidłowo wszystkie przewody w żyrandolu i do włącznika światła przy układzie 3+1?
2.Czy przewód brązowy to jest właśnie przewód "0", który trzeba podłączyć do symbolu "masy" na żyrandolu, natomiast na włączniku światła właśnie tam gdzie nie ma oznaczenia?
3.Czy może jednego przewodu nie należy podłączać do kostki w żyrandolu, bo płynie w nim prąd, żeby się coś nie spaliło po podpięciu pod symbol "masy"?
Pytania i moje tłumaczenie może jest śmieszne, ale tak jak mówiłem, elektrykiem nie jestem. Z góry bardzo dziękuję za pomoc i pozdrawiam.
Na forum jestem pierwszy raz, więc jeżeli piszę nie w tym dziale to przepraszam. Ponieważ nie jestem elektrykiem, nie bardzo wiem jak się do tego tematu zabrać. Czytałem już troszkę i tu na forum też odnośnie podłączania przewodów i żyrandoli, ale wolę mieć 100% pewności, bo jak wiadomo z prądem nie ma żartów. Wytłumaczę na "chłopski" rozum o co mi chodzi i takiej "chłopskiej" odpowiedzi też oczekiwałbym
Kupiłem sobie wczoraj nowy żyrandol na 4 żaróweczki. Z sufitu wystaje 3 przewody (niebieski-czarny-brązowy), w których jak mniemam płynie prąd. Żadnych profesjonalnych mierników nie posiadam, sprawdziłem to zwykłym mierniczkiem-wkrętakiem, w którym po dotknięciu przewodu zapaliła się dioda. Natomiast na samym żyrandolu jest kostka na której są oznaczenia N, L i symbol uziemienia (masy).
Przejdźmy teraz do włącznika światła. Z puszki oczywiście wystają 3 przewody (niebieski-czarny-brązowy), ale kiedy je dotykam moim "mierniczkiem" dioda zapala się tylko przy dotknięciu przewodu niebieskiego i czarnego. Na włączniku światła są oznaczenia: L, łącznik grupowy(szeregowy) i przy trzecim nie ma żadnego oznaczenia (może powinien być N albo masa?).
Z mojej obserwacji wynika tak:
-kiedy podłączę żarówkę z dwoma przewodami do sufitu a do tego podepnę do kostki przewód czarny i brązowy, a na ścianie zewrę ze sobą też przewód czarny i brązowy żarówka świeci; kiedy zewrę na ścianie przewody niebieski i brązowy nie świeci, nie świeci też kiedy zewrę niebieski i czarny;
-kiedy do kostki pod sufitem podłączę przewód niebieski i brązowy a na ścianie zewrę też niebieski i brązowy, żarówka świeci;
-natomiast kiedy pod sufitem do kostki podłączę przewody niebieski i czarny nie dzieje się nic kiedy dotykam przewody w różnej kombinacji na ścianie;
Moje pytania są takie:
1.Jak podłączyć prawidłowo wszystkie przewody w żyrandolu i do włącznika światła przy układzie 3+1?
2.Czy przewód brązowy to jest właśnie przewód "0", który trzeba podłączyć do symbolu "masy" na żyrandolu, natomiast na włączniku światła właśnie tam gdzie nie ma oznaczenia?
3.Czy może jednego przewodu nie należy podłączać do kostki w żyrandolu, bo płynie w nim prąd, żeby się coś nie spaliło po podpięciu pod symbol "masy"?
Pytania i moje tłumaczenie może jest śmieszne, ale tak jak mówiłem, elektrykiem nie jestem. Z góry bardzo dziękuję za pomoc i pozdrawiam.

uziemienie .