Chciałbym dołączyć zewnętrzny RAM do mikrokontrolera ATmega64L (pracuje na 3.3V z kwarcem 8MHz) i tu mam dwa pytania:
1. Jaki wybrać?
-CS18LV02565AC-55 (256kb) pamięć statyczna 5V 32K x 8bit firmy Chiplus Datasheet
-BS62LV1027PIP55 (1mb) firmy BSI
Datasheet
-inny?
2. Jak podłączyć?
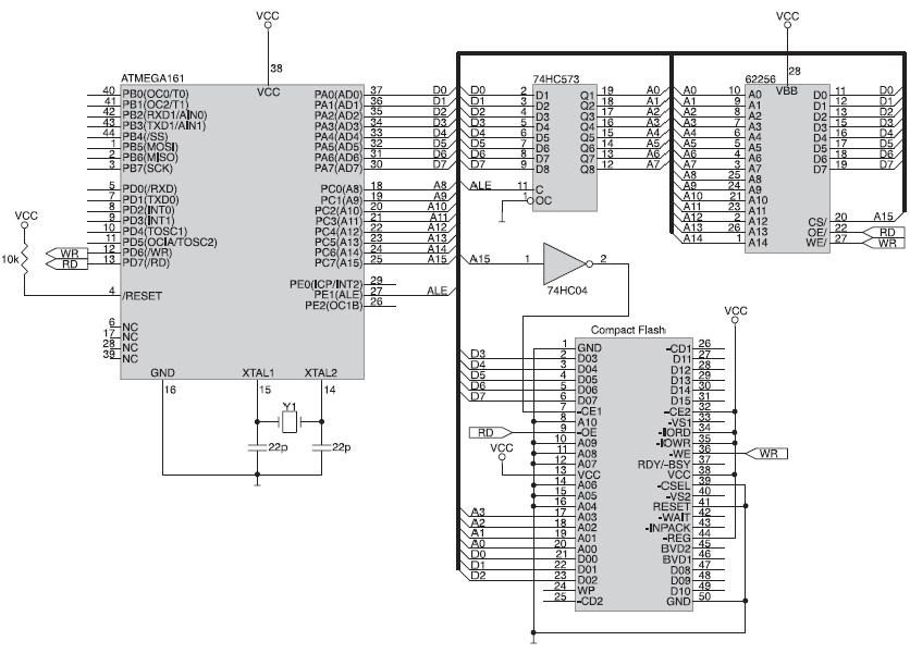
W karcie katalogowej jest taki schemat jak podłączyć zewnętrzną pamięć operacyjną:
jak przeczytałem w innym temacie, układ zaznaczony na czerwono to 8 przerzutników, tylko jakie to mają być przerzutniki? (chodzi mi o konkretne przykłady układów przypominam, że całość pracuje na 3.3V)
-----
Pozdrawiam niebieski326
1. Jaki wybrać?
-CS18LV02565AC-55 (256kb) pamięć statyczna 5V 32K x 8bit firmy Chiplus Datasheet
-BS62LV1027PIP55 (1mb) firmy BSI
Datasheet
Cytat:- czyli powinno działać na 3.3 bez żadnych konwenterów? Dodatkowo za jej wybraniem przemawia niski pobór prądu (dodam, że układ będzie zasilany z akumulatora):Wide Vcc operation voltage : 2.4V ~ 5.5V
Cytat:
Vcc = 3.0V C-grade : 17mA (@55ns) operating current
I- grade : 18mA (@55ns) operating current
C-grade : 14mA (@70ns) operating current
I- grade : 15mA (@70ns) operating current
0.1uA (Typ.) CMOS standby current
-inny?
2. Jak podłączyć?
W karcie katalogowej jest taki schemat jak podłączyć zewnętrzną pamięć operacyjną:
jak przeczytałem w innym temacie, układ zaznaczony na czerwono to 8 przerzutników, tylko jakie to mają być przerzutniki? (chodzi mi o konkretne przykłady układów przypominam, że całość pracuje na 3.3V)
-----
Pozdrawiam niebieski326
