Witam
Od kilku dni kopie w google oraz na forum szukając informacji na temat przetwornika ADC zawartego w uP atmega8 oraz sposobu użycia go do pomiaru napięcia z analogowego czujnika temperatury LM35. Chciałbym stworzyć układ który mierzy temperature oraz wyświetla wynik na dwóch modułach 7 segmentowego wyświetlacza led.
Chciałbym aby ktoś udzielił mi informacji jak odpalic sam przetwornik w C/C++.
Wiem, że ten czujnik daje napięcie 10mV na każdy °C.
Może któryś z szanownych forumowiczów miałby kawałek kodu i schemat spełniający nadający się do tego projektu. Najbardziej zależy mi na kodzie.
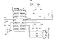
Proszę także o sprawdzenie czy schemacik, który stworzyłem jest poprawny i czy to urządzenie ma prawo działać:
Wszelkie informacje na ten temat mile widziane
Od kilku dni kopie w google oraz na forum szukając informacji na temat przetwornika ADC zawartego w uP atmega8 oraz sposobu użycia go do pomiaru napięcia z analogowego czujnika temperatury LM35. Chciałbym stworzyć układ który mierzy temperature oraz wyświetla wynik na dwóch modułach 7 segmentowego wyświetlacza led.
Chciałbym aby ktoś udzielił mi informacji jak odpalic sam przetwornik w C/C++.
Wiem, że ten czujnik daje napięcie 10mV na każdy °C.
Może któryś z szanownych forumowiczów miałby kawałek kodu i schemat spełniający nadający się do tego projektu. Najbardziej zależy mi na kodzie.
Proszę także o sprawdzenie czy schemacik, który stworzyłem jest poprawny i czy to urządzenie ma prawo działać:
Wszelkie informacje na ten temat mile widziane
