Mam pytanie w związku z interface USB zapożyczonego z USBasp.
1) jakie linie są niezbędne do prawidłowej pracy - pytanie dotyczy zastosowania w innym uC niż atmega8. Chodzi mi nie o konkretne piny tylko o rodzaj.
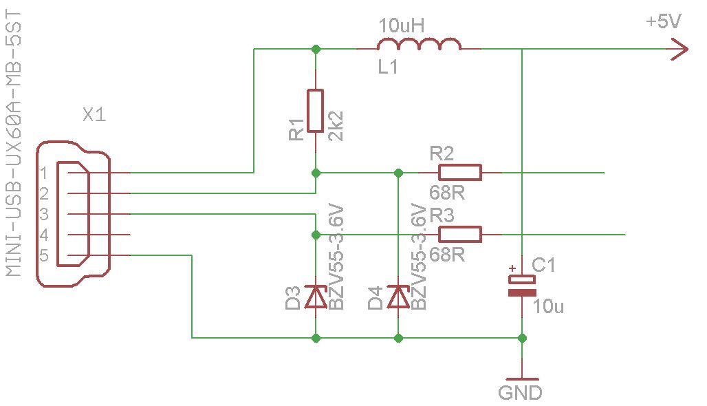
2) w przypadku własnego zasilania urządzenia, rezystor R1 podciągający potencjał do +5V od komputera jest niezbędny do prawidłowej pracy i można go po prostu pominąć wraz z dławikiem czy też powinien być podłaczony do zasilania od uC ?

1) jakie linie są niezbędne do prawidłowej pracy - pytanie dotyczy zastosowania w innym uC niż atmega8. Chodzi mi nie o konkretne piny tylko o rodzaj.
2) w przypadku własnego zasilania urządzenia, rezystor R1 podciągający potencjał do +5V od komputera jest niezbędny do prawidłowej pracy i można go po prostu pominąć wraz z dławikiem czy też powinien być podłaczony do zasilania od uC ?