logo elektroda
logo elektroda
X
logo elektroda
REKLAMA
REKLAMA
Adblock/uBlockOrigin/AdGuard mogą powodować znikanie niektórych postów z powodu nowej reguły.

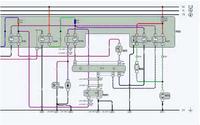
Schemat regulacji ogrzewania ford fiesta 1997r

konrad_bugaj 30 Sie 2009 19:45 4462 1
REKLAMA
  • #1 6961630
    konrad_bugaj
    Poziom 16  
    Witam wszystkich. Mam problem z regulacją ciepła we fieście. Sterowane jest elektroniką. Zmieniłem zawór org. serwis i dalej to samo. Potrzebował bym schemaciku. Dziękuję za pomoc.
  • REKLAMA
  • Pomocny post
    #2 6963358
    debik5
    Poziom 21  
    Proszę.Schemat regulacji ogrzewania ford fiesta 1997rSchemat regulacji ogrzewania ford fiesta 1997rSchemat regulacji ogrzewania ford fiesta 1997r
REKLAMA