logo elektroda
logo elektroda
X
logo elektroda
REKLAMA
REKLAMA
Adblock/uBlockOrigin/AdGuard mogą powodować znikanie niektórych postów z powodu nowej reguły.

Pytanie dotyczace układu autom. wył. wzmacniacza subwoofera.

kris6661991 31 Sie 2009 10:01 1119 3
REKLAMA
  • #1 6963343
    kris6661991
    Poziom 25  
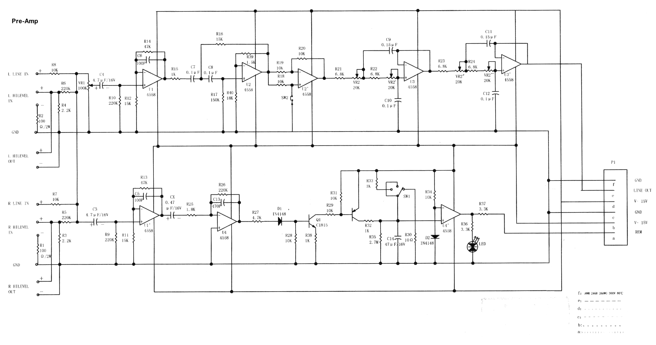
    Buduję subwoofer, w poszukiwaniu schematów filtrów na elektrodzie natrafiłem na coś takiego
    Pytanie dotyczace układu autom. wył. wzmacniacza subwoofera.
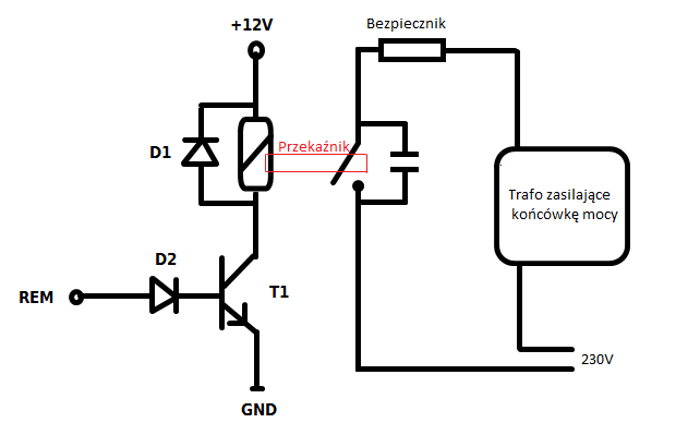
    Układy U1, U2, U2*, U3, U3* tworzą moduł filtru dolnoprzepustowego i z tym nie ma problemu. W dolnej części znajduje się układ, z tego co wywnioskowałem - do automatycznego odłączania subwoofera po pewnym czasie gdy nie ma sygnału na wejściu. Złącze REM jest wyjściem funkcji pełnionej przez układ, to też chyba jasne. Moje pytanie brzmi - jak podpiąć tam przekaźnik 12V? wystarczy po prostu zwykły układ z tranzystorem?
    Pytanie dotyczace układu autom. wył. wzmacniacza subwoofera.

    Edit: Na 2 rysunku powinno być "... uzwojenie pierwotne transformatora końcówki mocy..."
  • REKLAMA
  • Pomocny post
    #2 6963705
    DjMatej
    Poziom 12  
    Witam ja bym proponował transoptor ,odseparujesz układy czyli wzrośnie bezpieczeństwo bezpieczeństwo dla układu załączania i dla ciebie :D
  • REKLAMA
  • #3 6964414
    kris6661991
    Poziom 25  
    No ale po co? skoro wszystko będzie zasilane bezpiecznymi napięciami +12 +15 -15 a same trafo zasilające końcówkę będzie załączane za pomocą przekaźnika, który z kolei jest świetnym przełącznikiem galwanicznym między dwoma źródłami.

    Pytanie dotyczace układu autom. wył. wzmacniacza subwoofera.

    Dodano po 2 [minuty]:

    Chodzi mi tylko o to czy po dołączeniu tego układu z tranzystorem, przekaźnik będzie pracował prawidłowo?
  • Pomocny post
    #4 6967118
    DjMatej
    Poziom 12  
    Będzie prawidłowo.Drugi schemat więcej mi już mówi,śmiało podłączaj. :D
REKLAMA