logo elektroda
logo elektroda
X
logo elektroda
REKLAMA
REKLAMA
Adblock/uBlockOrigin/AdGuard mogą powodować znikanie niektórych postów z powodu nowej reguły.

Włącznik automatyczny wejscia wysokopoziomowego

lyndzik 04 Wrz 2009 19:34 1864 5
REKLAMA
  • #1 6980325
    lyndzik
    Poziom 18  
    Witam poszukuje najlepiej całego kompletu (wykaz elementów ,schemat montażowy, schemat ideowy itp..) włącznika automatycznego do subwoofera na wejście wysokopoziomowe tzn. to co jest bezpośrednio z wyjściem wzmacniacza połączone.
    wszystkie co znalazłem były na typowe wejście chinch

    Z góry dziękuje za odpowiedz
  • REKLAMA
  • #2 6980371
    adamjur1
    Poziom 41  
    Doinstaluj do tych czulszych dzielnik napięcia na wejściu np potencjometr ok 10kΩ, górą do sygnału głośnikowego a suwak na wejście układu.
    Ja zrobiłem to inaczej - opisany na forum włącznik/wyłącznik suba reagujący na różnicę prądu pobieraną przez amplituner w stanie standby i praca..
    Poszukaj tematu automatyczny wyłącznik suba
    Pozdr.J.
  • REKLAMA
  • #3 6980488
    md
    Poziom 41  
    Na wejściu dajesz dzielnik napięcia, z tym, że potencjometr może nie zdać egzaminu. Dzielnik należy przeliczyć dla zakładanego poziomu mocy, a co za tym idzie, dla poziomu sygnału na wejściu dzielnika. Inne wartości będą dla subwoofera współpracującego z małą wieżą domową, a inne przy współpracy zw wzmacniaczami dużej mocy.
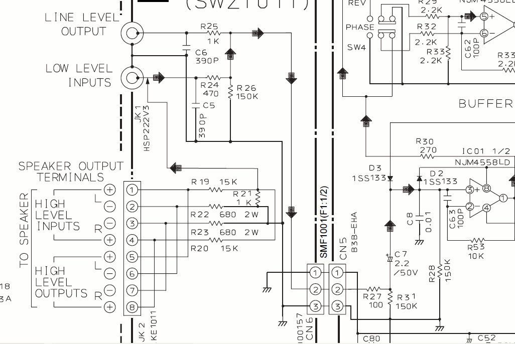
    Przykładowy dzielnik na schemacie poniżej, masz tam obydwa rodzaje wejść - nisko i wysokopoziomowe:

    Włącznik automatyczny wejscia wysokopoziomowego
  • REKLAMA
  • #4 6981875
    lyndzik
    Poziom 18  
    Powiem w prost nie jestem jakimś wielkim elektronikiem i nie wiem za bardzo o co chodzi z tym dzielnikiem.
    Czyli mam zmutować zwykły włączniki do sygnału niskopoziomowego i zastosować jakiś rezystor który ograniczy sygnał do pożądanego.
    Sprzęt który posiadam to :
    Wzmacniacz Pioneer a-403r
    sub VK7820
  • REKLAMA
  • #5 6981962
    md
    Poziom 41  
    Nie musisz być wielkim elektronikiem, by ze schematu, który załączyłem wykorzystać gotowy projekt podłączenia sygnału wysokopoziomowego. Na schemacie są to elementy R19, R20, R21, R22, R23. Sygnał z wejść wysokopoziomowych High Level Inputs L oraz R, zsumowany i o zmniejszonym poziomie podany jest na niskopoziomowe wejście Low Lewel Inputs czyli takie samo wejście, jak u Ciebie. Masz gotowca i nie musisz nic więcej kombinować. Wystarczy, że zgromadzisz odpowiednie podzespoły i gniazda wejściowe do podłączenia sygnału wysokopoziomowego.
  • #6 6982189
    lyndzik
    Poziom 18  
    Cos kapuje wiec tak muszę zmniejszyć sygnał poprzez rezystory i podpiąć do zwykłego włącznika niskopoziomowego tylko u mnie są dwa wejścia wysokopoziomowe a na tym schemacie cztery ale widzę ze są zmostkowanę wiec mostkowac pierwsze do drugiego czy obydwa wyposażyć w rezystory tak jak na schemacie

    Pytanie jeszcze jest takie jak obliczyć wartości rezystorów tak żeby sub się włączał nawet przy zerowym wzmocnieniu wzmacniacza włoczm wzmacniacz na volume 0 i sub tez się włącza

    Czy ten włócznik będzie się nadawał ??
    https://www.elektroda.pl/rtvforum/topic791200.html
REKLAMA