logo elektroda
logo elektroda
X
logo elektroda
REKLAMA
REKLAMA
Adblock/uBlockOrigin/AdGuard mogą powodować znikanie niektórych postów z powodu nowej reguły.

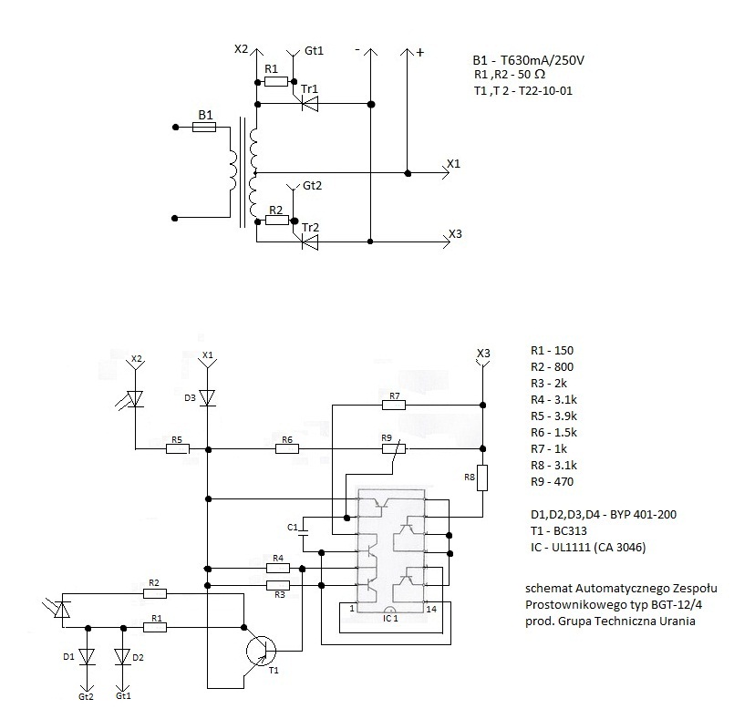
schemat prostownika BGT-12/4

jascoma 09 Wrz 2009 23:03 2198 1
REKLAMA
  • #1 7000802
    jascoma
    Poziom 11  
    szukam schematu Automatycznego Zespolu Prostownikowego typ BGT-12/4 prod
    Grupa Techniczna URANIA (do ladowania akumulatorow samochodowych)

    pozdr
  • REKLAMA
  • #2 15454919
    demontegil
    Poziom 11  
    Witam

    Odgrzewam post, niedawno taki prostownik wpadł mnie do naprawy więc dla potomnych zrobiłem schemat. schemat prostownika BGT-12/4
REKLAMA