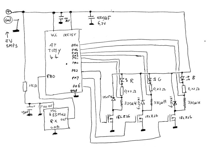
Autor tego artykułu wykonał naprawdę solidną pracę dokładnego udokumentowania procesu wykonywania takiego urządzenia krok po kroku(ze zdjęciami, schematami i linkami do zastosowanych części). W wielkim skrócie: budowę takiej lampki trzeba rozpocząć od zakupienia i otwarcia żarówki CFL IKEA, by uzyskać obudowę. W takim opakowaniu instaluje się źródło zasilania, mikrokontroler ATtiny44, moduł LED RGB i odbiornik radiowy. Dzięki temu urządzeniu i bezprzewodowemu pilotowi można dowolnie zmieniać oświetlenie pokoju. Co prawda wykonanie tego układu kosztuje dość sporo, lecz jeśli wziąć pod uwagę jego żywotność to cena nie wydaje się już być tak wygórowana.
Źródło
Strona projektu
Fajne? Ranking DIY
