logo elektroda
logo elektroda
X
logo elektroda
REKLAMA
REKLAMA
Adblock/uBlockOrigin/AdGuard mogą powodować znikanie niektórych postów z powodu nowej reguły.

Szukam opisu wtyczki sterownika ABS - Passat B3

Andrzej552 26 Wrz 2009 16:37 8868 1
REKLAMA
  • #1 7060203
    Andrzej552
    Poziom 2  
    Witam
    Poszukuję opisu wtyczki sterownika ABS (firma ATE [oznaczenie 535907379]) do Passata B3 (1991r.). Chodzi mi o opis pinów.

    Pozdrawiam
  • REKLAMA
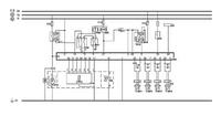
  • #2 7066266
    debik5
    Poziom 21  
    Witam jest to schemat ideowy ale może będzie pomocny ? Szukam opisu wtyczki sterownika ABS - Passat B3Szukam opisu wtyczki sterownika ABS - Passat B3
REKLAMA