logo elektroda
logo elektroda
X
logo elektroda
REKLAMA
REKLAMA
Adblock/uBlockOrigin/AdGuard mogą powodować znikanie niektórych postów z powodu nowej reguły.

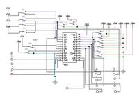
jednoska ALU - układ 74181

jakub307 30 Wrz 2009 18:23 5351 1
REKLAMA
  • #1 7075741
    jakub307
    Poziom 10  
    witam.
    Zrobiłem schemat z zastosowaniem układu 74181 na zadanie z układów techniki komputerowej. Szukałem troszkę po necie napisałem sprawozdanie tylko że.... Nie mogę się połapać po co są wyjścia A=B; P'; CN+4; G' proszę o ich krótki opis. Z góry dziękuję.

    Dodano po 8 [minuty]:

    jednoska ALU - układ 74181
  • REKLAMA
REKLAMA