logo elektroda
logo elektroda
X
logo elektroda
REKLAMA
REKLAMA
Adblock/uBlockOrigin/AdGuard mogą powodować znikanie niektórych postów z powodu nowej reguły.

Nadajnik i odbiornik sygnału symetrycznego

emaker 01 Paź 2009 18:08 8830 12
REKLAMA
  • Nadajnik i odbiornik sygnału symetrycznego
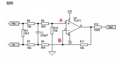
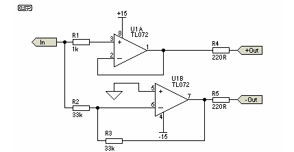
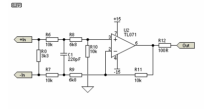
    Moduł nadajnika składa się z dwu wzmacniaczy operacyjnych, jeden pracujący jako wtórnik, a drugi jako odwracacz fazy. W ten sposób realizowana jest zamiana sygnału niesymetrycznego na symetryczny. Rezystory R4 i R5 poprawiają stabilność układu niezależnie od impedancji obciążenia. Autor tego projektu zaleca użycie rezystorów o tolerancji 1% ze względu na ich dobre własności szumowe i większą stabilność w porównaniu do rezystorów 5%.


    Odbiornikiem jest wzmacniacz różnicowy, który tłumi składową sumacyjną (interferencje, zakłócenia, etc.) a wzmacnia sygnał różnicowy, będący sygnałem użytecznym. Na wejściu odbiornika zastosowano rezystor R0, który wyrównuje impedancje poszczególnych linii przewodu symetrycznego. Kondensator C1 wraz z rezystorami R6 i R7 stanowią filtr dolnoprzepustowy tłumiący składowe o wielkich częstotliwościach. Tłumienie tego filtra wynosi 0,1 dB dla częstotliwości 20 kHz. W celu rozszerzenia pasma można zastosować kondensator o mniejszej pojemności, np. 100 pF. Reszta układu to typowa aplikacja wzmacniacza operacyjnego w układzie wzmacniacza różnicowego. Typowa wartość współczynnika tłumienia składowej sumacyjnej dla tej aplikacji wynosi 40 dB. Aby zwiększyć tłumienie sygnału sumacyjnego, w miejsce rezystora R10 stosuje się szeregowe połączenie rezystora o stałej wartości 8,2 kΩ i wieloobrotowego trymera o wartości 5 kΩ. Kalibrację rozpoczynamy od zwarcia wejść odbiornika i podłączenia ich do np. baterii. Regulacje przeprowadzamy trymerem do uzyskania 0 V na wyjściu odbiornika. Pomimo zastosowania symetrycznej transmisji sygnału i dużej odporności na zakłócenia, autor tego rozwiązania zaleca użycie ekranowanego symetrycznego przewodu. W pewnych przypadkach może to poprawić odstęp sygnału od szumu. Eksperymentalnie można również sprawdzić, czy lepsze efekty daje połączenie ekranu przewodu do uziemienia nadajnika i odbiornika, czy też połączenie tylko po stronie odbiornika.


    Nadajnik i odbiornik sygnału symetrycznego



    Źródło: http://sound.westhost.com/project51.htm

    Fajne? Ranking DIY
    O autorze
    emaker
    Poziom 12  
    Offline 
    Specjalizuje się w: elektroakustyka, akustyka
    emaker napisał 85 postów o ocenie 69. Mieszka w mieście "-". Jest z nami od 2009 roku.
  • REKLAMA
  • #2 7080802
    Damian11235
    Poziom 10  
    Układ banalny,powinien znajdować się w dla początkujących ,a nie na stronie głównej .pozdro all
  • #3 7081036
    ginger78
    Poziom 21  
    emaker, czy Ty aby trochę nie przesadzasz z umieszczaniem czegoś takiego na stronie głównej?
  • REKLAMA
  • #4 7081160
    Cersunited
    Poziom 16  
    Może i banalny ale wielu osobom się na pewno przyda. Szczególnie ze pochodzi z obleganej tematyki audio. A za chwile bedzie ze ktoś zapyta o coś takiego:) Wiec z tą pierwsza strona nie przesadzajcie :) Szczególnie ze kiedyś tu bylo nawet serce na walentynki mrugające xD wiec ten projekt jest od niego i bardziej skomplikowany i potrzebniejszy heheh :D pozdro
  • #5 7082010
    Przemek Elektro
    Poziom 16  
    A nie lepiej wykorzystać układy przeznaczone do tego celu?
    DRV134 - nadajnik, INA134 - odbiornik
  • #6 7082241
    emaker
    Poziom 12  
    Przemek Elektro napisał:
    A nie lepiej wykorzystać układy przeznaczone do tego celu?
    DRV134 - nadajnik, INA134 - odbiornik

    Można wykorzystać parę drv134/ina134, jednak ina134 nie ma możliwości regulacji wzmocnienia, a wyżej przedstawiony układ odbiornika jak najbardziej.
  • #7 7083842
    220w
    Poziom 15  
    Wielki dzięki za ten projekt niesamowicie mi się przyda, moim zdaniem lepszy jest ten schemat u samej góry bo można zmienić wzmacniacze i nadal będzie dobrze działał.
  • REKLAMA
  • #8 7084199
    Paweł Es.
    VIP Zasłużony dla elektroda
    Z doświadczenia powiem, że powyższe rozwiązanie stosuje się w niskiej jakości aparaturze dźwiękowej i przeważnie nie spełniają one w pokładanych w nim nadziei (oprócz taniości rozwiązania)

    Uwagi:

    1. Robienie stopnia wyjściowego na TL072 mija się z sensem, ze względu na słabą wydajność prądową tych układów. Stopnie wyjściowe robi się na NE5532.
    Dla TL072 rezystancja obciążenia nie powinna schodzić poniżej 2k, a NE5532 jest liczony na obciążenia rzędu 600Ω. Układy serii TL07x stosuje się za to wewnątrz torów dźwiękowych (np. w korektorach, sumatorach, itp).

    2. Aby uzyskać wysoki CMRR układ musi być jak najbardziej symetryczny co wymaga stosowania rezystorów o tolerancji 1% lub lepszych.

    Z tego też powodu w układach tak nadawczych jak i odbiorczych nie stosuje się regulacji wzmocnienia ze względu na niemożność jednoczesnego zapewnienia regulacji symetrii. Regulację wzmocnienia stosuje się w stopniach przed końcówką lub po wzmacniaczu wejściowym, dzięki czemu mamy i regulację wzmocnienia i zachowaną symetrię układu.

    3. Układ pokazany na schematach jest nieodporny na zwarcia.

    Po pierwsze przy zwarciu jednej żyły do masy dany wzmacniacz jest przeciążony i zaczyna się grzać co wpływa także na drugi wzmacniacz.

    Po drugie przy zwarciu jednej żyły do masy spada o połowę napięcie wyjściowe.

    Po trzecie stosunkowo duże rezystancje wyjściowe powodują z pojemnością kabla cięcie pasma częstotliwości.

    Jeżeli idzie o tłumienie zakłóceń to idąc od najlepszych do najgorszych rozwiązań:

    1) wejścia i wyjścia transformatorowe

    Takie transformatory na poziomy mikrofonowe i liniowe produkuje np.
    firma Jensen Transformers:

    http://www.jensen-transformers.com/

    2) wejścia transformatorowe a wyjścia elektroniczne (układ transformatora elektronicznego)

    Nadajnik i odbiornik sygnału symetrycznego

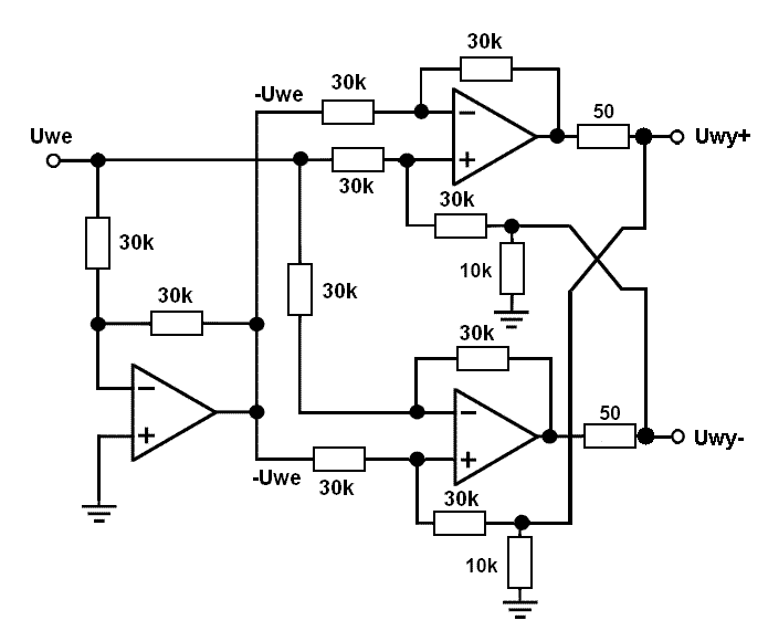
    W układzie tym zwarcie jednego z wyjść do masy powoduje, że na drugim wyjściu (dzięki układowi sprzężeń) jest 2 razy wyższe napięcie, dzieki czemu układ dalej pracuje na niezmienionym poziomie sygnału.

    3) wejścia i wyjścia na układach specjalizowanych

    --- wyjścia (DRV134 (nowszy), SSM2142 (starszy)
    --- wejścia INA134 lub SSM2141

    w powyższych układach zastosowano laserową korekcję rezystorów dzięki czemu uzyskano parametry praktycznie nieosiągalne w układach robionych na piechotę. Do tego rezystory są wykonane na jednej płytce dzięki czemu zapewniona jest stabilność temperaturowa układu.

    4) Układy pseudosymetryczne (jak ten komentowany)

    Układy elektroniczne zwykle mają na wyjściach kondensatory elektrolityczne odcinające składową stałą (na wejściu i na wyjściu linii). Dodatkowo układy wejściowe dla torów mikrofonowych mają dodane układy zasilania mikrofonów pojemnościowych (układ zasilania fantomowego).
  • #9 7085324
    piotrt_74
    Poziom 12  
    Witam wszystkich forumowiczów jest to mój pierwszy post na tym forum, ale muszę zarobić parę punktów :).
    Nie jestem elektronikiem ale też miałbym parę uwag do tego układu:

    1) Jeżeli układy nie są połączone ze sobą masą wtedy w układzie nadajnika zamiast U1B wystarczy R5 podłączony do masy.

    2) Tak jak kolega wyżej wspomniał przydała by się mniejsza rezystancja wyjściowa układu dla zapewnienia dopasowania impedancji falowej przewodu np.
    600Ω skrętka telefoniczna 120Ω skrętka komputerowa (oczywiście dobieramy wtedy odpowiednio rezystory R4 R5 R0).

    3) (Treść wykasowałem ze względu na błędy)

    4) (Po drugie przy zwarciu jednej żyły do masy spada o połowę napięcie wyjściowe) spadło by gdyby układ był zasiany pojedynczym napięciem. Ups mój błąd myślałem że chodzi o składową stałą.

    5) (Autor tego projektu zaleca użycie rezystorów o tolerancji 1% ze względu na ich dobre własności szumowe i większą stabilność w porównaniu do rezystorów 5%) bzdura jak tolerancja rezystora wpływa na jego szumy oraz stabilność tu chodzi tylko o jak najlepszą symetrię układu.
  • #10 7089366
    Paweł Es.
    VIP Zasłużony dla elektroda
    Jako jednak elektronik, mierny bo mierny ale zasadom elektronicznym wierny pozwolę sobie odnieść się do mojego poprzednika i sprostować nieścisłości.


    Cytat:
    1) Jeżeli układy nie są połączone ze sobą masą wtedy w układzie nadajnika zamiast U1B wystarczy R5 podłączony do masy.


    Owszem takie rozwiązanie jest możliwe ale niepolecane (chyba, że w ostateczności) bowiem wychodzi z niego o połowe mniejsze napięcie niż z układu z dwoma wzmacniaczami. Odwracacz fazy daje na wyjściu napięcie -Uwe a wtórnik Uwe, czyli napięcie różnicowe ma wartość:

    Ur=Uwe-(-Uwe)=2*Uwe

    i takie napięcie widzi odbiornik. Podwojenie napięcia daje o 6.02 dB większy odstęp od poziomu szumu.

    Cytat:
    2) Tak jak kolega wyżej wspomniał przydała by się mniejsza rezystancja wyjściowa układu dla zapewnienia dopasowania impedancji falowej przewodu np.
    600Ω skrętka telefoniczna 120Ω skrętka komputerowa (oczywiście dobieramy wtedy odpowiednio rezystory R4 R5 R0).


    Układ jest przeznaczony do przesyłu sygnałów akustycznych, więc raczej dla zapewnienia wysokiej jakości przesyłu lepiej jest stosować kable do tego przeznaczone (skrętka komputerowa bardziej nadaje się do przesyłu sygnałów komputerowych niż analogowych o niskich poziomach).

    Do poważnego zastosowania używa się porządnych kabli symetrycznych jak ten:

    http://www.technokabel.com.pl/katalogwyrobow.php?op=sk&pid=743
    ewentualnie ten:

    http://www.speckable.pl/?action=shop&id_menu=1&id_grupa=6&id_p_grupa=162&kod=MY206SW


    Cytat:
    3) Układ odbiornika nie jest w pełni symetryczny proszę zwrócić uwagę na połączenie R8 C1 R9, od strony R8 rezystancja wejściowa układu wynosi 16,8kΩ a od strony R9 6,8kΩ, niweczy to częściowo stosowanie rezystorów o 1% tolerancji.


    To jest najnieprawdziwsza nieprawda !!!

    Nadajnik i odbiornik sygnału symetrycznego

    Z istoty działania wzmacniacza operacyjnego, wzmacniającego różnicę napięć pomiędzy wejściami (+) i (-):

    $$Uwy=Au*Ur=Au\ *\ (U_{we+}\ -\ U_{we-})$$

    Au - wzmocnienie wzmacniacza operacyjnego bez sprzężenia zwrotnego (dla TL071 jest to typowo 200 000 V/V)
    Ur - napięcie różnicowe na wejściu wzmacniacza operacyjnego

    wynika, że dopuki działa ujemne sprzężenie zwrotne i wzmacniacz pracuje w zakresie liniowym to różnica napięć na wejściu jest utrzymywana na poziomie:

    $$|Ur|=\frac{|Uwy|}{Au}$$

    dla zasilania +/- 15V napięcie wyjściowe może się zmieniać (w zakresie liniowym ptay wzmacniacza) w zakresie +/- 13.5V co oznacza, że napięcie różnicowe na wejściu musi być Au razy mniejsze czyli 13.5V/200000 V/V=67.5 µV. Przy tak małej wartości możemy założyć, że punkty A i B na powyższym schemacie są na tym samym poziomie napięcia, a to oznacza, że:

    1. Oba te punkty "widzą" 10 kΩ do masy w postaci rezystora R10.
    2. Rezystancja wejścia +In względem masy wynosi R6+R8+R10=26.8kΩ
    3. Rezystancja wejścia -In względem masy wynosi R7+R9+R10=26.8kΩ
    4. Dla składowej sumacyjnej kondensator C1 nie jest widoczny (w układzie ma to samo
    napięcie na obu okładzinach).
    5. Dla składowej różnicowej, dla prądu stałego:

    $$Rwe_{r}=R0||(R6+R8+R8+R9)=3.3k\Omega||33.6k\Omega\approx\ 3k\Omega $$

    Dla składowej zmiennej, dla bardzo dużych częstotliwości kondensator C1 stanowi zwarcie i z obwodu wypadają rezystory R8 i R9 przez co moduł impedancji wejściowej spada do 2.8k (3.3k||20k).

    Tak wygląda przebieg modułu impedancji wejściowej w funkcji częstotliwości:

    Nadajnik i odbiornik sygnału symetrycznego

    A tak wygląda rzeczywistość czyli wpływ różnych niedokładności w układzie na wzmocnienie sumacyjne układu odpowiadające za odporność na zakłócenia:

    Nadajnik i odbiornik sygnału symetrycznego

    Linia zielona to przebieg idealny, wartości rezystorów są dokładnie jak na schemacie, zmiany przebiegu dla wyższych częstotliwości wynikają ze zmian parametrów wzmiacniacza operacyjnego dla wyższych częstotliwości.

    Dla uzyskania żółtego przebiegu, do układu dodano dwa kondensatory symulujące pojemności montażowe, pomiędzy punkt A i masę włączyłem 25pF a pomiędzy punkt B i masę 20pF. Widać jak już tak mała różnica pojemności montażowych masakruje przebieg wzmocnienia sumacyjnego.

    Przebieg niebieski jest najbliższy rzeczywistości, wartości rezystorów zostały zmodyfikowane z rozrzutem 1% w stosunku do wartości idealnych. Dodatkowo pojemności montażowe zostały zamienione miejscami, tam gdzie było 25p jest 20p i odwrotnie. A przecież w tym układzie nie zasymulowałem wszystkich możliwych ochyłek od ideału (można by jeszcze dodać parę pojemności pasożytniczych w układzie, zasymulować nieidealność kabla).

    Właśnie dlatego, że uzyskanie idealnej symetrii układu jest bardzo trudne (dobór elementów i ich rozłożenia fizycznego) stosuje się scalone układy symetryzatorów,
    gdzie elementy są trymowane laserem dla uzyskania maksymalnie dużego CMRR. Dodatkowo umieszczenie wszystkich elementów na jednej płytce krzemu pozwala na uzyskanie stałego fizycznego położenia elementów względem siebie i stabilizację termiczną całości.


    Cytat:
    5) (Autor tego projektu zaleca użycie rezystorów o tolerancji 1% ze względu na ich dobre własności szumowe i większą stabilność w porównaniu do rezystorów 5%) bzdura jak tolerancja rezystora wpływa na jego szumy oraz stabilność tu chodzi tylko o jak najlepszą symetrię układu.


    Akurat rezystory 1% są stabilniejsze niż 5% ..
  • REKLAMA
  • #11 7091181
    winiar26
    Poziom 11  
    elka to elka, wszystko o elektronice, każdy zamieszcza co potrafił zrobić i przekazuje to dalej, dla Ciebie za banalne to nie wchodź w temat i się nie wypowiadaj, beśtacie ludzi z błotem bo zrobił coś prostego, od czegoś trzeba zacząć, wolę taki temat niż autor pisze że źródła i wsadu nie podaje bo coś tam, HANDEL się tu robi a nie pomoc i nowatorskie rzeczy wykonane samemu.

    defakto mój post będzie zgłoszony do modów i pewnie zaraz usunięty, ale chore się tu rzeczy dzieją, przeglądam elke kilka lat więc zbędne odpowiedzi proszę sobie darować
  • #12 7091907
    piotrt_74
    Poziom 12  
    Cytat:
    3) Układ odbiornika nie jest w pełni symetryczny proszę zwrócić uwagę na połączenie R8 C1 R9, od strony R8 rezystancja wejściowa układu wynosi 16,8kΩ a od strony R9 6,8kΩ, niweczy to częściowo stosowanie rezystorów o 1% tolerancji.


    To jest najnieprawdziwsza nieprawda !!!

    Najmocniej przepraszam drogich forumowiczów za wprowadzenie w błąd, po prostu tkwił mi w głowie niezbyt poprawny schemat z jednego z czasopism w artykule autor przekonywał że jedynym słusznym wzmacniaczem symetrycznym jest taki jak na obrazku poniżej.
    (Błędną treść postu wykasuję żeby innych nie myliła).

    Nadajnik i odbiornik sygnału symetrycznego
  • #13 7092086
    Paweł Es.
    VIP Zasłużony dla elektroda
    winiar26 napisał:
    elka to elka, wszystko o elektronice, każdy zamieszcza co potrafił zrobić i przekazuje to dalej, dla Ciebie za banalne to nie wchodź w temat i się nie wypowiadaj,


    Po to wchodzę, by ktoś dla kogo ten układ jest niebanalny, nie nadział się na nim. Akurat te układy do symetryzacji widuję na codzień w aparaturze w jakiej dłubię, stąd moje uwagi. Nie robię ich z czystej złośliwości robienia uwag. :) :) :)

    Cytat:
    beśtacie ludzi z błotem bo zrobił coś prostego, od czegoś trzeba zacząć, wolę taki temat niż autor pisze że źródła i wsadu nie podaje bo coś tam,


    Jeżeli już to ludzi się z błotem miesza, besztać można bez użycia błota :)

    I po co te nerwy ? Nikt nikogo nie beszta, tylko wypisuje się uwagi by potem nie czytać niezadowolonych, że zrobili coś na wzór schematu podanego na Elektrodzie i im nie do końca działało tak jak to autor zamieścił. Niestety jest ty sporo na Elektrodzie układów podanych z dobrego serca ale z zawartym w środku haczykiem, na który ktoś niezbyt wprawny może się nieprzyjemnie nadziać.

    Cytat:
    > HANDEL się tu robi a nie pomoc i nowatorskie rzeczy wykonane samemu.


    Handel to by był jakby ktoś żądał pieniędzy za powiedzenie co w układzie jest nie tak, a jak na razie to nie zauważyłem w tym temacie takich zachowań :)
    Z tym nowatorstwem to bym nie był taki hop-siup :) to są bardzo stare rozwiązania :)

    Pozdrawiam wieloletniego oberwatora :)
REKLAMA