logo elektroda
logo elektroda
X
logo elektroda
REKLAMA
REKLAMA
Adblock/uBlockOrigin/AdGuard mogą powodować znikanie niektórych postów z powodu nowej reguły.

Sprzętowe wzajemne wykluczanie się załączanie przekaźników

tombadger 01 Paź 2009 21:19 2997 19
REKLAMA
  • #1 7080389
    tombadger
    Poziom 10  
    Witam,

    Pod jeden z portów AVR mam mieć podpięte 2 przekaźniki załączające obroty silnika w jedną bądź druga stronę.

    W jaki sposób można sprzętowo zablokować jednoczesne załączenie obu przekaźników, tak aby nie spalić silnika ?

    Wiem, że można to prosto zrobić programowo, ale ja potrzebuję rozwiązania sprzętowego.
  • REKLAMA
  • Pomocny post
    #3 7080433
    bogdan_p
    Poziom 39  
    wystarczy w obwód cewek przekaźników wpiąć szeregowo styk NC przeciwnego przekaźnika tzn . L1 > NC2 / L2 > NC 1 jest to typowe rozwiązanie przy sterowaniu L /P
  • REKLAMA
  • Pomocny post
    #4 7080442
    M. S.
    Poziom 34  
    Drugą parą styków pierwszego przekaźnika w momencie włączenia odcinaj zasilanie cewki drugiego przekaźnika. Drugą parą styków drugiego przekaźnika w momencie włączenia odcinaj zasilanie cewki pierwszego przekaźnika. Nigdy nie włączą się razem!
  • REKLAMA
  • #5 7080603
    Konto nie istnieje
    Poziom 1  
  • #6 7080916
    tombadger
    Poziom 10  
    atom1477 napisał:
    A nie lepiej podłączyć przekaźniki w mostek H?
    Tak, że rozłączenie obydwu przekaźników zwiera obydwa przewody silnika do masy. Natomiast załączenie obydwu podłącza obydwa przewody silnika do plusa. Wtedy nigdy nie będzie zwarcia.
    Obroty w jedną stronę: przekaźnik 1 włączony, przekaźnik 2 wyłączony.
    Obroty w drugą stronę: przekaźnik 1 wyłączony, przekaźnik 2 włączony.
    Wada: hamowanie silnika przy wyłączaniu (przy sterowaniu bramy przesuwnej czy czegoś podobnego będzie to akurat zaleta).


    Czyli trzeba by zrobić coś takiego:
    Sprzętowe wzajemne wykluczanie się załączanie przekaźników

    S1 i S2 byłyby stykami NO, a S3 i S4 NC. Dobrze rozumiem ?

    Sterowane mają być rolety okienne.

    A jak zastosować taki mostek H, gdy z silnika mamy wyprowadzane 3 przewody - 1 neutralny i 2 fazowe (oddzielnie do obrotów lewo / prawo) ?
  • Pomocny post
    #7 7080992
    Konto nie istnieje
    Poziom 1  
  • #8 7081033
    tombadger
    Poziom 10  
    atom1477 napisał:
    2. Podłącza się neutralny do jednego bieguna zasilania i jeden z fazowych? Czy jak? I nie można dwóch fazowych na raz podłączać, tak?


    Nie można jednocześnie dwóch fazowych podłączyć, bo pójdzie dym, czego byłem świadkiem ;)

    W pierwszym poście właśnie o takim silniku myślałem. Chciałem sprzętowo zabezpieczyć przed jednoczesnym podłączeniem dwóch faz.
  • REKLAMA
  • #9 7083719
    Jacek Rutkowski
    Poziom 28  
    Rozwiązania podane przez kolegę atom1477są jak najbardziej słuszne. Podane warunki spełnia uniemożliwiając zasilenie obu uzwojeń nawet w przypadku sklejenia się jednego lub obu przekaźników co też jest możliwe jeśli będą zbyt delikatne. Ja dokładnie taki układ jak na rysunku z powodzeniem stosuję od 2 lat :)
  • #10 7085269
    marco47
    Poziom 41  
    Witam kolegów!
    Kolego tombadger mam pytanie , jak sterujesz przekażnikami,bezpośrednio z pinów procka czy też za pośrednictwem tranzystorów?
    Jeśli tranzystorami to jeden PNP a drugi NPN.
    Pozdrawiam
  • #11 7085507
    tombadger
    Poziom 10  
    marco47 napisał:
    Witam kolegów!
    Kolego tombadger mam pytanie , jak sterujesz przekażnikami,bezpośrednio z pinów procka czy też za pośrednictwem tranzystorów?
    Jeśli tranzystorami to jeden PNP a drugi NPN.
    Pozdrawiam



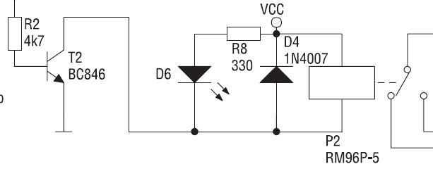
    Standardowo, czyli opornik 4k7 i tranzystor NPN np. BC546, BC547, BC846. Przykład poniżej.

    Vcc = 5v
    Sprzętowe wzajemne wykluczanie się załączanie przekaźników

    Na niektórych schematach R2 w ogóle nie występuje, a czasami ma mniejszą wartość np. 2k (ale to chyba przy mniejszym poziomie napięcia na pinie ?).
  • #12 7085616
    Konto nie istnieje
    Poziom 1  
  • #13 7085720
    tombadger
    Poziom 10  
    atom1477 napisał:
    Brak R2 to poważny błąd. Chciałbym wiedzieć, kto stosuje takie rozwiązanie. Gdzie znalazłeś schematy bez tego rezystora?
    Pewnie narysował je kolejny "fachowiec" od uP nie mający pojęcia o elektronice.
    No chyba że sterowanie idzie przez rezystor podciągający w uP. Ale jego wartość jest na moje oko za duża więc w to wątpię.
    Albo też jest tam układ OC i to przeoczyłeś.


    Wydaje mi się ze był to jakiś PIC i do pinu bezpośrednio podpięty mosfet. Jeżeli uda mi się gdzieś odnaleźć ten schemat to podeśle.

    A tak w ogóle od czego zależy wartość R2, na niektórych schematach ATtiny2313 ma wartość 1k, przy którymś pic 2k albo 3k9 ?
  • Pomocny post
    #14 7085777
    Konto nie istnieje
    Poziom 1  
  • #15 7087083
    tombadger
    Poziom 10  
    atom1477 napisał:
    (5V-0,7V) / 0,9mA = 4,77k ≈ 4,7k.


    A skąd wynika odjęcie 0,7 V ?
  • #16 7087154
    Konto nie istnieje
    Poziom 1  
  • #17 7089077
    tombadger
    Poziom 10  
    atom1477 napisał:
    Tyle będzie na złączu B-E tranzystora.


    Czyli bierzemy maksymalna wartości Vbe ze specyfikacji, tak ?
  • #18 7089200
    Konto nie istnieje
    Poziom 1  
  • #19 7089234
    tombadger
    Poziom 10  
    atom1477 napisał:
    Raczej średnią.
    Ale nie chodzi o napięcie wsteczne włącza BE, bo ono ma zwykle z 6V.
    Chodzi o napięcie przewodzenia. Ma tyle co zwykła dioda krzemowa czyli 0,6...0,8V.

    Dodano po 2 [minuty]:

    Może być parametr "base-emitter saturation voltage" z katalogu.
    Ale nawet szkoda zaglądać do katalogu bo wszystkie krzemowe tranzystory będą mały tyle samo (no chyba że układ Darlingtona, ale to już zupełnie co innego).



    No właśnie w karcie Vebo wynosiło 6V, Vbe(sat) typ. 0,7, a Vbe(on) 580 - 700.
  • #20 7107273
    marco47
    Poziom 41  
    Kolego tombadger
    W Twoim pytaniu chodzi o dwa przekażniki z pojedyńczymi stykami?
    Zastosuj jeden z podwójnymi stykami!
    Jeżeli z pojedyńczymi to wystarczy przed tranzystorami zastosować inwerter.
    Chyba że tylko dwoma przekażnikami chcesz sterować kierunkiem obrotów jak i wyłączaniem silnika. Podaj dokładny opis (schemat).
    Pozdrawiam
REKLAMA