logo elektroda
logo elektroda
X
logo elektroda
REKLAMA
REKLAMA
Adblock/uBlockOrigin/AdGuard mogą powodować znikanie niektórych postów z powodu nowej reguły.

[ATmega32] Ethernet ENC28J60 + karta SD

sieradzkij 04 Paź 2009 19:55 13372 6
REKLAMA
  • #1 7090929
    sieradzkij
    Poziom 11  
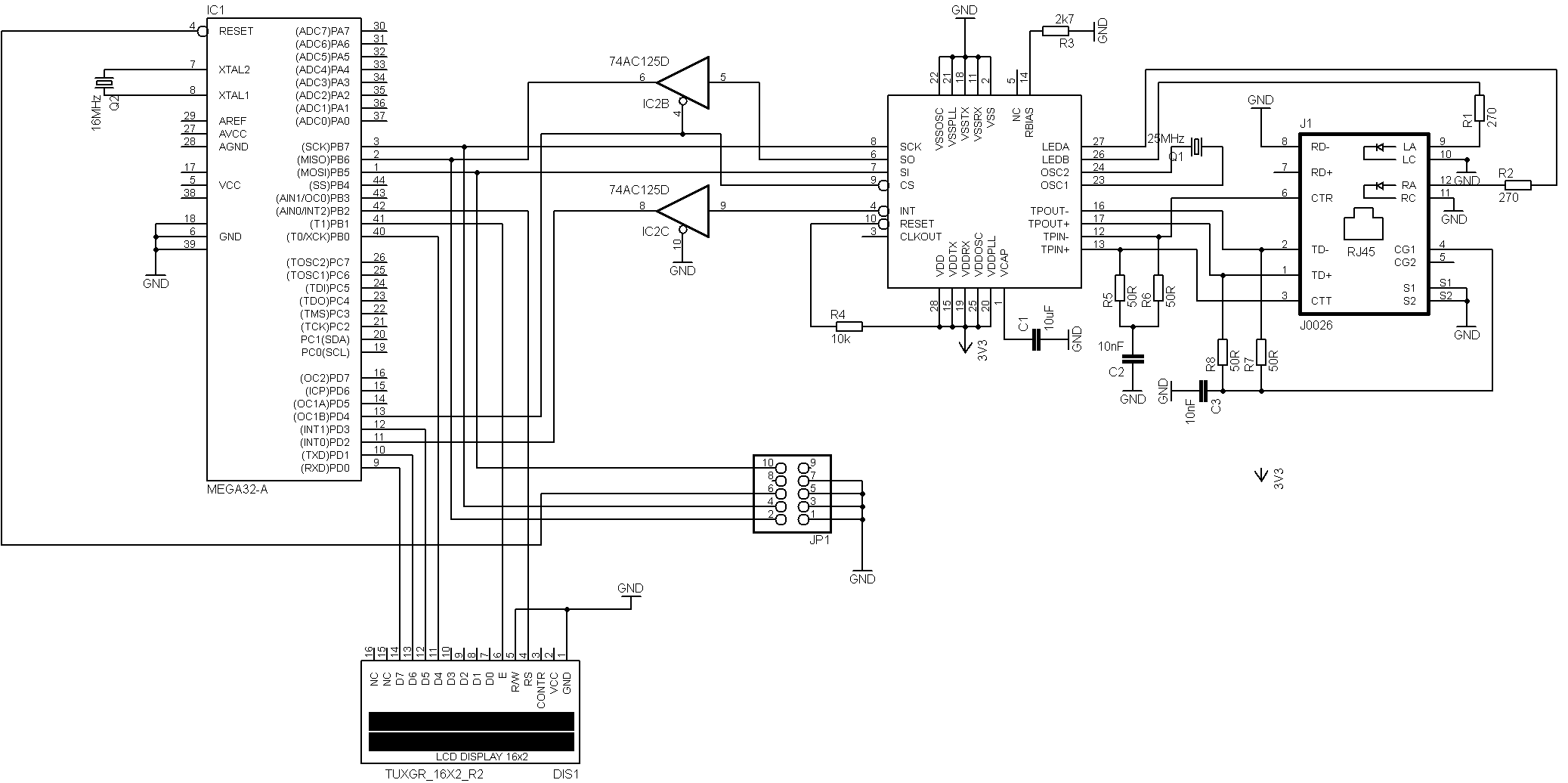
    Mam problem z podlaczeniem karty SD do tego układu:
    [ATmega32] Ethernet ENC28J60 + karta SD
    schemat nie skończony ale ENC28J60 do Atmegi podłaczony dobrze.
    AVR zasilany 5V stąd bufory.


    Opierałem sie na tym: http://tuxgraphics.org/electronics/200606/article06061.shtml

    SPI może działać w trybie master i salve mamy wykorzystane SPI do podłaczenia ENC28J60 i czy można jeszcze podłaczyć karte SD ona musi też korzystać z SPI jak to zrobić czy wogóle można ??? Przykład podłączenia SD:
    [ATmega32] Ethernet ENC28J60 + karta SD

    Chodzi mi tylko o stronę hardwaru jak to podłaczyć?? Nie wiem czy bedze potem możliwość żeby obsługiwać równolegle SD i Ethernet ale nawet jeśli nie to do nauki jedno z nich wyłącze.

    Jeszcze jedno bo chciałbym podłaczyć do tego kilka przekaźników ok. 3 jakie porty mogę wykorzystać do sterowania przkaźnikami a jakie np do czujnka temperatury Dallasa. A może coś byście podłaczyli inaczej niż jest obecnie???

    Z góry dziekuję za pomoc.
  • REKLAMA
  • #2 7091156
    Dr.Vee
    VIP Zasłużony dla elektroda
    Można - musisz odpowiednio sterować wejściami CS ENC i CS karty za pomocą mikrokontrolera. Układy zignorują dane jeśli ich CS będzie nieaktywne, a włączą bufory na liniach DATA OUT tylko gdy będą zaadresowane. Dzięki temu można zewrzeć odpowiednie linie SPI wszystkich układów.

    Pozdrawiam,
    Dr.Vee
  • REKLAMA
  • #3 7092569
    sieradzkij
    Poziom 11  
    Ok. ale to nie zminia faktu że nadal nie wiem jak to podłaczyć..
    Czy linie MOSI, MSIO tak jak na rysunku drugim? I jak zredukować napięcie mam już bufor czy mogę z niego skorzystać w tym przypadku??
  • #4 7092631
    mirekk36
    Poziom 42  
    Mnie tak zastanawia - skoro wszystko tzn twoja karta SD oraz ENC jest na 3,3V to czemu nie zasilisz i procka tym napięciem - odpadnie ci buforowanie w ogóle.

    Dodano po 26 [sekundy]:

    a zamiast MAX232 użyjesz MAX3232
  • REKLAMA
  • #5 7092641
    sieradzkij
    Poziom 11  
    W sumie można by ale czy LCD nie potrzebuje 5V???
  • #6 7092766
    Wilku
    Poziom 17  
    Są wersje na 3,3V. Poszukaj w wiadomym serwisie aukcyjnym, widziałem je u dużego sprzedawcy wyświetlaczy LCD.
  • REKLAMA
  • Pomocny post
    #7 7092945
    Konto nie istnieje
    Poziom 1  
REKLAMA