Witam.
Niedawno zacząłem bawić się elektroniką i mam kilka pytań
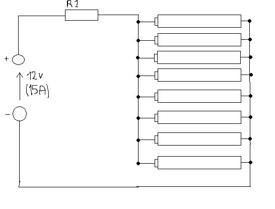
Otóż chciałbym się dowiedzieć czy mógłbym w najprostszy sposób zrobić ładowarkę do akumulatorków AA R6 NiMH przy użyciu jako źródła energii zasilacza komputerowego ATX? Jak wiadomo zasilacz ten ma jedno ze złącz 12V i 15A , stąd moje pytanie... czy jeśli bym włączył do takiego układziku:
8 akumulatorków R6 , to nie popsuł bym akumulatorków? Wiedząc że 1 akumulatorek R6 ładuje się przy 1,4V , to podłączając 8 takich R6 potrzebował bym 11,2V, i mając 12V to niewiele różnicy , poza tym o ile mi wiadomo , to przy obciążeniu napięcie z zasilacza ATX trochę by spadło . Drugą sprawą jest to że chciałbym ładować akumulatorki dość szybko (wiec 15A : 8 R6 dało by 1,87A na akumulatorek) a to dość szybko
. Ewentualnie mały rezystor R1 mógłby trochę to natężenie poskromić.
Więc dobrze kombinuje że z takiego układu można by wejść ( i dodając niewielkie prościutkie ulepszenia stabilizujące ) , czy takie coś ma sense istnieć i działać ?
Niedawno zacząłem bawić się elektroniką i mam kilka pytań
Otóż chciałbym się dowiedzieć czy mógłbym w najprostszy sposób zrobić ładowarkę do akumulatorków AA R6 NiMH przy użyciu jako źródła energii zasilacza komputerowego ATX? Jak wiadomo zasilacz ten ma jedno ze złącz 12V i 15A , stąd moje pytanie... czy jeśli bym włączył do takiego układziku:
Więc dobrze kombinuje że z takiego układu można by wejść ( i dodając niewielkie prościutkie ulepszenia stabilizujące ) , czy takie coś ma sense istnieć i działać ?
