logo elektroda
logo elektroda
X
logo elektroda
REKLAMA
REKLAMA
Adblock/uBlockOrigin/AdGuard mogą powodować znikanie niektórych postów z powodu nowej reguły.

Wzmocnienie sygnału sinusoidalnego

pawlpablo 09 Paź 2009 03:42 2271 2
REKLAMA
  • #1 7106540
    pawlpablo
    Poziom 2  
    Witam.
    Potrzebuję "zmienić" napięcie 0V do 2,5V na -2,5V do +2,5V.
    Dowiedziałem się, iż można to zrobić na 2 wzm. operacyjnych.
    Pierwszy ma obniżyć nap. sygnału (na rys. A) do poziomu -1,25V do +1,25V (B) drugi zaś zwiększyć sygnał do poziomu +2,5V do -2,5V (C).

    Wzmocnienie sygnału sinusoidalnego

    Drugi rozumiem za to z pierwszym nie mam pojęcia jak wykonać.
    Bardzo proszę o odpowiedź, schemat, poradę.
  • REKLAMA
  • Pomocny post
    #3 7106827
    Alfax
    Poziom 28  
    Witam
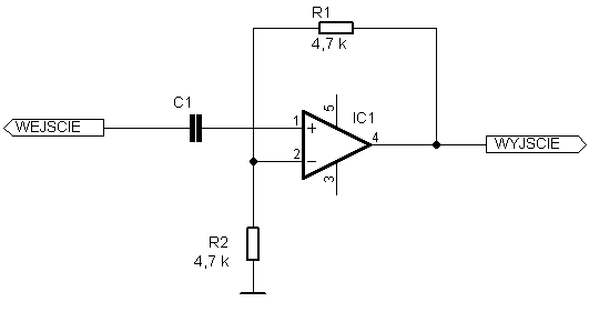
    Do tego, co chcesz zrobić wystarczy ci jeden wzmacniacz operacyjny z kondensatorem na wejściu. Kondensator odetnie składową stałą (jego wartość powinna być dobrana, w zależności od częstotliwości twojej sinusoidy), a wzmacniacz wzmocni sygnał tyle, ile potrzeba. Tu masz schemat:
    Wzmocnienie sygnału sinusoidalnego
    Wartości rezystorów nie są krytyczne, możesz użyć inne tak, by wzmocnienie wzmacniacza wynosiło 2 (wzór na wzmocnienie wzmacniacza nieodwracającego masz na stronie podanej przez kol. lekto).
    Pozdrawiam
    PS. Nie przejmuj się numerkami nóżek przy wzmacniaczu operacyjnym, po prostu wziąłem pierwszy lepszy symbol do schematu :D
REKLAMA