Kupiłem programator usb do AVRów, ponieważ w viscie x64 nie mam dostępu do portu lpt i programowanie zwykłym kabelkiem odpada.
Usbasp tez nie wejdzie, bo w x64 nie można zainstalować sterowników nie podpisanych cyfrowo...
Wybór padł na sprzedawany przez kamami zl20avr, inaczej znany jako kamprog, który łączy się z komputerem przez usb i korzysta ze standardowych sterowników hid.
Jednak przy próbie wykrycia podłączonego mikrokontrolera dostaje komunikat:
Entering programming mode.
Entering programming mode failed.
Chip not found!
Dokładnie tak samo, jak procesor nie jest podpięty, natomiast sam programator jest wykrywany, bo gdy go odłącze dostaje komunikat, ze nie został znaleziony, zamiast tych trzech komunikatów.
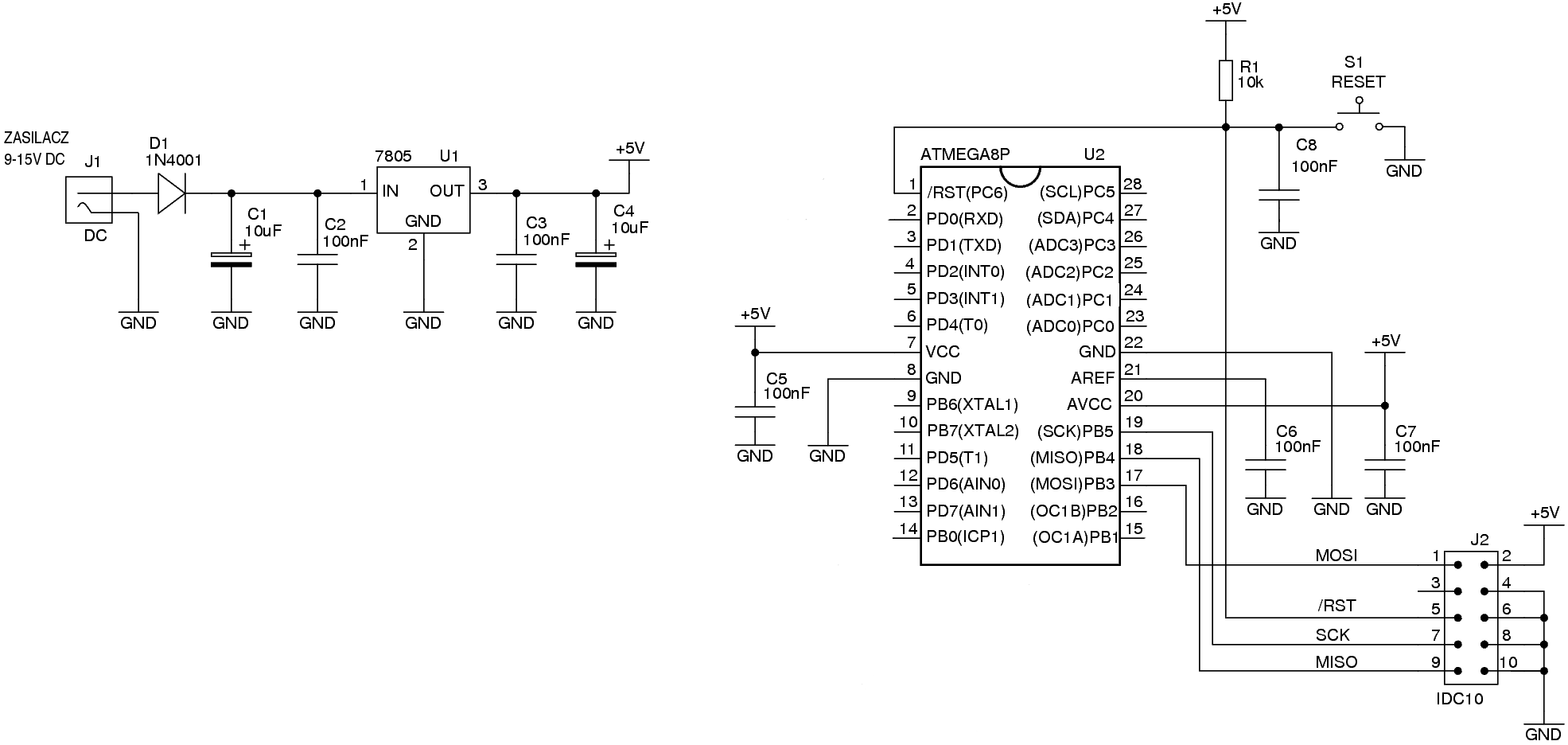
Gdzie może tkwić błąd? Podłączałem atmege8, wyskoczyło takie coś, ale dla attiny2313 to samo...
Czy ktoś potrafi mi pomóc? Bez tego programatora nic nie mogę zrobić... :/
Usbasp tez nie wejdzie, bo w x64 nie można zainstalować sterowników nie podpisanych cyfrowo...
Wybór padł na sprzedawany przez kamami zl20avr, inaczej znany jako kamprog, który łączy się z komputerem przez usb i korzysta ze standardowych sterowników hid.
Jednak przy próbie wykrycia podłączonego mikrokontrolera dostaje komunikat:
Entering programming mode.
Entering programming mode failed.
Chip not found!
Dokładnie tak samo, jak procesor nie jest podpięty, natomiast sam programator jest wykrywany, bo gdy go odłącze dostaje komunikat, ze nie został znaleziony, zamiast tych trzech komunikatów.
Gdzie może tkwić błąd? Podłączałem atmege8, wyskoczyło takie coś, ale dla attiny2313 to samo...
Czy ktoś potrafi mi pomóc? Bez tego programatora nic nie mogę zrobić... :/
