logo elektroda
logo elektroda
X
logo elektroda
REKLAMA
REKLAMA
Adblock/uBlockOrigin/AdGuard mogą powodować znikanie niektórych postów z powodu nowej reguły.

Jak mozna z ladowarki do telefonu zrobic z okolo 5.5V na ..

luk$ 21 Cze 2004 15:17 1541 3
REKLAMA
  • #1 703495
    luk$
    Poziom 11  
    Jak mozna z ladowarki do telefonu zrobic z okolo 5.5V na okolo 3V. musze cos dolutowac czy moze wylutowac, jakis kondensator cewke a moze rezystor ?? Umi ktos taki problem rozwiazac ??
  • REKLAMA
  • #2 703611
    rsoltys
    Poziom 12  
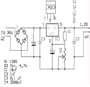
    Myslkę że najprostszym rowiązanie będzie wstawienie scalonego sabilizatora LM317T i z mostkiem oporowym dostosowanym na 3 V. Typową aplikację LM317T masz w załaczeniu......Zmodyfikuj schemat i zostaw tylko: IC1, C1, C2, R1, R2-dobierz tak by uzyskać 3V. Maksymalnie obciązenie LM317 to 1,5 A. Powodzenia :)
  • REKLAMA
  • #3 705634
    _jta_
    Specjalista elektronik
    Jeśli ta ładowarka daje tylko 5.5V, to może być problem - LM317 do poprawnej pracy
    wymaga 3V między wejściem a wyjściem. Ale zwykle ładowarki dają napięcie dużo
    większe od nominalnego (nominalne określa się pod obciążeniem).
    Sprawdź, jakie daje ta, którą masz, i czy to stałe, czy zmienne.
  • #4 714308
    luk$
    Poziom 11  
    troche rozumiem z tego ale jescze nie jestem na tyle zaawansowany :D jak mam ten schemat zmodyfikowac i jak moge dobrac w programie ? czy mogl bys mi pomuc torszke ? z gory dzieki.
REKLAMA