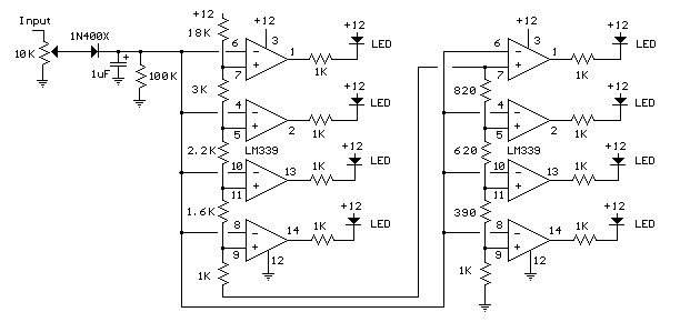
Ten układ używa dwóch poczwórnych wzmacniaczy operacyjnych, aby utworzyć 8 diod LED mierników poziomu dźwięku. Wzmacniacz operacyjny zastosowany w tym obwodzie to LM324. To powszechny układ scalony i jest łatwo dostępny. Rezystory 1K są potrzebne, aby diody LED zapalały się przy różnych poziomach dźwięku. Można zmieniać te rezystory, mimo że wszystkie powyżej 5K mogą spowodować, że niektóre diody LED nigdy się nie włączą. Układ ten można łatwo rozbudowywać dołączając wzmacniacze operacyjne, nie ma ograniczeń w stosowaniu LM324.
Fajne? Ranking DIY
