logo elektroda
logo elektroda
X
logo elektroda
REKLAMA
REKLAMA
Adblock/uBlockOrigin/AdGuard mogą powodować znikanie niektórych postów z powodu nowej reguły.

Wzmacniacz 8 watowy na TDA 2030

miro88 31 Paź 2009 09:16 3590 2
REKLAMA
  • Wzmacniacz 8 watowy na TDA 2030
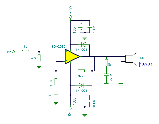
    imo, że TDA2030 może dostarczyć 20 W mocy wyjściowej, umyślnie obniżono moc wyjściową do 8 Wat, aby zasilić 10 watowe głośniki. Wejściowa czułość wynosi 200mV. Wyższe wejściowe poziomy dadzą odpowiednio większe wyjściowe wartości, ale nie powinny być słyszalne zniekształcenia. Przyrost jest ustalany przez rezystory 47k i 1.5k. Układ TDA2030 jest dobrym zastępstwem wzmacniacza dla niskich i średnich dźwiękowych układów mocy. Sprawność głośnika określa dynamikę muzyki. Sprawność głośnika lub poziom ciśnienia akustycznego (SPL) przeważnie wyrażane są w [dB/m]. Głośnik, którego poziom ciśnienia akustycznego wynosi 97dB/m będzie brzmiał głośniej niż ten, którego poziom ciśnienia akustycznego wynosi 95 dB/m.

    Fajne? Ranking DIY
    O autorze
    miro88
    Poziom 24  
    Offline 
    miro88 napisał 1071 postów o ocenie 154, pomógł 13 razy. Mieszka w mieście Wieliczka. Jest z nami od 2002 roku.
  • REKLAMA
  • #2 7210436
    Dr.Zepsuj
    Poziom 20  
    No, zle podejscie do tematu. o wiele bezpiecziejsze jest zastosowanie wzmacniacza o mcy wiekszej niz zastosowany glosik, ale z obcietym pasmem ponizej mozliwosci przenoszenia glosnika - no watpie raczej ze 10W da cos ponizej 100hz, niz o mniejszej mocy ale przesterowanego. Sygnal z deka prostokatny na glosniku psuje go szybciutko. Kwestia umiaru... Z praktyki - 300W glosnik zasilany 500W działa bez problemu. 60W ktoremu rzuciłem wzmacniacz 120 rms tak samo. Kilka lat. głosnik mało kiedy rozpadnie się mechanicznie, kiedy ma dosyc zniekształca, ale sygnal na nim dalej poprawny jest i sie to nie przegrzewa. Zbyt maly wzmacniacz przesterowany rzuca prostokat a czesto tez skladowa stala. Dla przykladu zastosowany z podanym napieciem zakladajac spadki dostarczy 8,6 wata, ale przesterowany 18W. .
  • #3 7210581
    Woytek130
    Poziom 16  
    miro, po co te projekty na głownej ?to dział DIY jest :!: .
REKLAMA