Witam koledzy,
zwracam się z następującą kwestią:
Stary zestaw głośnikowy ZG30 i problemy z nim dwa.
Pierwszy z nich to wykruszone zawieszenie i konieczność wymiany głośników.
Drugi powiązany z pierwszym - impedancja GDN'a.
Otóż zestaw podłączony mam do mojego WS-403, który to znany jest z "mięsistego" basu. Już wam tu pewnie coś nie pasuje... i dobrze!
Wzmacniacz 8Ω, kolumny 4Ω. Dokładniej to w kolumnach GDN 4Ω a GDWK 8Ω.
Z tego względu nie przekraczam 20 (na 40 możliwych) na skali głośności wzmacniacza, tony niskie mam na -3 i filtr 70Hz załączony, bo inaczej nie da się słuchać, jedno wielkie dudnienie-buczenie, ale po tym przycinaniu i tak nie jest za pięknie.
Ponieważ zawieszenie w rozsypce zmusza do wymiany GDNów (lub regeneracji) tak czy inaczej, chętnie skusiłbym się na 8Ω żeby ulżyć WueSce i uszom.
I tutaj zaczynają się schody.
Przeczytałem tonę tekstów na temat impedancji głośnika w odniesieniu do wzmacniacza, zwrotnic itp., jednak jednoznacznej odpowiedzi nie znalazłem.
Tutaj na Elce i w innych miejscach mówią "wymień GDNa na 20/40 8Ω spokojnie", ale ktoś z Tonsila, z kim rozmawiałem na GG, powiedział mi (potwierdzając moje obawy), że zwrotnice są zaprojektowane pod głośnik 4Ω i nie będą działać z ósemką. Sprawa oczywista, w najlepszym wypadku zmieni się punkt odcięcia, co zaburzy, w dość istotny zapewne sposób, jakość wydobywającego się z nich dźwięku.
Poza tym skoro obecnie w zestawie jest wysokotonowy 8Ω i niskotonowy 4Ω, to zapewne w zwrotnicy musi być uwzględniona kompensacja tych 3dB różnicy. Z kolei jak zmienię sam tylko głośnik niskotonowy to ta kompensacja psu na budę, zwrotnica do kosza, albo kolumna będzie mieć za mało wysokich... (jeśli źle to rozumiem to proszę mnie poprawić)
Czy będzie możliwe (i sensowne) przerobienie zwrotnic? Nie uśmiecha mi się nawijanie cewek i inne szmery-bajery z tym związane...
Z drugiej strony jak dam 8Ω głośniki to jakość odsłuchu może zginąć marnie, na plus idzie to że wzmakowi ulżę.
Jak zostawię czwórki to wzmacniacz dalej będzie się pocił i dźwięk i tak nie będzie na tyle dobry na ile może być, bo "mięsistość" wyżej wspomniana jest tylko problemem...
Tak źle i tak nie dobrze, co radzicie?
---
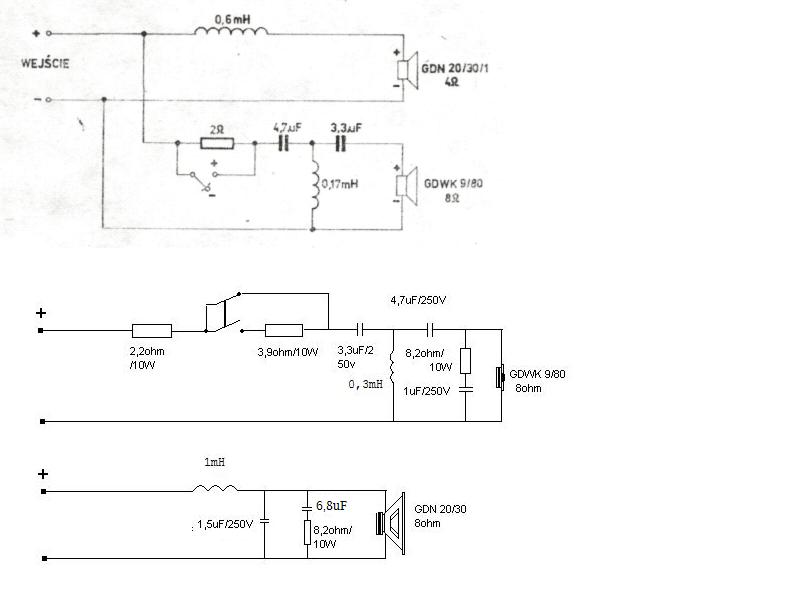
dodam jeszcze, że kolega Tomq podzielił się schematem zwrotnicy:
Link
Być może ktoś jest w stanie wydedukować z tego jakie konsekwencje będzie miała zmiana impedancji GDN'a. Oryginalna częstotliwość podziału zwrtonicy wynosi 4kHz. Czy aby zachować paramtery trzeba by zmienić cewkę z 0.6mH na 1mH?
zwracam się z następującą kwestią:
Stary zestaw głośnikowy ZG30 i problemy z nim dwa.
Pierwszy z nich to wykruszone zawieszenie i konieczność wymiany głośników.
Drugi powiązany z pierwszym - impedancja GDN'a.
Otóż zestaw podłączony mam do mojego WS-403, który to znany jest z "mięsistego" basu. Już wam tu pewnie coś nie pasuje... i dobrze!
Wzmacniacz 8Ω, kolumny 4Ω. Dokładniej to w kolumnach GDN 4Ω a GDWK 8Ω.
Z tego względu nie przekraczam 20 (na 40 możliwych) na skali głośności wzmacniacza, tony niskie mam na -3 i filtr 70Hz załączony, bo inaczej nie da się słuchać, jedno wielkie dudnienie-buczenie, ale po tym przycinaniu i tak nie jest za pięknie.
Ponieważ zawieszenie w rozsypce zmusza do wymiany GDNów (lub regeneracji) tak czy inaczej, chętnie skusiłbym się na 8Ω żeby ulżyć WueSce i uszom.
I tutaj zaczynają się schody.
Przeczytałem tonę tekstów na temat impedancji głośnika w odniesieniu do wzmacniacza, zwrotnic itp., jednak jednoznacznej odpowiedzi nie znalazłem.
Tutaj na Elce i w innych miejscach mówią "wymień GDNa na 20/40 8Ω spokojnie", ale ktoś z Tonsila, z kim rozmawiałem na GG, powiedział mi (potwierdzając moje obawy), że zwrotnice są zaprojektowane pod głośnik 4Ω i nie będą działać z ósemką. Sprawa oczywista, w najlepszym wypadku zmieni się punkt odcięcia, co zaburzy, w dość istotny zapewne sposób, jakość wydobywającego się z nich dźwięku.
Poza tym skoro obecnie w zestawie jest wysokotonowy 8Ω i niskotonowy 4Ω, to zapewne w zwrotnicy musi być uwzględniona kompensacja tych 3dB różnicy. Z kolei jak zmienię sam tylko głośnik niskotonowy to ta kompensacja psu na budę, zwrotnica do kosza, albo kolumna będzie mieć za mało wysokich... (jeśli źle to rozumiem to proszę mnie poprawić)
Czy będzie możliwe (i sensowne) przerobienie zwrotnic? Nie uśmiecha mi się nawijanie cewek i inne szmery-bajery z tym związane...
Z drugiej strony jak dam 8Ω głośniki to jakość odsłuchu może zginąć marnie, na plus idzie to że wzmakowi ulżę.
Jak zostawię czwórki to wzmacniacz dalej będzie się pocił i dźwięk i tak nie będzie na tyle dobry na ile może być, bo "mięsistość" wyżej wspomniana jest tylko problemem...
Tak źle i tak nie dobrze, co radzicie?
---
dodam jeszcze, że kolega Tomq podzielił się schematem zwrotnicy:
Link
Być może ktoś jest w stanie wydedukować z tego jakie konsekwencje będzie miała zmiana impedancji GDN'a. Oryginalna częstotliwość podziału zwrtonicy wynosi 4kHz. Czy aby zachować paramtery trzeba by zmienić cewkę z 0.6mH na 1mH?