Witam Państwa.
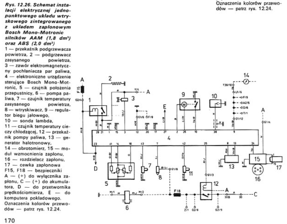
Otóż w moim wypdaku przyczyną na 90 % okazała się sonada lambda. Gdy się jej przyjżałem to z pomoca mechanika zauważyliśmy że było przy niej coś kombinowane. W moim golfie mk3 1,8 75 km, AAM najprawdopodobniej powinna być 4 przewodowa sonda, ale pewności nie mam. Faktycznie jest 1 przewodowa. Poza tytm kostka do której się wpina sondę też jest wyraźnie pozmieniana. Są przy niej 4 przewody ale podpięte tylko 2, a 2 pozostałe owinięte taśmą izolacyjną.
Problem w tym że teraz nie wiem jaka sonda była oryginalnie, a nawet jeśli to była 4 przewodówka to jak ją ponownie właściwie podpiąć? Widze że do tej wtyczki sa podpiete 4 przewody z 2 kabli , z czego 1 kabel chyba jest od komputera, bo prowadzi do prawej strony podzybia, inny idzie po śianie grodziowej na lewą stronę.
CZy ktoś z Państwa może pomóc mi jakimś schematem, zdjęciem?
Otóż w moim wypdaku przyczyną na 90 % okazała się sonada lambda. Gdy się jej przyjżałem to z pomoca mechanika zauważyliśmy że było przy niej coś kombinowane. W moim golfie mk3 1,8 75 km, AAM najprawdopodobniej powinna być 4 przewodowa sonda, ale pewności nie mam. Faktycznie jest 1 przewodowa. Poza tytm kostka do której się wpina sondę też jest wyraźnie pozmieniana. Są przy niej 4 przewody ale podpięte tylko 2, a 2 pozostałe owinięte taśmą izolacyjną.
Problem w tym że teraz nie wiem jaka sonda była oryginalnie, a nawet jeśli to była 4 przewodówka to jak ją ponownie właściwie podpiąć? Widze że do tej wtyczki sa podpiete 4 przewody z 2 kabli , z czego 1 kabel chyba jest od komputera, bo prowadzi do prawej strony podzybia, inny idzie po śianie grodziowej na lewą stronę.
CZy ktoś z Państwa może pomóc mi jakimś schematem, zdjęciem?
