logo elektroda
logo elektroda
X
logo elektroda
REKLAMA
REKLAMA
Adblock/uBlockOrigin/AdGuard mogą powodować znikanie niektórych postów z powodu nowej reguły.

STX GDN 17-100-8-SC, GDWK 10-200-8-PJ

0Damian0 14 Lis 2009 12:21 5079 13
REKLAMA
  • #1 7258543
    0Damian0
    Poziom 10  
    Witam,

    Posiadam głośniki:
    Nisko-średnio-tonowy - STX GDN 17-100-8-SC
    Wysoko-tonowy - GDWK 10-200-8-PJ

    Mam już obudowę i wszystko oprócz zwrotnicy, postanowiłem że wykonam taką zwrotnicę:
    STX GDN 17-100-8-SC, GDWK 10-200-8-PJ

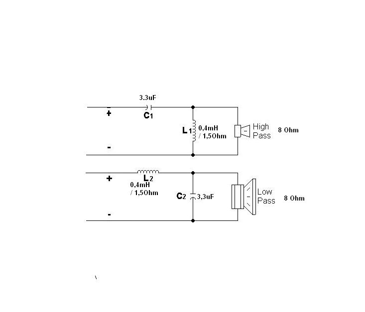
    Mógłby ktoś dokończyć rysunek tak by połączenie wysoko-tonowego i nisko-tonowego dawało R=8Ohm ?

    Z góry dziękuję za pomoc, pozdrawiam Damian
  • REKLAMA
  • Pomocny post
    #2 7258559
    Tomq
    Poziom 38  
    Tu masz projekt IRKA:
    STX GDN 17-100-8-SC, GDWK 10-200-8-PJ

    ta wyliczona przez Ciebie w kalkulatorze nie zagra poprawnie, bo już na 1 rzut oka widać że nie rozsunąłeś cz. podziału. Poza tym cewki nie powinny mieć tak dużej oporności, max 1/10 oporności głośnika. I nie widziałem jescze żeby ktoś 8 ohm midwoofer filtrował tak małą cewką.

    I nie martw się tym, że teoretycznie oporność kolumny będzie wynosiła 4 ohm, bo w przypadku połączeń midwooferów i wysokotonówek tego się tak nie przelicza. Na głośnik wysojkotnowy idze tak mało mocy, że jego oporność dla wzmacniacza jest pomijalna, a więc za oporność nominalną kolumny przyjmuje się oporność GDNa (gdnów).
  • REKLAMA
  • #3 7258689
    0Damian0
    Poziom 10  
    wysoko-tonowy w tej zwrotnicy w ogóle zagra ? Bo coś mi się wydaje że podajesz sygnał następnie jest on odcinany tak by nie było wysokich tonów i podpinasz głośnik niskotonowy następnie z zacisków gdna idzie na filtr dla wysoko-tonowy ? to chyba jak ten filtr odfiltruje te nieskie tony to nic z pasma nie zostanie ? chyba zrozumiałeś o co mi chodzi ?

    STX GDN 17-100-8-SC, GDWK 10-200-8-PJ

    Jeśli ja myślę źle to wytłumacz mi ten schemat ;)


    Edit:

    Nie tak czasem to ma wyglądać ?
    STX GDN 17-100-8-SC, GDWK 10-200-8-PJ

    Nie podałeś mi nawet jakie częstotliwości odcięcia ma ta zwrotnica ? 4kHz, 5,6 ? Ten zygzak /\/\/\ to oznaczenie opornika ?
  • REKLAMA
  • #5 7259166
    0Damian0
    Poziom 10  
    Rozumiem że 2.200 to 2.2 Ohm'a?, tylko nie ma cewki idealnej więc ona też będzie miała swoją rezystancję i jeżeli ona będzie miała 1 Ohm, to wtedy np. w przypadku GDN'a będzie:

    GDN i opornik równolegle czyli = 8Ohm*2.2Ohm/8ohm+2.2Ohm = 1,7Ohm
    Następnie szeregowo cewka ( 1 Ohm ) z tym co wyszlo wyżej : 1,7Ohm+1Ohm = 2,7 Ohm.

    Teraz GDWK:
    Szeregowo z opornikiem ( 2.2ohm ) : 8Ohm + 2.2ohm = 10.2 Ohm, następnie równolegle z cewką ( 1ohmową ) : 10.2Ohm*1Ohm/ 10.2Ohm+1Ohm = 0.9 Ohm

    Teraz Równolegle GDN z GDWK: 0,9Ohm*2.7Ohm / 0,9ohm + 2.7ohm = 0,675 Ohm ? czy źle rozumuje ?

    Po za tym 4Ohm też nie za bardzo mi pasuje ponieważ mam wzmacniacz od 8ohm, więc pasuje tutaj dobrać tak oporniki żeby chociaż te 6ohm uzyskać bo inaczej to kiepsko widzę moją tosce ;/

    Edit:
    Tak dla sprostowania to cewka 1,5mH to odcięcie na poziomie 1,3-1,5 kHz...więc wysoko-tonowy musiałby iść od 1 kHz a to dla tej kopułki niemożliwe. Nie wiem dlaczego uważasz że 0,4mH to mało, ten stx jest średnio-niskotonowy i bardzo dobrze idzie do tych 4,5-5kHz, moim zdaniem cewka 0,4mH / 0,7Ohm powinna dać odcięcie na 4,5kHz, zaś wysoko-tonowy odcięcie 3 kHz i cewka 0,6mH / 0,8 Ohm
  • Pomocny post
    #6 7261977
    Pawel S.
    Poziom 39  
    Cytat:
    Tak dla sprostowania to cewka 1,5mH to odcięcie na poziomie 1,3-1,5 kHz...więc wysoko-tonowy musiałby iść od 1 kHz a to dla tej kopułki niemożliwe. Nie wiem dlaczego uważasz że 0,4mH to mało, ten stx jest średnio-niskotonowy i bardzo dobrze idzie do tych 4,5-5kHz, moim zdaniem cewka 0,4mH / 0,7Ohm powinna dać odcięcie na 4,5kHz, zaś wysoko-tonowy odcięcie 3 kHz i cewka 0,6mH / 0,8 Ohm
    :lol: czasami to sie fajnie czyta :lol:

    primo - kolumna bedzie o impedancji znamionowej 8ohm
    ale praktycznie ta kolumna nigdy nie osiaga tych 8ohm bo wartosc impedancji dla roznej czestotliwosci jest inna. czesto bedzie tak ze impedancja kolumny dla danej czestotliwosci bedzie siegala nawet 50ohm :P

    secundo - nie teoretyzuj tyle z filtrami bo teoria a praktyka to zupelnie co innego
    ten filtr zaprojektowal profesjonalista z wykozystaniem sprzetu pomiarowego. efekt koncowy jest taki
    STX GDN 17-100-8-SC, GDWK 10-200-8-PJ
    SCX to zupelnie inny glosnik niz SC ale zdecydowanie lepiej zastosowac taka zwrotnice niz to co ty pokazales...
    a roznicy wielkiej i tak nie uslyszysz bo jestes zielony i bez porownania niczego nie zauwazysz

    jakbys jeszcze nie wiedzial to czesci do zwrotnic kupisz w www.polink.com.pl
  • #7 7262965
    0Damian0
    Poziom 10  
    Ok, dzięki

    Części do zwrotnic mam tzn. kondensatory mam, a cewki kupię na stx żeby za przesyłkę nie bulić 2 razy.
    Tak szczerze to nie dla mnie są te kolumny ( bo ja mam swoje ;] ) ale dla taty jako prezent na mikołaja ;).

    Muszą być na 8ohm ojciec ma tosce 303 a ona nie znosi 4ohm bo się grzeje jak pieron.

    Pozdrawiam Damian ;)
  • REKLAMA
  • #8 7262977
    Tomq
    Poziom 38  
    Cytat:
    Nie wiem dlaczego uważasz że 0,4mH to mało

    To zrób sobie zwrotnice wg własnego projektu i nie pytaj o pomoc innych skoro sam wszystko wiesz najlepiej. Tylko nie dziw się potem, że za mało basu i za dużo średnich tonów i że jakoś nieciekawie to gra. I nie wiem skąd Ci się wzięło to 4 ohmy.
  • #9 7263080
    0Damian0
    Poziom 10  
    "Nie wiem dlaczego uważasz że 0,4mH to mało

    To zrób sobie zwrotnice wg własnego projektu i nie pytaj o pomoc innych skoro sam wszystko wiesz najlepiej. Tylko nie dziw się potem, że za mało basu i za dużo średnich tonów i że jakoś nieciekawie to gra. I nie wiem skąd Ci się wzięło to 4 ohmy."

    Po co te nerwy ? pytam grzecznie dlaczego 0,4mH to mało. Skąd mi się wzięło 4ohmy ? a poczytaj ze zrozumieniem co pisałem wyżej !:
    "GDN i opornik równolegle czyli = 8Ohm*2.2Ohm/8ohm+2.2Ohm = 1,7Ohm
    Następnie szeregowo cewka ( 1 Ohm ) z tym co wyszlo wyżej : 1,7Ohm+1Ohm = 2,7 Ohm.

    Teraz GDWK:
    Szeregowo z opornikiem ( 2.2ohm ) : 8Ohm + 2.2ohm = 10.2 Ohm, następnie równolegle z cewką ( 1ohmową ) : 10.2Ohm*1Ohm/ 10.2Ohm+1Ohm = 0.9 Ohm

    Teraz Równolegle GDN z GDWK: 0,9Ohm*2.7Ohm / 0,9ohm + 2.7ohm = 0,675 Ohm ? czy źle rozumuje ? "
    Nie umiesz czytać ?! jak masz takie podejście z "mordą" do ludzi to nie odpisuj już więcej bo szkoda nerwów na taką rozmowę..

    Pytanie do Pana Pawła, co pan myśli o głośniku
    Visaton TIW 250 XS
    oto link:
    http://www.visaton.de/en/chassis_zubehoer/tiefton/tiw250xs_8.html

    nadałby się do kolumn ? oczekiwałbym od niego że zejdzie nisko 35-45Hz i miałby przy tym bardzo czysty dźwięk z niezłym kopem ;)
  • #10 7263279
    Tomq
    Poziom 38  
    Cytat:
    a poczytaj ze zrozumieniem co pisałem wyżej

    Cytat:
    I nie martw się tym, że teoretycznie oporność kolumny będzie wynosiła 4 ohm, bo w przypadku połączeń midwooferów i wysokotonówek tego się tak nie przelicza. Na głośnik wysojkotnowy idze tak mało mocy, że jego oporność dla wzmacniacza jest pomijalna, a więc za oporność nominalną kolumny przyjmuje się oporność GDNa (gdnów).
    Poza tym nie możesz obliczyć oporności zastępczej tego układu (GDN i opornik) z tego prostego wzoru, bo tam nie jest sam opornik, ale opornik z kondensatorem. Jest to układ który wyrównuje impedancje GDNa (korektor impedancji).

    Cytat:

    pytam grzecznie dlaczego 0,4mH to mało

    Bo żaden filtr nie działa tak, że nagle odcina wszytkie dźwięki powyżej cz. podziału. Jeżeli by tak było - wyliczona przez Ciebie zwrotnica byłaby odpowiednia. Jednak kalkulatory do zwrotnic symulują filtry na bardzo uproszonym modelu (tzn przyjmują że głośnik składa się z samej oporności i ma idealnie równą charakterystykę), więc od rzeczywistości odbiega to znacznie.
    Jak odetniesz GDNa cewką 1,5mH to zanim on przyciszy się do niesłyszalnego poziomu dźwiek zacznie odtwarzać gdwk. Przy cewce 0,4 mH znaczną cześć pasma odtwarzałyby oba głośniki.

    Nie wiem jaki jest sens robić do tanich kolumienek subwoofer na głośniku za 789 zł (+ kilka stów na wzmacniacz).

    To tylko małe sprostowanie do mojego zbyt lakonicznego poprzedniego postu. Zgodnie z życzeniem autora nie będę już się udzielał w temacie.
  • #11 7264402
    Pawel S.
    Poziom 39  
    Cytat:
    Pytanie do Pana Pawła, co pan myśli o głośniku
    Visaton TIW 250 XS
    oto link:
    http://www.visaton.de/en/chassis_zubehoer/tiefton/tiw250xs_8.html

    nadałby się do kolumn ? oczekiwałbym od niego że zejdzie nisko 35-45Hz i miałby przy tym bardzo czysty dźwięk z niezłym kopem
    a gdzie ty widzisz pana? :P
    wystarczy pawel ;)

    to dobry glosnik. ale widziales wogole ile on kosztuje? jak nie to zobacz (grelton) a pozniej dolicz drugie tyle na obudowe i wzmacniacz do niego :P

    a do kolumn to nie bardzo sie nadaje - raczej jako sub
  • #12 7265350
    0Damian0
    Poziom 10  
    Na cenę nie patrzyłem ale 768zł będę w stanie dać za jakieś 2 miesiące ;) jak wypłatę dostanę ;) i zrobię chyba suba na nim. Jakie polecasz głośniki ( wysokotonowy i średnio-tonowy ) do 500-600 zł za dwie kolumny, bo mam teraz 2 kolumny podłogowe ( 45L 2x basreflex 5,5cm ) i tonsil GDWK 10/80/7 EX oraz średniotonowy Alphard ETP 1300 ;/ i dźwięk średniotonowca i wysoko nie nie zadowala, jest tam też GDN alpharda lw80h81 ale on też jest do d* ale i tak uzupełnia ten zaestaw sub na GDN 25-100-8-SC ( STX ).
  • #14 7308514
    torino12
    Poziom 10  
    Kolego 0Damian0 ja takze jestem z Dębicy :) widze ze nietylko ja w Dębicy robie DIY
    napisz moze do mnie na gg 2565088
REKLAMA