na wstępie:
Przejrzałem całe forum i google w poszukiwaniu odpowiedzi na mój problem a moje wypociny są wynikiem tego co znalazłem.
Temat :
Muszę znaleźć sposób na sterowanie(nadać konkretną prędkość w obrotach/na minutę) silnikiem prądu stałego
wypociny:
Najpierw chciałem zrealizować sam pomiar prędkości więc zmodyfikowałem program dostarczony przez producenta płyty testowej :
Krótko dlaczego program jest tak napisany :
mój wyświetlacz jest uszkodzony nie wyświetla cyfr ani nic z tablicy ascii
A i wyświetlacz w configu przepoiłem na port c bo na PD3 jest przerwanie z którego korzystam
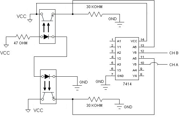
a to moja płyta testowa jej producent to propox
i mysz na której dokonywałem testów
Samą mysz przetestowałem w szkole na oscyloskopie. Kiedy podpiąłem się sondą zobaczyłem sinusoidę (max 5V kiedy i min 2,5V) niestety dla mikroprocesora te napięcia to logiczna 1 więc musiałem skorzystać z zboczy. I TO POJAWIŁ SIĘ PROBLEM mikroprocesor reaguje kiedy dotykam palcem portu. kiedy fototranzystor z myszy jest podpięty reaguje kiedy poruszę a on nałapie światła.
Według mnie A na wyświetlaczu powinny się pojawiać jedno za drugim niestety samo przerwanie potrafi się wywołać częściej niż sam procesor się odświeża? Na razie nic nie pomaga możliwe że jest to brak podstawowych informacji nie ukrywam nie jestem super programistą ale c dla mikroprocesorów jest troszeczkę inne od tego c którego się uczyłem na wykładach. Więc zwracam się do was mądrzejszych i bardziej doświadczonych o POMOC
Przejrzałem całe forum i google w poszukiwaniu odpowiedzi na mój problem a moje wypociny są wynikiem tego co znalazłem.
Temat :
Muszę znaleźć sposób na sterowanie(nadać konkretną prędkość w obrotach/na minutę) silnikiem prądu stałego
wypociny:
Najpierw chciałem zrealizować sam pomiar prędkości więc zmodyfikowałem program dostarczony przez producenta płyty testowej :
*******************************************************************************/
/* PROPOX */
/* www.propox.com */
/* */
/* Program demonsturjący działanie wyświetlacza LCD 16x2. */
/* This program show how to use LCD 16x2 with atmega familly microcontroller. */
/*******************************************************************************/
// wewnetrzny zegar 1MHz (internal oscillator 1MHz)
// PD0 - R/S
// PD1 - E
// PD2 - D4
// PD3 - D5
// PD4 - D6
// PD5 - D7
#include <avr/io.h>
#include <util/delay.h>
#include <avr/pgmspace.h>
#include "char_code.h"
#include "LCD_lib.h"
#include <avr/interrupt.h>
////////////////////////////////////////////////////////////////////////////////////
volatile unsigned int flaga = 0;
void Inicjalizacja(void)
{
LCDinit();
LCDcursorOFF(); //Inicjalizacja wyświetlacza
sei(); //Włączenie obsługi przewań
MCUCR = (1<<ISC11); //Wyzwolenie przerwania zboczem opadającym
GICR |= 1<<INT1; //Załączenie przerwania na INT1
}
SIGNAL (SIG_INTERRUPT1)
{
flaga++;
}
int main( void )
{
Inicjalizacja();
while(1)
{
LCDGotoXY(flaga,0);
LCDstring("a",1);
}
return 0;
}Krótko dlaczego program jest tak napisany :
mój wyświetlacz jest uszkodzony nie wyświetla cyfr ani nic z tablicy ascii
A i wyświetlacz w configu przepoiłem na port c bo na PD3 jest przerwanie z którego korzystam
a to moja płyta testowa jej producent to propox
i mysz na której dokonywałem testów
Samą mysz przetestowałem w szkole na oscyloskopie. Kiedy podpiąłem się sondą zobaczyłem sinusoidę (max 5V kiedy i min 2,5V) niestety dla mikroprocesora te napięcia to logiczna 1 więc musiałem skorzystać z zboczy. I TO POJAWIŁ SIĘ PROBLEM mikroprocesor reaguje kiedy dotykam palcem portu. kiedy fototranzystor z myszy jest podpięty reaguje kiedy poruszę a on nałapie światła.
Według mnie A na wyświetlaczu powinny się pojawiać jedno za drugim niestety samo przerwanie potrafi się wywołać częściej niż sam procesor się odświeża? Na razie nic nie pomaga możliwe że jest to brak podstawowych informacji nie ukrywam nie jestem super programistą ale c dla mikroprocesorów jest troszeczkę inne od tego c którego się uczyłem na wykładach. Więc zwracam się do was mądrzejszych i bardziej doświadczonych o POMOC

![[atmega8][avr studio] regulator prędkości z myszy kulkowej [atmega8][avr studio] regulator prędkości z myszy kulkowej](https://www.boondog.com/tutorials/mouse/mouseHackSchematic.jpg)