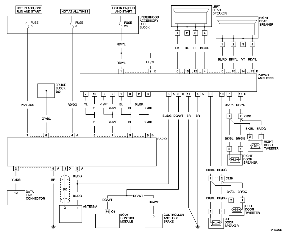
Ma ktoś wykaz skrutów kolorów po angielsku stosowanych na schematach elektrycznych samochodowych ?
np. BLK ,PNK ,BAN , DRN itp
Bo niektóre znam ale niektóre nie
np. BLK ,PNK ,BAN , DRN itp
Bo niektóre znam ale niektóre nie
Czy wolisz polską wersję strony elektroda?
Nie, dziękuję Przekieruj mnie tamkp. napisał:Myślę, że ten SB to taki jasnoniebieski (kolor nieba) więc może to niebieski z jasnoniebieskim paskiem. Pewności nie mam - przy schematach albo instrukcji napraw danego samochodu powinien być wykaz kolorów.Natomiast to BL-SB wyszłoby że coś jakoś niebiesko niebieski
CD napisał:sw/li