logo elektroda
logo elektroda
X
logo elektroda
REKLAMA
REKLAMA
Adblock/uBlockOrigin/AdGuard mogą powodować znikanie niektórych postów z powodu nowej reguły.

Camera Axe 3.0 - czujnikowy wyzwalacz dla fotograf

mi_ma 20 Lis 2009 06:49 3004 0
REKLAMA
  • Camera Axe 3.0 - czujnikowy wyzwalacz dla fotograf

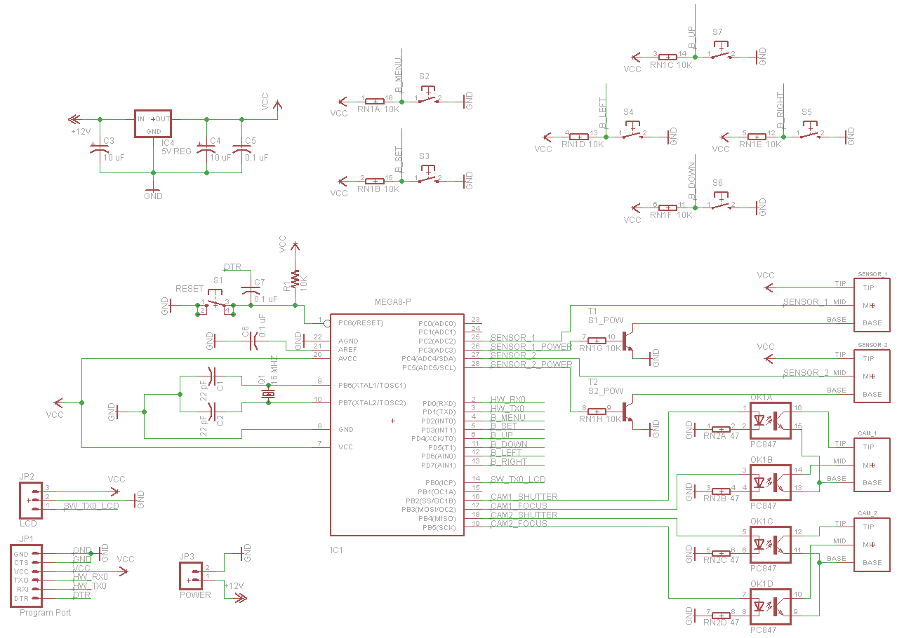
    Maurice juz kiedyś pokazywał swoje urządzenie dla fotografów Camera Axe. Teraz jest dostępna juz wersja 3.0 tego urządzenia. Pierwowzór pozwalał na wyzwalanie aparatu i lampy błyskowej w oparciu o dane z wielu czujników i pobudzanie takimi bodźcami jak światło i dźwięk. Nowa wersja ma takie same funkcje co jej poprzednik, ale rozszerzone o możliwość używania kilku aparatów i lamp błyskowych. Na stronie źródłowej znajdują się schematy i przykładowe zdjęcia wykonane przy użyciu Camera AXE 3.0. Poniżej zamieszczam tylko kilka przykładów i zapraszam do zapoznania się ze stroną źródłową autora.

    Camera Axe 3.0 - czujnikowy wyzwalacz dla fotograf Camera Axe 3.0 - czujnikowy wyzwalacz dla fotograf
    Camera Axe 3.0 - czujnikowy wyzwalacz dla fotograf Camera Axe 3.0 - czujnikowy wyzwalacz dla fotograf
    Camera Axe 3.0 - czujnikowy wyzwalacz dla fotograf

    Źródło http://www.glacialwanderer.com/hobbyrobotics/?p=325

    Fajne? Ranking DIY
    O autorze
    mi_ma
    Tłumacz Redaktor
    Offline 
    Specjalizuje się w: elektronika wojskowa
    mi_ma napisał 831 postów o ocenie 809. Mieszka w mieście Wrocław. Jest z nami od 2006 roku.
  • REKLAMA
REKLAMA