logo elektroda
logo elektroda
X
logo elektroda
REKLAMA
REKLAMA
Adblock/uBlockOrigin/AdGuard mogą powodować znikanie niektórych postów z powodu nowej reguły.

Schemat , tabele Karno - zadanie

lukas092 28 Lis 2009 11:32 3189 7
REKLAMA
  • #1 7318446
    lukas092
    Poziom 2  
    Mam za zadanie :
    Zamień NKB(Naturalny Kod Binarny) na HEX na wyświetlaczu 7 segmentowym o 4 wejściach (żeby była"1") i 7 wyjściach (a,b,c,d,e,f,g).
    Użyj tabel Karno.
    Zrób schemat. WorkBench
    Proszę o pomoc!
  • REKLAMA
  • #2 7319384
    chudybyk
    Poziom 31  
    Witam!
    Zasada jest taka: Ty pokażesz co zrobiłeś, my napiszemy jak poprawić, żeby śmigało.
    Ewentualnie możesz rzucić kasą, to może ktoś się skusi. ;-)
    Zadanie jest tak proste, że płakać się chce.
    Lenistwa nie popieramy.
    Pozdrawiam!
  • REKLAMA
  • #3 7322165
    lukas092
    Poziom 2  
    Jak bym wiedział jak zrobić to bym się nie prosił. Na razie zrobiłem tabele , potrzebuje schemat.
  • Pomocny post
    #4 7326369
    chudybyk
    Poziom 31  
    Nie potrafisz więc poradzić sobie z tablicami? Wrzuć tu kilka, to Cię naprowadzimy.
  • #5 7331975
    lukas092
    Poziom 2  
    Mam wszystkie tabele i resztę brakuje mi tylko układu. MAM TO DORZE ZROBIONE

    D-najstarszy bit A-najmłodszy

    Segment A 00 01 11 10
    00 1 0 1 1 0 1 3 2
    01 0 1 1 1 4 5 7 6
    11 1 0 1 1 12 13 15 14
    10 1 1 0 1 8 9 11 10

    ' Oznacz NEGACJE F(D,C,B,A)=∑(0,2,3,5,6,7,8,9,10,12,14,15)

    A: (ABCD)'+A'D+AD'+AB'CD'+A'BCD'+ABCD+BD'
  • REKLAMA
  • #6 7339093
    chudybyk
    Poziom 31  
    Rzeczywiście tabelkę dla segmentu A masz prawie dobrą. ;-)
    Na wyświetlaczu 7-segmentowym najwyższą cyfrą jest 9, więc cały 3 wiersz (dla liczb 12, 13, 15, 14) oraz dwie liczby w czwartym wierszu (11 i 10) mogą mieć dowolną wartość - traktujesz je w tablicy jak Ci akurat pasuje. Ja przyjąłem same jedynki, żeby tablica się ładnie poskracała. To powoduje, że w całej tablicy są tylko dwie wartości "0" - dla cyfr 1 i 4.
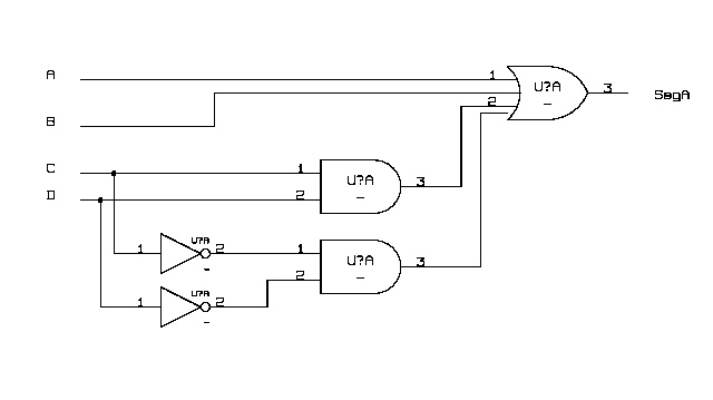
    Wyszedł mi wzór:
    segA= C + A + B*D + 'B*'D
    Narysowanie schematu na podstawie wzoru jest formalnością:
    Schemat , tabele Karno - zadanie
  • REKLAMA
  • #7 7339305
    iwanak
    Poziom 15  
    Oj, chyba schemacik nie zrealizuje napisanego wzoru.
    Czy przypadkiem b z c nie jest zamienione ?:D
    Pozdrawiam
  • #8 7339613
    chudybyk
    Poziom 31  
    No tak. Jest zamienione. :-) Sorki za oszybkę!
REKLAMA