logo elektroda
logo elektroda
X
logo elektroda
REKLAMA
REKLAMA
Adblock/uBlockOrigin/AdGuard mogą powodować znikanie niektórych postów z powodu nowej reguły.

Impedancja w kolumnie. Wpływ głośnika niskotonowego?

aroslaw3skate 28 Lis 2009 18:52 3582 12
REKLAMA
  • #1 7320208
    aroslaw3skate
    Poziom 10  
    Witam
    Czytałem gdzieś ze w kolumnie wpływ na impedancja ma tylko głośnik niskotonowy.
    Czy to prawda? Jak bym złączył głośnik nisko i wysoko tonowy(oba po 8 ohm) równolegle to impedancja kolumny wynosiłaby 8 Ohm?
  • REKLAMA
  • #2 7320270
    milo.jan
    Poziom 22  
    Głośnik nisko i wysokotonowy(oba po 8 ohm) równolegle możesz łączyć tylko musisz zastosować zwrotnicę dwudrożną, lub minimum filtr górnoprzepustowy dla głośnika wysokotonowego.
    Najprostszy filtr dla GDW to szeregowo wpięty kondensator który obcina niskie tony aby go nie spalić!
    Poczytaj tutaj:

    http://kolumny.prv.pl/zwrotnicab.php

    to od razu sobie to policzysz!
    Pozdrawiam!
  • REKLAMA
  • #3 7320271
    35mario1
    Poziom 26  
    Głośniki połączone równolegle bez zwrotnicy miałyby 4 omy. Impedancja zmienia się wraz z częstotliwością. Basowy głośnik (wraz ze swoją zwrotnicą o ile taką posiada) przy wyższych częstotliwościach osiąga kilkukrotnie wyższą impedancje niż przy małych częstotliwościach, natomiast głośnik wysokotonowy podłączony przez kondensator przy małych częstotliwościach ma dużą impedancję (gdyby nie było kondensatora głośnik wysokotonowy spaliłby się ponieważ nie jest przystosowany do przetwarzania tak dużej mocy przy małych częstotliwościach) .
  • #4 7320439
    aroslaw3skate
    Poziom 10  
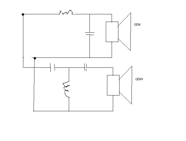
    A wiec tak:
    Impedancja w kolumnie. Wpływ głośnika niskotonowego?
    (przepraszam za estetykę pracy)
    Czy dobrze jest podłączone?
    Impedancja będzie równa 8 ohm?
    I jaka jest częstotliwość podziału głośnika niskotonowego gdn25/60 (nawet patrzyłem inne głośniki tonsila niskotonowe i tam również nie było padane Fg, jak to sie wylicza?)
    Dziękuje za odpowiedzi i Pozdrawiam
  • REKLAMA
  • #5 7320754
    milo.jan
    Poziom 22  
    Schemat wzorcowy może być, obliczenia tutaj:

    http://kolumny.prv.pl/zwrotnicab.php

    Częstotliwość podziału zależy również od tego jaki głośnik wysokotonowy zastosujesz!

    Fg to jest właśnie częstotliwość podziału którą musisz dobrać z charakterystyk głośników jakie zastosujesz.

    Dodano po 4 [minuty]:

    Poczytaj:
    http://kolumny.prv.pl/dobor.php
    http://kolumny.prv.pl/glosnik.php
  • #6 7321251
    Tomq
    Poziom 38  
    Głośnik o takiej wielkości nie zagra poprawnie średnimi tonami, dlatego nie nadaje się do kolumny dwudrożnej. Chyba, że to ma być pseudo estrada z nisko ciętym driverem, ale to już zupełnie inna bajka.

    Skoro masz nieco $$$ na głośniki to czemu nie zrobisz jakiejś porządnej sprawdzonej konstrukcji? https://www.elektroda.pl/rtvforum/topic1446841.html

    Cytat:
    Czy to prawda? Jak bym złączył głośnik nisko i wysoko tonowy(oba po 8 ohm) równolegle to impedancja kolumny wynosiłaby 8 Ohm?

    Teoretycznie tak, ale na wysokotnówke po odcięciu jej przez zwrotnice, idzie tak mała moc (max kilka W), że jej opór jest pomijalny. Dlatego zestawy dwudrożne na 8 ohm GDNie i wysokotonówce 4 czy 8 ohm traktuje się jako 8 ohm. Coś więcej można powiedzieć tylko na podstawie wykresu impedancji, np
    Impedancja w kolumnie. Wpływ głośnika niskotonowego?
  • #7 7322439
    aroslaw3skate
    Poziom 10  
    Czyli powinno to wyglądać tak?:
    Impedancja w kolumnie. Wpływ głośnika niskotonowego?
    I na głośniku wysoko tonowym mam podana częstotliwość podziału(4,8KHz) ale na głośniku niskotonowym nie. Skąd mam ja wziąć? Ma na stronie producenta tez nie ma
  • #8 7322631
    Tomq
    Poziom 38  
    Nie koniecznie tak. To jaki filtr zastosować zależy do charakterystyki przenoszenia głośnika.

    Ogólnie będzie baaaaardzo ciężko zrobić z tego coś porządnego. Teoretycznie można by się posłużyć charakterystykami tego GDNa ze strony Tonsila, ale został on tak fachowo zregenerowany, że całkiem inny głośnik wyszedł. Co do wysokotonówki, czy mi się wydaje czy nawet nie wspomniałeś jaki to głośnik?

    Cytat:
    nawet patrzyłem inne głośniki tonsila niskotonowe i tam również nie było padane Fg, jak to sie wylicza?)

    Jakie fg? Co ty chcesz z tego wyliczać?


    Podsumowując - z takim podejściem nie wyjdzie nic dobrego, jeśli nie szkoda Ci marnować na to kasy to niby coś tam się nauczysz. W praktyce szkoda twojego czasu i pieniędzy, a więcej doświadczenia zdobędziesz robiąc jakiś sprawdzony projekt.
  • REKLAMA
  • #10 7322793
    Arkadyo
    Poziom 31  
    Daj sobie spokój ze swoimi obliczeniami bo szansa że filtry zadziałają tak jak sobnie to wyliczyłeś jest żadna. Pomijam to, że fatalnie dobrałeś przetworniki. Do konstrukcji domowych dwudrożnych dobiera się przetwornik niskośredni max 18cm - bywały i na 20cm ale to już kulało na średnicy. Nawet do 18 cm potrzeba niskoschodzącej kopułki i to często w połączeniu ze stromymi filtrami. Do takiego gdn jak ten 25/60 nie dobierzesz nic. On poprostu przy pasywnych filtrach musi być na tyle nisko filtrowany, że tylko przetwornik średniotonowy do niego "zejdzie" - kopułki są za słabe lub będą strasznie nieprzyjemne przy za niskich dla nich podziałach. Także tak jak Ci radzą koledzy wyżej - skopiuj gotowy projekt, 2 drożny jak ma być tanio i przede wszystkim skorzystaj z gotowego projektu zwrotnicy z pomiarów i zapomnij o jakiś samodzielnych liczeniach filtrów do zwrotnic bo to nawet doświadczonym userom średnio wychodzi.
  • #11 7323159
    aroslaw3skate
    Poziom 10  
    W sumie to macie racje, nie powinienem się zabierać za coś takiego nie mając odpowiedniej wiedzy. Dziękuje za wasze rady i przepraszam za moja bezmyślności.
    A co sadzicie o tym głośniku? http://www.stx.pl/gdn-14-100-8-sk.html
    Jakie by do niego pasował wysokotonowiec i jakiej zwrotnicy trzeba by było użyć
  • #12 7323792
    Arkadyo
    Poziom 31  
    Do serii sk od stxa nie ma zwrotnic w pomiarów, są tylko do scx które mają lepszą średnicę od sk ale mniej basu. Możesz spróbować sk zapiąć na zwrotnicach dla scx tak jak kolega w poniższym linku i jest bardzo zadowolony. On użył 17 i Tobie też proponuje 17 bo to tylko 14 pln w cenie a dużo wiecej basu ma 17. https://www.elektroda.pl/rtvforum/topic1496853.html
  • #13 7324172
    aroslaw3skate
    Poziom 10  
    Bardzo dziękuje za pomoc
REKLAMA