wladl napisał: Mariusz O napisał: Dźwięk lampowy to chyba zniekształcenia harmoniczne nieparzyste a tranzystory generują parzyste. Mieszanie lamp z tranzystorami nic nie wnosi do odsłuchiwanego dźwięku gdyż wzmacniacz lampowy i tak podłączymy do odtwarzacza CD który zbudowany jest z tranzystorów. Wszystkie zniekształcenia się mieszają, sumują, wznoszą itd. powstaje gorszy dźwięk, mocno zniekształcony. Myslę że wzmacniacze lampowe to świetny i udany bajer potężnych korporacji które wyciągają z audiofilów masę pieniędzy, wmiawia się ludziom że ucho ludzkie uwielbia zniekształcenia nieparzyste - to jest powód dla którego produkuje się wzmacniacze lampowe które mają kiepskie parametry techniczne. Również wmawia się audiofilom że kable np z miedzi beztlenowej, lub ze złota zagrają czyściej i subtelniej. Sporo fachowców zaczyna wieżyc że tak faktycznie jest. Myśle że to jakaś paranoja.
Byłbym ostrożny przy wydawaniu radykalnych opinii. Wprawdzie nie jestem zdeklarowanym audiofilem, tylko takim okazjonalnym

. Popełniłem już parę konstrukcji wzmacniających na lampach i tranzystorach.Jakoś nie wydaje mi się aby te pierwsze mimo "kiepskich parametrów gorzej" grały od tranzystorowych. Przy tego typu urządzeniach końcowym efektem pracy jest słuchanie muzyki. Na końcu mam podłączone głośniki, a nie oscyloskop i miernik zniekształceń. Nie zawsze naukowe szkiełko i oko zwycięża z subiektywnym odbiorem wrażeń estetycznych. W temacie CD zbudowanych z tranzystorów, zrobiłem również kilka tzw. "lampizacji". Czyli wycięcie toru analogowego ze wzmacniaczami operacyjnymi za przetwornikiem, a zastąpienie go takim lub innym buforem lampowym. I świadomy jestem teoretycznie gorszych parametrów takiego układu.Zaraz podniosą się głosy że to tylko wzmacniacz sugestii

. Tylko dlaczego osoby nie obeznane z zagadnieniem i nie mające żadnej wiedzy w temacie wybierały w odsłuchu jednoznacznie lampizowany odtwarzacz jako zdecydowanie lepiej grający.
Lampy i tranzystory mają swoją specyfikę. Można, a nawet trzeba próbować łączyć te dwa światy.
Jeśli efekt końcowy podoba się, zostawiamy. Jak nie, szukamy dalej. Kategoryczne szufladkowanie jak wydaje mi się jest trochę złym podejściem.
Witam, tak różnica jest ogromna jak włożyłeś bufor lampowy

[bez komentarza]
Na temat ślepych testów to może lepiej nie rozmawiajmy bo:
podczas testu wieszakowego wyszło że wieszaki grają lepiej - choć audiofile wszczeli protest bo faza w gniazdku była przesunięta w fazie.
podczas innych ślepych testów odsłuchowych zazwyczaj jest 50/50 bo nie słychać różnicy - tutaj jest protest że wzmacniacz musi być osłuchany etc.
itd.
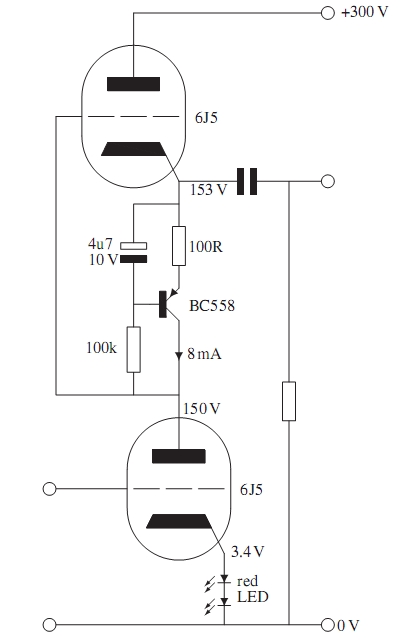
Czy ten układ posiada lampowe brzmienie ? pewnie tak - choć nie do końca. Podobna aplikacja [ bez użycia półprzewodników] istnieje dla Pentod EL86 w datasheet'cie PHILIPS'a. Zbudowałem ten układ jako wzmacniacz słuchawkowy [impedancja wyjściowa nominalna 800-1k] (podłączone słuchawki 600R) - Dla nominalnych wartości obciążenia i zasilania, tj 800R-1k i 300V anodowego układ dostarcza 4,8W przy 10%THD. Czy brzmi lampowo ? przy mniejszych mocach raczej tak średnio. Tak naprawdę w układach lampowych najbardziej pociągające jest przysiadające napięcie i zniekształcenia wprowadzane przez transformator wyjściowy - czego w układach pracujących w klasie A i OTL nie mamy...
Tak naprawdę to audiofilom dogodzić się nie da - bo firma X produkując CD na opampach - mimo że dany produkt miał świetne parametry, niskie THD, szerokie pasmo najlepsze op-ampy BB i takie tam przez grupkę 'audiofilów' tuningowców którzy zmieniają bufor na opampie na bufor lampowy - ki czort i róźnica jak jedno i drugie jest 'aktywnym tłumikiem'? Natomiast jak firma zrobi już CD z buforem lampowym - podniesiony jest protest i testy - jak kiepskie parametry pasma THD ma dany produkt.
Zresztą audiofilizm to jest choroba i to kretyńska - są tacy zapaleńcy montujący trafa separujące - złote końcówki super kable z miedzi beztlenowej super gniazda złączki itp itd i jeszcze śmią twierdzić że gra inaczej - ale po wymianie takich detali zapominają o jednej ważnej rzeczy, że w większości wypadków mają alumioniowe kable w ścianach, na tej fazie jest 100innych urządzeń w bloku lub ulicy itp itd...
Pozdrawiam