#1 7347956 05 Gru 2009 14:16 kmitki kmitki Poziom 22 #1 7347956 05 Gru 2009 14:16 Witam. Potrzebuję pilnie opis pinów sterownika ECU audi 80 B-4 1.9TDI 90KM 1992r. Silnik to 1Z sterownik ma 56 pinów.
#2 7348012 05 Gru 2009 14:31 emeryt2 emeryt2 Poziom 42 Pomocny post? (0) #2 7348012 05 Gru 2009 14:31 Mam papierowy , skanu nie zrobię. Co Cię interesuje , podaj.
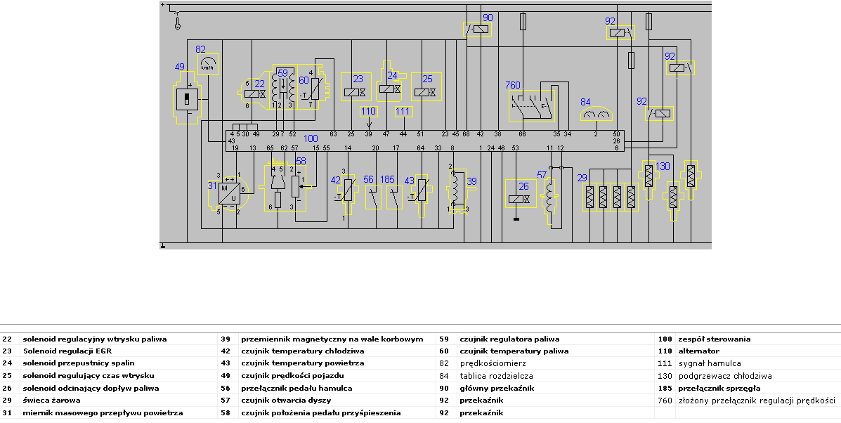
#3 7348079 05 Gru 2009 15:00 kmitki kmitki Poziom 22 Autor tematu Pomocny post? (+2) #3 7348079 05 Gru 2009 15:00 Na które styki przychodzi zasilanie, a najchętniej to opis wszystkich styków. Dodano po 9 [minuty]: sterownik wygląda tak jak na zdjęciu.https://obrazki.elektroda.pl/33_1260021570.jpg
Pomocny post #4 7348247 05 Gru 2009 15:35 emeryt2 emeryt2 Poziom 42 Pomocny post? (+2) Pomocny post #4 7348247 05 Gru 2009 15:35 Masy: 1 , 24 , 46 Po zapłonie / po 15/ : 23 , 38 , 42 , 45 i 68.
Pomocny post #5 7348642 05 Gru 2009 17:18 Konto nie istnieje Konto nie istnieje Konto nie istnieje Pomocny post #5 7348642 05 Gru 2009 17:18 Mam dwa do wyboru z dwóch różnych programów:
#6 7349099 05 Gru 2009 18:56 kmitki kmitki Poziom 22 Autor tematu Pomocny post? (0) #6 7349099 05 Gru 2009 18:56 Super dzięki wam. Do mojego sterownika jest ten pierwszy schemat bo ten drugi to jest do sterownika 68 pinowego. Dzięduje za pomoc:)
#7 8581466 04 Paź 2010 07:42 Aras74 Aras74 Poziom 12 Pomocny post? (0) #7 8581466 04 Paź 2010 07:42 Może ma ktoś opis sterownika do audi 1.8 monowtrysk Motronic 25pinów? Chodzi głównie zasilanie po zapłonie. Dodano po 2 [minuty]: sory. Ten Motronic ma 35 pinów
#8 8585072 05 Paź 2010 07:32 Aras74 Aras74 Poziom 12 Pozytywne oceny Pomocny post? (+6) #8 8585072 05 Paź 2010 07:32 http://www.euroscan.hu/ecu.html ładny opis wszelkich komputerów w j.angielskim. ale jest do zrobienia tłumaczenie przez google tłumacz. Pozdrawiam
#9 17264216 07 Cze 2018 22:53 zbyszekavant zbyszekavant Poziom 1 Pomocny post? (0) #9 17264216 07 Cze 2018 22:53 panowie....pomóżcie... kto wie w które piny wpiąć sygnał ze sterownika klimatyzacji do komputera... chodzi o audi 80 1z 1994 bosch 55 pin bo wszędzie są schematy ale nie ma nic o klimie...????