Witam Was serdecznie!
Zwracam sie do Was z prośbą o pomoc, ponieważ mi już się pomysły skończyły
A więc zacznę od tego, ze zrobiłem układzik oparty na atmedze32(TQFP), polutowalem ladnie pięknie, podlaczam do programatora i banan na ryju, bo widze, ze ponyprog wykyrwa go bez problemu, wgrywam mu pierwszy program jakiego zawsze uzywam, czyli program ktory polega na kalibracji USARTA (zwieksza co 0,1sek wartosc OSCCAL i mi ja wyswietla) i ku mojemu zdziewieniu ciagle dostaje slaczki, z czego zdecydowana większość to <NULL>. Sprawdzilem, czy na pewno baudrate, czestotliwosc, parzystosc, bity stopu i takie tam pierdoly sie zgadzaja, i niby wszystko ok.
Postanowilem zrobic diagnostyke portow i napisalem program, ktory na zmiane wlacza i wylacza wszystkie porty, po czym sprawdzalem dioda poszczegolne nozki i ku mojemu zdziwieniu przy dwoch nozkach dioda wogle nie swiecila, natomiast przy paru świeci ciaglym, ale lżejszym swiatlem. Co wiecej porty te maja ten "lzejszy stan wysoki" nawet podczas programowania.
No... a wracajac do tego USARTA, to kiedy nie nadaje to ciagle ma stan wysoki, dlatego pewnie dostawalem cale strony <NULL>. Aczkolwiek co ciekawe, kiedy wylaczam usarta programowo, to port dziala poprawnie.
Teraz pytanie do Was drodzy koledzy: Czy myslicie, ze po prostu spaliem atmege przy lutowaniu (dodam, ze to moje pierwsze lutowanie smd)? Jesli tak to troche dziwne, bo wydawalo mi sie, ze jak sie spali atmege, to wogle nie odpowiada...
Nie wiem juz co o tym myslec, licze na Wasza pomoc!
Pozdrawiam!
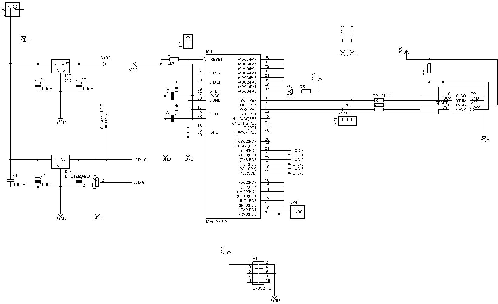
PS. Jeszcze dam Wam projekt, moze coś złego na nim dojrzycie
![[atmega32][smd] Spalone pojedyncze porty? [atmega32][smd] Spalone pojedyncze porty?](https://obrazki.elektroda.pl/9_1260110909_thumb.jpg)
Zwracam sie do Was z prośbą o pomoc, ponieważ mi już się pomysły skończyły
A więc zacznę od tego, ze zrobiłem układzik oparty na atmedze32(TQFP), polutowalem ladnie pięknie, podlaczam do programatora i banan na ryju, bo widze, ze ponyprog wykyrwa go bez problemu, wgrywam mu pierwszy program jakiego zawsze uzywam, czyli program ktory polega na kalibracji USARTA (zwieksza co 0,1sek wartosc OSCCAL i mi ja wyswietla) i ku mojemu zdziewieniu ciagle dostaje slaczki, z czego zdecydowana większość to <NULL>. Sprawdzilem, czy na pewno baudrate, czestotliwosc, parzystosc, bity stopu i takie tam pierdoly sie zgadzaja, i niby wszystko ok.
Postanowilem zrobic diagnostyke portow i napisalem program, ktory na zmiane wlacza i wylacza wszystkie porty, po czym sprawdzalem dioda poszczegolne nozki i ku mojemu zdziwieniu przy dwoch nozkach dioda wogle nie swiecila, natomiast przy paru świeci ciaglym, ale lżejszym swiatlem. Co wiecej porty te maja ten "lzejszy stan wysoki" nawet podczas programowania.
No... a wracajac do tego USARTA, to kiedy nie nadaje to ciagle ma stan wysoki, dlatego pewnie dostawalem cale strony <NULL>. Aczkolwiek co ciekawe, kiedy wylaczam usarta programowo, to port dziala poprawnie.
Teraz pytanie do Was drodzy koledzy: Czy myslicie, ze po prostu spaliem atmege przy lutowaniu (dodam, ze to moje pierwsze lutowanie smd)? Jesli tak to troche dziwne, bo wydawalo mi sie, ze jak sie spali atmege, to wogle nie odpowiada...
Nie wiem juz co o tym myslec, licze na Wasza pomoc!
Pozdrawiam!
PS. Jeszcze dam Wam projekt, moze coś złego na nim dojrzycie