logo elektroda
logo elektroda
X
logo elektroda
REKLAMA
REKLAMA
Adblock/uBlockOrigin/AdGuard mogą powodować znikanie niektórych postów z powodu nowej reguły.

Gorący ATmega8 i swiecace Ledy

skynet77 07 Gru 2009 00:13 2052 15
REKLAMA
  • #1 7355502
    skynet77
    Poziom 10  
    Jeszcze raz dziś ja :)

    Zbudowałem zestaw startowy z popularnego kursu AVR Gcc dla AVrów,
    Zbudowałem zasilacz z transformatora, mostka i kondensatora, gdzie na wyjściu po wyprostowaniu było 16V.
    Podłączyłem do stabilizatora 7805 i całosc do układu z diodami i uC.
    ....
    ....wszystko zaczęło sie grzać w szczególności Mega i 7805 co wydaje sie dziwne otó układ sprawdziłem 100 razy !!! Jestem zawiedziony :( Dodam ze na wyjście stabilizatora miałem 5.12V a atmega jest do 5.5 ? Prawda ? Tak wiec nie rozumie !
    Ledy natomiast podłączone świecą a przecież uC nie zaprogramowany, jakby był w środku zwarty ;/
    Czy mogłem uszkodzić ATmege dotykając ja paluchami ? Czy moze kupiłem uszkodzoną w co nie wierze 1/1000 :( ;;załamka;;
  • REKLAMA
  • #3 7355676
    skynet77
    Poziom 10  
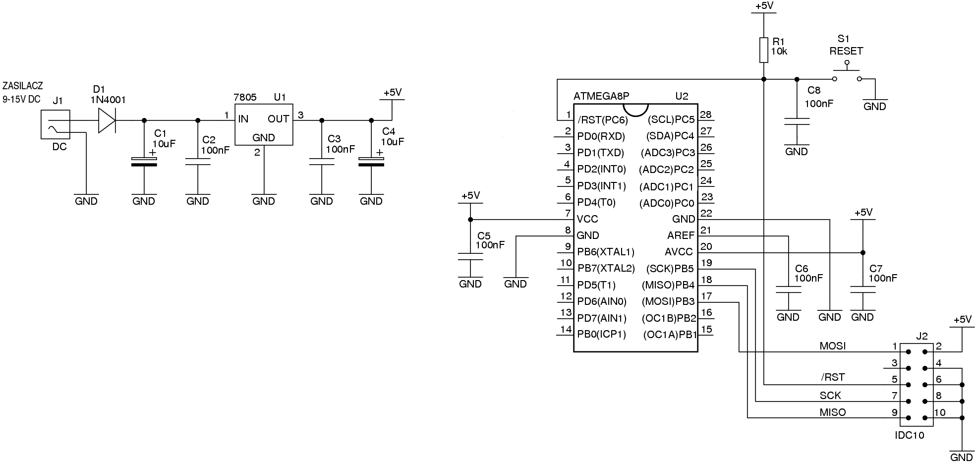
    Dla jasności umysłu dodaje schemat:

    Gorący ATmega8 i swiecace Ledy

    Gorący ATmega8 i swiecace Ledy
  • #4 7355751
    Konto nie istnieje
    Poziom 1  
  • #5 7356009
    mirekk36
    Poziom 42  
    Witam,

    To że grzeje ci się 7805 któremu na wejście dajesz aż 16V to wcale nie dziwne. Ale nawet jak byś mu dał 8 - 9 V to też by się grzał przy poborze przez układ prądu już większego niż ze 100mA. Więc grzaniem 7805 to się nie dziw tylko dawaj mu niższe napięcia na wejściu i zawsze jakiś radiator.

    Być może jeśli to jest jakaś mała płyteczka to skoro 7805 bez ardiatora się "gotuje" to może procek jest na tyle blisko niego, że podgrzewa się od niego ;) ?

    Schemat wydaje się być prawidłowy a jak chcesz żeby diody LED ci nie świeciły przy niezaprogramowanym procku to podłączaj je Katodą do pinu a anodą przez rezystor do VCC. No i rezystory nie muszą być aż 1K ;) wystarczy ze 330-470R nawet na oko bez obliczeń ;)

    Generalnie nie przejmuj się że u ciebie one świecą gdy procek jest niezaprogramowany. Bardziej się będziesz musiał martwić jeśli okaże sie, że nie jest widziany przez programator. Czy próbowałeś go w ogóle programować czy odczytywać ???? czy tylko na razie siedzisz i martiwsz się, że diody się świecą ?
  • REKLAMA
  • #6 7356501
    xury
    Specjalista automatyka domowa
    Przede wszystkim, tak jak kolega mirekk36 powyżej radzi odnośnie zmiany sposobu wysterowania LED. W nocie można sprawdzić jaka jest obciążalność pinów w stanie wysokim.
    Co do uszkodzenia przez dotykanie to mało prawdopodobne. Wiele razy zdarzyło mi się wsadzić uC odwrotnie do podstawki i Atmega przeżyła.
  • REKLAMA
  • #7 7357352
    kwesoly
    Poziom 15  
    mirekk36 napisał:

    Schemat wydaje się być prawidłowy a jak chcesz żeby diody LED ci nie świeciły przy niezaprogramowanym procku to podłączaj je Katodą do pinu a anodą przez rezystor do VCC.


    A procesory z rdzeniem AVR nie mają po włączeniu portów ustawionych jako wejście? Czy też brak programu w środku powoduje takie dziwne zachowanie?
  • REKLAMA
  • #8 7357517
    mirekk36
    Poziom 42  
    kwesoly napisał:

    A procesory z rdzeniem AVR nie mają po włączeniu portów ustawionych jako wejście? Czy też brak programu w środku powoduje takie dziwne zachowanie?


    oczywiście, że po resecie są ustawione jako wejścia oraz nie są podciągnięte wewnętrznymi rezystorami do VCC. Tak więc są w tzw 3stanie. A diody mogą być może świecić gdy są podłączone w ten sposób bo może jakiś minimalny prąd przez nie przepływa. Gdy na wejściu są stany nieustalone to może być że jest na nich napięcie powyżej przewodzenia diody LED.

    DLatego choćby z tego powodu ja zawsze ledy podłączam Katodą.
  • #9 7358645
    skynet77
    Poziom 10  
    Chyba nie jasno sie określiłem !

    Programator a raczej program nie wykrywa uC !

    7805 jest daleko od uC i posiada swój radiator, a podaje na niego napięcie z zasilacza 900mA. Pomysłowe to grzanie sie procka od LMa hhahaha ale niestety procek grzeje sie w środku ! i jest odsuniety dalllllleeeeeeeeko od 7805.
    Dla tego podpiołem diody w ten sposób, otóz tak jest w kursie, więc ten kto go pisał chyba wiedział co robi prawda ?? Ale dziekuje za pomoc. Skoro mówicie ze tak jest lepiej to tak zrobie.

    I nie jest rzeczą realna dla mnie ze przez linie portu przepływa jakis ''minimalny prąd'' (chyba) bo 1LED siweci ultra jasno, druga normalnie, 3 minimalnie ciemniej 4 mniej a 5,6,7,8 wcale !!! Tak, jakby był w środku zwart z vcc.

    W dodatku po podłączeniu zasilania do zestawu, uC po 5s jest taki gorący ze czekam drugie 5 i odpalam od niego fajka :D ...boje sie zeby mi nie strzelił w oczy haha bo raz podłaczyłem jakąs kostke do zmiennego i miałem fajerwerki (czasami wykorzystywalismy tą metode z kolegami jak trzeba było ognia a nikt nie miał zapalniczki ;)
    ....nie no na serio potrzebuje pomocy bo załamka ;/ A moze to brze buzzer bo mam jakis nietypowy ? Ale chyba jesli uC nie jest zaprogramowany to buzzer takze nie dostaje napięcia prawda ?
  • #10 7358735
    mirekk36
    Poziom 42  
    skynet77 napisał:
    Chyba nie jasno sie określiłem !

    Programator a raczej program nie wykrywa uC !

    7805 jest daleko od uC i posiada swój radiator, a podaje na niego napięcie z zasilacza 900mA. Pomysłowe to grzanie sie procka od LMa hhahaha ale niestety procek grzeje sie w środku ! i jest odsuniety dalllllleeeeeeeeko od 7805.
    Dla tego podpiołem diody w ten sposób, otóz tak jest w kursie, więc ten kto go pisał chyba wiedział co robi prawda ??


    prawda, prawda ktoś wiedział - tylko nie wiedział co ty zrobisz, tak samo zresztą jak my.

    Nie krzycz tak i nie żołądkuj się, bo skoro z takim podstawowym układem masz problem to można chyba przypuszczać , że jesteś bardzo początkujący i możesz robić niechcąco różne dziwne rzeczy.

    Skoro teraz łaskawie wyjaśniłeś bardziej to można przypuszczać, że rzeczywiście smażysz procka i być może już nigdy się nie obudzi po twoich operacjach.

    Proponuję ci jednak (nie denerwując się na takie porady) po raz nawet tysięczny sprawdzić zasilanie skoro sam procek oddalony od twojego 7805 z radiatorem - jest tak gorący, że aż parzy.

    I nie doszukuj się problemów w buzerach i innych.

    Ja bym w takim razie na twoim miejscu zrobił prosty, prościutki, najprostszy test, który zapewne by ci wiele wyjaśnił i doszedłbyś szybko co się dzieje i gdzie robisz babola.

    Odłącz wszystko od procka (diody, tranzystory, buzzery itp) - podłącz tylko i wyłącznie zasilanie na te nóżki które trzeba (bo być może coś pomieszałeś z nimi) i zobacz czy się wtedy grzeje?

    jeśli się nie będzie grzał - to podłącz programator - i zobacz czy się grzeje

    jeśli nie będzie się grzał - to spróbuj go odczytać lub zapisać.

    A dalej podejrzewam, że sam sobie odpowiesz i zobaczysz co i jak
  • #11 7359218
    Andrzej_;)
    Poziom 14  
    Miałem bardzo podobny problem.
    Okazało się że trzeba było wyciągnąć procka obrócić o 180 stopni i wsadzić w swoje miejsce. Przypuszczam że to ten sam przypadek. :D
  • #12 7360205
    skynet77
    Poziom 10  
    Dziękuje za rady. Wspomnę tylko że u mnie zdanie z kropką do zdanie oznajmiające, zdanie z jednym wykrzyknikiem to zdanie ''wyraźnie oznajmiające'' gdzie nie jestem wcale zdenerwowany. Zaś zdanie z ponad 3ma wykrzyknikami......jestem i to bardzo :)

    Nie denerwowałem się, poprostu lubię sadzić wykrzykniki ! Ale ok, skoro wkurzające to przestane ! :)


    Zrobiłem jak mówił mirekk36 podłączyłem uC do samego zasilania i......nic, nie grzeje sie !
    We wtyczce programatora musiałem zmostkować piny 2-12 3-13 jak przeczytałem w innym poscie, inaczej ponyprog pokazywał failed przy Probe. Po zmostkowaniu działa :)
    Prbówałem także obciązyć stabilizator kilkoma diodami (wielkie mi obciążenie) ale ten sie w ogóle nie grzeje.
    Znaczy to ze błąd jest w układzie lub uC jest przepalony w innym miejscu niz zasilanie.
    Programator znajduje uC, przeczyta go i wyczyści ale dopiero kiedy wcisnę Ignore inaczej wyskakuje błąd.
    Po włożeniu uC do układu na powrót wszystko zaczyna się piekielnie grzać :)
    Jutro zmontuje nowy układ na płycie uniwersalnej i zobaczymy wtedy.
    Dodam ze zapomniałem w układzie podłączyć pin8 do GND i dopiero teraz to zauważyłem i poprawiłem. Czy może dla tego uC sie spalił ?

    Reszta wygląda na poprawnie zmontowaną.
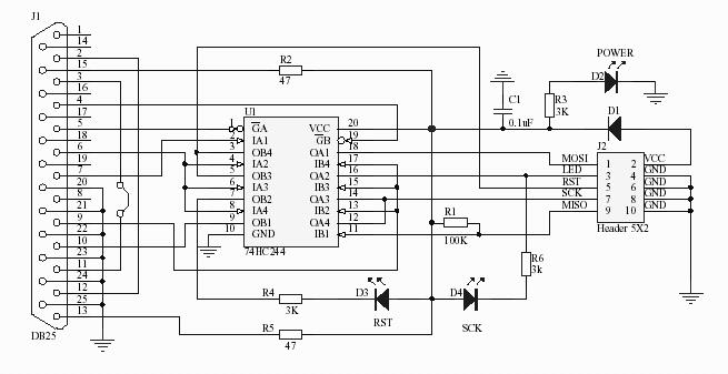
    Programatora jakiego używam to STK200 umieszczony na pokładzie willema 4 ISP otóż narazie nie mam dostępu do innego programatora a zbudować nie mogę bo w mojej metropolii nie mają bufora 74HC244 a jedynie dostałem jakiś UCy74L244.

    Czy ten programator jest aby dobry ?

    Gorący ATmega8 i swiecace Ledy

    tylko proszę nie podawajcie mi linków do innych, pytam o ten, bo ma 3 LEDy :)) .....co 3 ledy to nie jedna.
  • #13 7360336
    kamyczek
    Poziom 38  
    Podeślij listing programu zobaczymy co tam napsułeś ;)
  • #14 7360510
    mirekk36
    Poziom 42  
    Otóż to, zmontuj jeszcze raz poprawnie układ i na samym podłączonym poprawnie zasilaniu - przy podłączonym programatorze najpierw musi się procek poprawnie odczytywać i programować. Tylko zapomnij o klawiszu IGNORE w ponyprogu. Bo wielu ludzi pisze tu na elektrodzie, że :

    "ponyprog czyta mi zawartość procka poprawnie ale tylko wtedy gdy wcisnę IGNORE jak wyskoczy błąd "coś tam coś tam -24" "

    a to jest bzdura - bo po prostu po zignorowaniu ponyprog dalej czyta już sobie dane z kosmosu a nie z procka.

    Ale z tego co piszesz wynika, że po zmostkowaniu czegoś tam - już nie pojawia ci się żaden błąd pczy czytaniu ani klawisz IGNORE. Więc z tym powinieneś mieć już OK

    Natomiast na pytanie czy mógł się usmażyć na amen procek gdy nie podłączyłeś GND ???? - no pewnie, że mógł tym bardziej, że się tak grzał ;) .... ale wszystko zależy jak długo pozwalałeś mu się tak wygrzewać ;) bo czasem krótkotrwałe męczarnie/tortury z zasilaniem AVRek potrafi dzielnie znieść i przeżyć - sam to już sprawdzisz ;)
  • #15 7377221
    skynet77
    Poziom 10  
    Tak więc zmontowałem wszystko jeszcze raz na płytce uniwersalnej, podłączyłem a tu plansza ;/
    Chyba tym GND usmażyłem uC. A więc nie taki AVR Twardy jak go malują. Jeśli podłanczam samo zasilanie do uC nic się nie grzeje, ani stabilizator, ani uC.
    Natomiast jeśli podłącze cokolwiek na peryferia, to momentalnie zaczyna sie grzać z prędkością C ;)
    Nie pozostaje nic innego jak zakupić nowego megę i zobaczyć wtedy.
    A programatorek ze schematu złożyłem i chodzi elegancko. Czytałem w innym temacie Wasze wypowiedzi na temat ''po co Ci dioda na liniach we/wy'' w programatorze, ale tutaj właśnie chodzi o malutką luminofonię, wtedy cieszy oko i widać ze coś tam działa.
    Wiem, wiem, wiem w niektórych przypadkach się nie sprawdza, ale zawsze ta jedna dioda cieszy oko. Jestem facetem, a faceci są wzrokowcami.
    mirekk36, a może klawiaturę ze schematu także powinienem podłączyć w ''drugą strone'' (do Vcc) ? Czy to już różnicy nie robi ?


    PS. mam pytanie, dla czego ubywa mi punktów za każdym razem kiedy napiszę posta ? :(
  • #16 7377397
    mirekk36
    Poziom 42  
    Klawiaturkę masz zrobioną zdecydowanie dobrze ;) .... jak już się podłącza "słicze" to właśnie w ten sposób. Niektórzy jeszcze podciągają te linie portów jakimś rezystorem do VCC ale ja nigdy. Zwykle wystarcza programowe podciągnięcie wewnętrzym rezystorem do VCC.
REKLAMA