logo elektroda
logo elektroda
X
logo elektroda
REKLAMA
REKLAMA
Adblock/uBlockOrigin/AdGuard mogą powodować znikanie niektórych postów z powodu nowej reguły.

Gemini autoalarm Poszukuję wartości opornika

Jamaica9 07 Gru 2009 12:12 4649 4
REKLAMA
  • #1 7356361
    Jamaica9
    Poziom 10  
    Witam wszystkich forumowiczów.
    Poszukuje wartości opornika przedstawionego na zdjęciu ponieważ mój uległ zniszczeniu i nie mogę odczytać z niego wartości jeśli ktoś posiada podobną centralkę to wystarczy że prześle mi zdjęcie swojej albo napisze tutaj lub na gadu 9319476 Pozdrawiam Gemini autoalarm Poszukuję wartości opornika Gemini autoalarm Poszukuję wartości opornika
  • REKLAMA
  • #2 7361280
    Jamaica9
    Poziom 10  
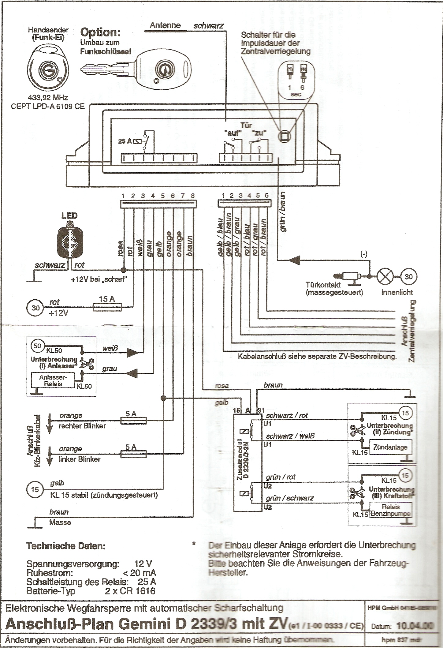
    Witam oto schemat podłączenia dla zainteresowanych ;) model gemini D2339/3 Pozdrawiam
    Gemini autoalarm Poszukuję wartości opornika

    Dodano po 2 [godziny] 47 [minuty]:

    Czt ktoś wie może jak zaprogramować pilot w tym alarmie tylko wolałbym instrukcje po polsku ;)
  • REKLAMA
  • #3 7364853
    gigi-44
    Poziom 27  
    Jamaica9 napisał:
    Witam wszystkich forumowiczów.
    Poszukuje wartości opornika przedstawionego na zdjęciu ponieważ mój uległ zniszczeniu i nie mogę odczytać z niego wartości jeśli ktoś posiada podobną centralkę to wystarczy że prześle mi zdjęcie swojej albo napisze tutaj lub na gadu 9319476 Pozdrawiam Gemini autoalarm Poszukuję wartości opornika Gemini autoalarm Poszukuję wartości opornika


    Jak na moje oko to będzie 110 Ohm, jak jest szansa wstawić zdjęcie od strony druku to było by miło.
  • REKLAMA
  • #4 7376619
    Jamaica9
    Poziom 10  
    Znalazłem takie samo urządzenie na ebay-u i wysłałem niemcowi wiadomość . Ten mówi że rezystor ma trzy kreski: brązową, czarną i czarną Niemiec mówi że to 10 ohm Może to ktoś potwierdzić ?
  • #5 7376900
    gigi-44
    Poziom 27  
    Faktycznie walnąłem się brąz czarny czarny to 10 ohm a nie 100 jak napisałem wcześniej te oporniki są zabezpieczeniem przy przekaźnikach przynajmniej tak to wygląda na zdjęciu.

    Gemini autoalarm Poszukuję wartości opornika
REKLAMA