logo elektroda
logo elektroda
X
logo elektroda
REKLAMA
REKLAMA
Adblock/uBlockOrigin/AdGuard mogą powodować znikanie niektórych postów z powodu nowej reguły.

Opel Vectra C przednie lewe swiatlo mijania nie dziala

Jacek S. 08 Gru 2009 14:17 34128 12
REKLAMA
  • #1 7361282
    Jacek S.
    Poziom 10  
    Witam

    Mam problem jak w temacie. nie dziala mi przednie lewe swiatlo mijania ale zarowka jest dobra. Przy wlaczonym kierunkowskazie wyciagnalem zarowke z lampy i w momencie wyciagania zaczela swiecic. wlozylem spowrotem i dzialala do momentu wylaczenia silnika i swiatel. kiedy probowalem wlaczyc swiatla ponownie znow nie dzialalo. powtorzylem numer z kierunkowskazem i znow zaczelo dzialac...
    co to moze byc? ktos ma jakis pomysl? nie znam sie zupelnie na elektryce wiec jak ktos wie co to to prosze mi powiedziec prostymi slowami :)

    z gory dzieki
  • REKLAMA
  • #2 7361938
    tomrom1985
    Poziom 30  
    W oprawce żarówki przeczyść styki do niej oraz w na żarówce. Gdybyś znał się trochę na elektryce to zaproponowałbym sprawdzenie miernikiem napięcia na zaciskach żarówki. Jednym słowem sprawdź połączenie żarówki bo może konektorek nie łączy, przeczyść dognij i ciesz się światłem.
  • #3 7363052
    tomrom1985
    Poziom 30  
    Na 99% powinno to być to. Jak coś innego to będziemy szukać dalej :-)
  • #4 7363237
    Megawe
    Poziom 34  
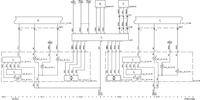
    Schemat podłączenia przednich lamp w Vektrze C

    Opel Vectra C przednie lewe swiatlo mijania nie dziala
  • REKLAMA
  • #5 7387920
    Jacek S.
    Poziom 10  
    dzieki za schemat, ale jak napisalem nie znam sie na elektryce i nic mi on nie mowi :)
    probowalem przeczyscic styki i popodginac ale nic to nie daje :/
    znaczy sie swiatlo dziala jak wykrecam albo jak wkrecam zarowke w zaleznosci jak mu sie zachce:)
    jak zacznie dzialac i wylacze swiatla i wlacze to dziala ale jak poczekam dluzej to juz nie:/
  • #6 7388032
    Konto nie istnieje
    Konto nie istnieje  
  • #7 7388080
    Jacek S.
    Poziom 10  
    Sprobuje wymienic bezpiecznik i zobaczymy.
    co to jest ten UEC? :)
  • REKLAMA
  • #8 7388087
    Konto nie istnieje
    Konto nie istnieje  
  • #9 7396975
    Jacek S.
    Poziom 10  
    Bezpiecznik wymienilem i dalej nie dziala :/
  • REKLAMA
  • #10 7397158
    Konto nie istnieje
    Konto nie istnieje  
  • #11 7397269
    Jacek S.
    Poziom 10  
    nie raczej nie.

    nie wiem czy to ma znaczenie ale wczesniej dzialo mi sie cos podobnego z tylnim swiatlem. kontrolka mi sie zapalala ze zarowka spalona ale po chwili znikala i zarowka dzialala. bylem pozniej u mechanika (wymieniali walek i mechanizm roznicowy) ii odlaczali akumulator. na drugi dzien po powrocie od mechanika zaczelo mi sie to dziac z przednim swiatlem.

    tylnie dziala ale nie wiem czy kontrolka sie zaswieca czy nie bo jest tylko jedna.
  • #12 7397499
    Konto nie istnieje
    Konto nie istnieje  
  • #13 7397888
    MakroSerwis
    VIP Zasłużony dla elektroda
    Dokładnie jak wyżej i nie mówię tego złośliwie. Nie ucz się elektryki na swoim samochodzie, to nie jest PF126p. Jedź do elektryka, na pewno znajdzie usterkę w kilka chwil.
    Zamykam.
REKLAMA