logo elektroda
logo elektroda
X
logo elektroda
REKLAMA
REKLAMA
Adblock/uBlockOrigin/AdGuard mogą powodować znikanie niektórych postów z powodu nowej reguły.

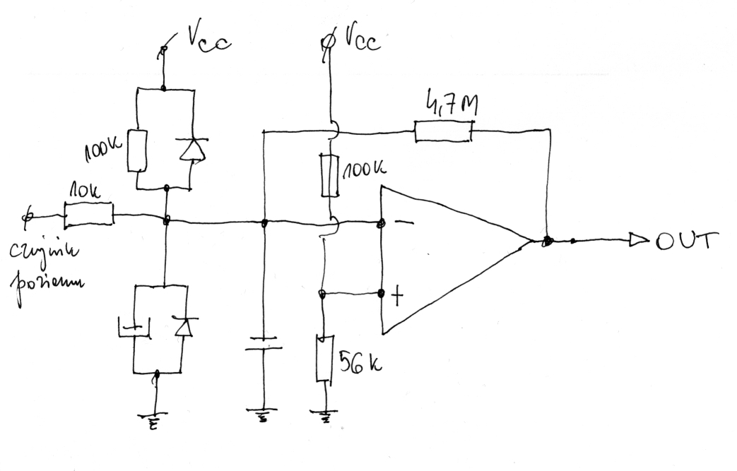
Czujnik poziomu wody na wzmacniaczu operacyjnym LM358.

gkgkgk 09 Gru 2009 22:19 3595 10
REKLAMA
  • #1 7368227
    gkgkgk
    Poziom 11  
    Witam i pozdrawiam forumowiczów,

    mam taki układ, który wykrywa prawidłowy poziom wody w łaźni wodnej:

    Czujnik poziomu wody na wzmacniaczu operacyjnym LM358.

    Mam pytanie, który element tego układu należy skorygować, by układ stał się czulszy? W tej chwili układ wyczuwa obecnośc zwykłej wody z kranu, ale wody destylowanej już nie "widzi"? Wymieniłem wzmacniacz operacyjny, ale nic to nie dało. Oporniki sprawdzone omomierzem - są dobre. Diody sprawdzone miernikiem uniwersalnym, też dobre. Chciałbym zwiększyć czułość układu, by reagował na wodę destylowaną o dużo mniejszej przewodności niz kranówa, ale z drugiej strony, przez rok od kupna urządzenie działo dobrze z wodą destylowaną. Czy pozostałe elementy - kondensatory mogą tak zmienić zachowanie układu (ich nie mam jak sprawdzić, mogę ewentualnie wymienić w ciemno)? Chciałbym wcześniej to wyjaśnić i zrozumieć,

    pozdrawiam
  • REKLAMA
  • #2 7368293
    brofran
    Poziom 40  
    Mozna sprobowac wymienić elektrolita - lubią mieć upływności , oraz zwiekszyć wartosc rezystora 4,7M na np. 10 MΩ.
  • #3 7368431
    gkgkgk
    Poziom 11  
    Witam,

    1) a jaką rolę pełni część schematu po lewej stronie - dioda/kondensator i dioda/opornik
    2) czy wspomnia upływność zmniejszy rzeczywiście czułość układu?

    pozdrawiam
  • REKLAMA
  • #5 7371431
    gkgkgk
    Poziom 11  
    Witam,

    wymieniłem kondensator elektrolityczy z wejścia i nadal układ na zwykłej wodzie sygnalizuje poziom wody, a dla destylowanej nie, jakieś sugestie, :-) ?

    pozdrawiam
  • REKLAMA
  • #6 7371487
    Wirnick
    Poziom 30  
    Witam.
    Zwiększ opornik "100k"(równoległy do diody).
  • REKLAMA
  • Pomocny post
    #7 7371528
    brofran
    Poziom 40  
    1. zwieksz wartosc rezystora 4,7M
    2. włacz w szereg rezystora 56k potencjometr 25 k i reguluj
    3. to samo powtorz dla rezystora 1oo k ( wejscie + scalaka )
  • #8 7371821
    gkgkgk
    Poziom 11  
    Witam,

    @Wirnick
    Bingo! Na próbę dałem +100k i działa! Dziękuję, :-). Jeszcze na koniec jedno pytanie, jaka powinna być relacja między wejściem + (1,82V), a wejściem -?. Teraz na wejściu - jest 1,57V dla 200k przy zalanym czujniku. Być może można bardziej optymalnie dobrać wspomniany opornik.

    @brofran
    W trakcie pisania odpowiedzi dla Wirnick nie zauważyłem Twojej uwagi. Dziękuję za nią. Dodam tylko, gwoli wyjaśnienia, że zwiększenie opornika w sprzężeniu (zrobiłem to wcześniej) nie dało efektu

    pozdrawiam i dziękuję pozostałym.
  • #9 7372541
    Wirnick
    Poziom 30  
    Zwiększanie opornika jest doregulowaniem pogarszającego się stanu sądy i połączeń (roczna eksploatacja).
  • #10 7372625
    gkgkgk
    Poziom 11  
    Witam,

    a poziomy napięć na wejściach + i -? Czy nie powinny być równe przy zalanym czujniku? Chodzi mi o to, by znów układ nie wyskoczył z poprawnego stanu po jakimś stosunkowo krótkim czasie, (by nie był na skraju poprawnego zakresu).

    pozdrawiam
  • #11 7372749
    Wirnick
    Poziom 30  
    Równowaga wejść powoduje ustalenie połowy napięcia zasilania na wyjściu OUT i od następnego elementu zależy działanie układu. W miejsce "100k" lub "56k" wstaw potencjometr - będzie możliwość doregulowania.
REKLAMA