Witam
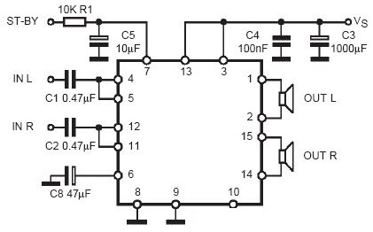
Poskładałem ostatnio sobie 25W wzmacniacz. http://www.elportal.pl/pdf/k18/27_14.pdf Jest to jedna z moich pierwszych konstrukcji
Po ukończeniu, nadszedł czas na pierwszy test. Wszystko działa bez zarzutu, więc postanowiłem że zamontuje go sobie do auta, ponieważ radio które obecnie posiadam ma wzmocnienie 25W na kanał a tylnich trójdrożnych głośników prawie wcale nie słychać. Po podłączeniu wzmacniacza do głośników zasilania nie brałem od razu z akumlatora tylko z domowego zasilacza 12V. W końcu poczułem lekki bas z tyłu. Gdy chciałem podłączyć wzmacniacz na stałe i dać zasilanie z akumlatora napotkał mnie problem. Po podłączeniu radio działa tylko żaden z głośników nie gra (nawet 2 z przodu, które nie są podłączone do wzmacniacza). Natomiast gdy znów próbuję podłączyć zasilacza z zasilacza 12V wszystko działa. Co jest nie tak?
Poskładałem ostatnio sobie 25W wzmacniacz. http://www.elportal.pl/pdf/k18/27_14.pdf Jest to jedna z moich pierwszych konstrukcji
