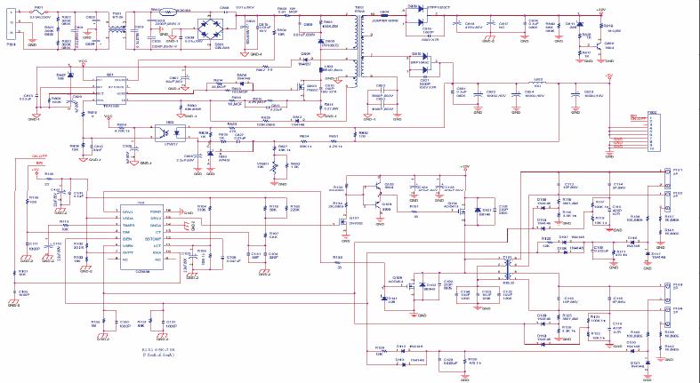
W monitorze LCD wyłącza się podświetlanie po 1s. Napięcia z zasilacza to 24V i 5V. Po załączeniu się świetlówek 24V spada do 21V i gasną świetlówki. Podmieniłem kondensatory elektrolityczne i to samo. Jeśli podlutuję kondensator 47pF/3KV na wyjściach świetlówek to nie gasną. Czy to świadczy o wyczerpaniu się świetłówek i zadziałaniu zabezpieczenia prądowego? Jest na obu wyjściach zrealizowane przez diody do układu. Co o tym sądzicie? Czy można te kondensatory zostawić klientowi aby przez święta monitor działał? Pozdrawiam
Niestety po podłączeniu matrycy monitor działał przez 2h i zaczął się wyłączać, tzn gaśnie podświetlenie, dioda led świeci na zielono. Monitor można włączyć przez naciśnięcie ponownie przycisku Power. Co z nim zrobic? Co moze być przyczyną takiego zachowania? Czy może być to wina świetlówek?
Niestety po podłączeniu matrycy monitor działał przez 2h i zaczął się wyłączać, tzn gaśnie podświetlenie, dioda led świeci na zielono. Monitor można włączyć przez naciśnięcie ponownie przycisku Power. Co z nim zrobic? Co moze być przyczyną takiego zachowania? Czy może być to wina świetlówek?
