logo elektroda
logo elektroda
X
logo elektroda
REKLAMA
REKLAMA
Adblock/uBlockOrigin/AdGuard mogą powodować znikanie niektórych postów z powodu nowej reguły.

fiat palio 1.2 16v zgasły wszyskie kontrolki i nie pali

kosmos2009 25 Gru 2009 20:23 4678 3
REKLAMA
  • #1 7435123
    kosmos2009
    Poziom 1  
    po przekręceniu kluczyka nic się nie zapala ale rozrusznik kręci a samochód nie odpala.może macie jakieś pomysły. bezpieczniki raczej ok. może ktoś wie które kable są odpowiedzialne za to w stacyjce(są dwie kostki jedna ma 3 gniazda i druga chyba 4. a może to coś z przekażnikami. za podpowiedzi z góry dziekuje
  • REKLAMA
  • #2 7435476
    Kaspar-GDN
    Poziom 11  
    sprawdź czy nie jest luźny pasek alternatora, klemy i sam akumulator...masz w nim jakiś system alarmowy?
  • REKLAMA
  • #3 7435566
    romoo
    Użytkownik obserwowany
    Sprawdz przejscia w kostkach obok bezpieczników.
  • #4 7436276
    BRYS_
    Poziom 22  
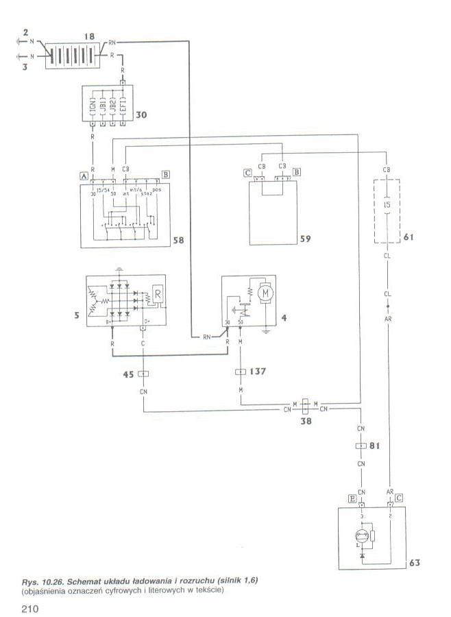
    Schemat rozruchu dla silnika 1,6.Możliwe że w 1,2 jest identyczny:
    fiat palio 1.2 16v zgasły wszyskie kontrolki i nie pali

    fiat palio 1.2 16v zgasły wszyskie kontrolki i nie pali
    fiat palio 1.2 16v zgasły wszyskie kontrolki i nie pali
REKLAMA