logo elektroda
logo elektroda
X
logo elektroda
REKLAMA
REKLAMA
Adblock/uBlockOrigin/AdGuard mogą powodować znikanie niektórych postów z powodu nowej reguły.

Wzmacniacz do 2 małych kolumn! (2 x 50 w) Szukam schematu!

patryq16 28 Gru 2009 22:13 1654 4
REKLAMA
  • #1 7449947
    patryq16
    Poziom 10  
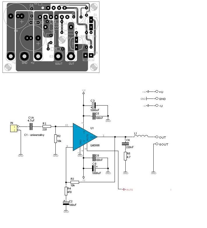
    Witam! Poszukuje schematu wzmacniacza do dwóch kolumn.
    Dane jednej kolumny:
    Moc nominalna: 30W
    Moc maksymalna: 50 W
    Impedancja : 8 ohm
    Zakres częstotliwości : 52 - 20.000 Hz
    Konstrukcja: dwudrożna, bass-reflex
    Skuteczność : 87 dB
    Wzmacniacz o jak najtańszej konstrukcji! Dawce schematu (po zlożeniu go i sprawdzeniu czy działa) nagrodze go przelewem pieniężnym!
    Pozdrawiam
    patryq16
  • REKLAMA
  • REKLAMA
  • #3 7450067
    patryq16
    Poziom 10  
    Dzięki! Ten wzmacniacz jest na 12 volt z tego co doczytałem! Ile kosztuje taki reduktor z 230 na 12 volt? Orientuje się ktoś?
  • REKLAMA
  • #4 7450102
    gruby1
    Poziom 29  
    patryq16 napisał:
    Witam! Poszukuje schematu wzmacniacza do dwóch kolumn.
    Dane jednej kolumny:
    Moc nominalna: 30W
    Moc maksymalna: 50 W
    Impedancja : 8 ohm
    Zakres częstotliwości : 52 - 20.000 Hz
    Konstrukcja: dwudrożna, bass-reflex
    Skuteczność : 87 dB
    Wzmacniacz o jak najtańszej konstrukcji! Dawce schematu (po zlożeniu go i sprawdzeniu czy działa) nagrodze go przelewem pieniężnym!
    Pozdrawiam
    patryq16


    Wstyd kolego, już pomińmy twoje przelewy pieniężne, ale wstyd bo jest tego mnóstwo.
    1 Link
    2 Link
    3 Link
    4 Link
    To tak na szybko, znajdziesz 10 razy więcej w googlach.

    patryq16 napisał:
    Dzięki! Ten wzmacniacz jest na 12 volt z tego co doczytałem! Ile kosztuje taki reduktor z 230 na 12 volt? Orientuje się ktoś?


    Nie reduktor a zasilacz, jest cały dział na elektrodzie o tym i dam sobie wszystkie kończyny obciąć że znajdziesz tam taki "reduktor".
REKLAMA