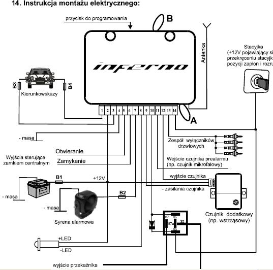
Witam i proszę o pomoc.
Czy posiada ktoś może opis przewodów do Alarmu inferno?
Kostka z kablami jest 12sto pinowa.
kolory kabelków zaczynając od lewej to:
Niebieski,
Czarny,
Zielony z bezpiecznikiem,
Czerwony z Bezpiecznikiem,
Zielony z bezpiecznikiem,
Biały,
Brązowy,
Czarny cięki do diody,
Szary,
Żólto-zielony,
Czarny cięki do przycisku serwisowego
Różowy
Na forum znalazłem tylko schematy i opisy do kostki z 14stoma pinami.
Jeśli ktoś posiada schemat do centrali jaką ja posiadam będę bardzo wdzięczny.
Czy posiada ktoś może opis przewodów do Alarmu inferno?
Kostka z kablami jest 12sto pinowa.
kolory kabelków zaczynając od lewej to:
Niebieski,
Czarny,
Zielony z bezpiecznikiem,
Czerwony z Bezpiecznikiem,
Zielony z bezpiecznikiem,
Biały,
Brązowy,
Czarny cięki do diody,
Szary,
Żólto-zielony,
Czarny cięki do przycisku serwisowego
Różowy
Na forum znalazłem tylko schematy i opisy do kostki z 14stoma pinami.
Jeśli ktoś posiada schemat do centrali jaką ja posiadam będę bardzo wdzięczny.
