Właśnie sobie coś takiego kupiłem za 24zł, i zbadałem jak to jest zrobione.
Co do świecenia: w odległości 2-3m od lampy widać tyle, żeby nie wpaść w ciemności
na jakąś przeszkodę, z 20cm daje się odczytać godzinę na zegarku - nadaje się do
zastosowań raczej ozdobnych, niż oświetleniowych. Nie wiem jeszcze na jak długo
starcza akumulator - jest 1 rozmiaru R6 (AA), nie ma _żadnych_ oznaczeń.
Zastosowana w niej dioda LED daje prawdopodobnie około 5cd, i ma dość mały kąt
świecenia - porządna dioda LED daje 4-5 razy więcej światła przy takim samym prądzie.
Więc chyba sobie zmienię (choć to niewygodne, obudowa diody LED jest zrobiona tak,
że trudno jest ją wymontować). W lampie dostaje raczej znacznie mniej niż 20mA.
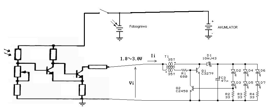
Załączam schemat.
Moim zdaniem, warto tu dodać jakieś zabezpieczenie przed nadmiernym ładowaniem
akumulatora - niestety żadnego nie ma, a to może dość szybko wykończyć akumulator -
wystarczy, że przez dłuższy czas będzie porządne słońce, jeszcze szybciej, jak się ją
wyłączy, i pozostawi na słońcu - wtedy nie będzie się rozładowywać przez noc.
Nie znam parametrów niektórych elementów - dławika, fotoopornika, tranzystorów.
Można by się zastanowić nad wymyśleniem układu bez fotoopornika - fotoogniwo daje
napięcie nawet przy słabym oświetleniu, ale wydajność prądowa jest z grubsza wprost
proporcjonalna do ilości światła - można by pomyśleć o obciążeniu fotoogniwa takim
opornikiem, by zmniejszanie się napięcia wykorzystać do włączania lampy.
I jeszcze o jednym ulepszeniu można by pomyśleć: fotoogniwo, które by zawierało
tylko jeden fotoelement, tak by dawało około 0.5V, i przetwornica podnosząca jego
napięcie na tyle, by ładować akumulator; taka przetwornica musiałaby mieć układ
sterujący zasilany z akumulatora (bo elektronikę, która wystartuje przy zasilaniu 0.5V
zrobić raczej dość trudno), o minimalnym poborze prądu wtedy, gdy go nie ładuje.
UZUPEŁNIENIE: Zmierzyłem trochę parametrów elektrycznych - przy napięciu
zasilania 1.33V (mniej więcej tyle daje naładowany akumulator) pobór prądu przez
układ 15mA, prąd LED-a 3.9mA (średni, pewnie szczytowy 14-15mA); przypuszczam,
że napięcie na LED-zie około 3.5V (mogłem zmierzyć tylko średnie, ale ono jest
po prostu równe napięciu zasilania - oporność dławika jest znikoma), a sprawność
przetwarzania napięcia 68%. I jeszcze fotoogniwo: przy dobrym oświetleniu
(akurat była słoneczna pogoda) daje prąd zwarcia do 65mA (według moich obliczeń
przez cały dzień da 500mAh, jeśli będzie w dobrze nasłonecznionym miejscu),
i napięcie do 4.7V - za dużo, jeśli zostawi się taką lampę na dłuższy czas
w dobrze nasłonecznionym miejscu _wyłączoną_, to akumulator wysiądzie.
Do ładowania pojedyńczego akumulatora NiCd wystarczyłaby połowa tego napięcia -
i tak byłoby trochę za dużo, bo 2.35V minus 0.75 na diodzie to 1.6, a napięcie na
akumulatorze przy ładowaniu nie powinno przekraczać 1.5V - takie rozwiązanie to
marnowanie mocy fotoogniwa. Zastanawiałem się, czy nie dałoby się dać do niej
dwóch akumulatorów połączonych szeregowo (w środku jest miejsce na cztery, tylko
brak blaszek na kontakty, trzeba by dodać), ale wtedy jest taki problem, że LED by
trochę świecił nawet przy "wyłączonej" przez fotoopornik lampie, oraz za duży prąd
LED-a przy normalnym świeceniu - trzeba coś zmienić w układzie, by go zzmniejszyć.
A i tak nie zabezpieczy to przed nadmiernym ładowaniem akumulatorów - na to by
trzeba dać trzy połączone szeregowo, i przetwornicę obniżającą napięcie - albo
źródło prądowe o małym spadku napięcia, bo po co przetwornica z 3.9 na 3.5V?
LED-a też można wymienić na lepszego - można mieć 3x więcej światła.
Aha, jeszcze jedno: jak przez dłuższy czas będzie słoneczna pogoda, to akumulator
może się przeładować i przy włączonej lampie - pobór prądu jest 15mA przez może
12 godzin - 180mAh, ładowanie 500mAh dziennie, więc 2x więcej, niż trzeba.
Wniosek: przerobić układ, by dawał 2x większy prąd na LED-a.
Zmiana: zmniejszyłem schemat w postaci GIF-a tak, by się pokazywał, i dodałem
oryginał (to, co zapisał xcircuit) w postskrypcie (nazywa się solar.ps, ale to jest EPS
- daje się to wklejać do innych PS-ów, łączyć z innymi EPS-ami, lub wydrukować).
Co do świecenia: w odległości 2-3m od lampy widać tyle, żeby nie wpaść w ciemności
na jakąś przeszkodę, z 20cm daje się odczytać godzinę na zegarku - nadaje się do
zastosowań raczej ozdobnych, niż oświetleniowych. Nie wiem jeszcze na jak długo
starcza akumulator - jest 1 rozmiaru R6 (AA), nie ma _żadnych_ oznaczeń.
Zastosowana w niej dioda LED daje prawdopodobnie około 5cd, i ma dość mały kąt
świecenia - porządna dioda LED daje 4-5 razy więcej światła przy takim samym prądzie.
Więc chyba sobie zmienię (choć to niewygodne, obudowa diody LED jest zrobiona tak,
że trudno jest ją wymontować). W lampie dostaje raczej znacznie mniej niż 20mA.
Załączam schemat.
Moim zdaniem, warto tu dodać jakieś zabezpieczenie przed nadmiernym ładowaniem
akumulatora - niestety żadnego nie ma, a to może dość szybko wykończyć akumulator -
wystarczy, że przez dłuższy czas będzie porządne słońce, jeszcze szybciej, jak się ją
wyłączy, i pozostawi na słońcu - wtedy nie będzie się rozładowywać przez noc.
Nie znam parametrów niektórych elementów - dławika, fotoopornika, tranzystorów.
Można by się zastanowić nad wymyśleniem układu bez fotoopornika - fotoogniwo daje
napięcie nawet przy słabym oświetleniu, ale wydajność prądowa jest z grubsza wprost
proporcjonalna do ilości światła - można by pomyśleć o obciążeniu fotoogniwa takim
opornikiem, by zmniejszanie się napięcia wykorzystać do włączania lampy.
I jeszcze o jednym ulepszeniu można by pomyśleć: fotoogniwo, które by zawierało
tylko jeden fotoelement, tak by dawało około 0.5V, i przetwornica podnosząca jego
napięcie na tyle, by ładować akumulator; taka przetwornica musiałaby mieć układ
sterujący zasilany z akumulatora (bo elektronikę, która wystartuje przy zasilaniu 0.5V
zrobić raczej dość trudno), o minimalnym poborze prądu wtedy, gdy go nie ładuje.
UZUPEŁNIENIE: Zmierzyłem trochę parametrów elektrycznych - przy napięciu
zasilania 1.33V (mniej więcej tyle daje naładowany akumulator) pobór prądu przez
układ 15mA, prąd LED-a 3.9mA (średni, pewnie szczytowy 14-15mA); przypuszczam,
że napięcie na LED-zie około 3.5V (mogłem zmierzyć tylko średnie, ale ono jest
po prostu równe napięciu zasilania - oporność dławika jest znikoma), a sprawność
przetwarzania napięcia 68%. I jeszcze fotoogniwo: przy dobrym oświetleniu
(akurat była słoneczna pogoda) daje prąd zwarcia do 65mA (według moich obliczeń
przez cały dzień da 500mAh, jeśli będzie w dobrze nasłonecznionym miejscu),
i napięcie do 4.7V - za dużo, jeśli zostawi się taką lampę na dłuższy czas
w dobrze nasłonecznionym miejscu _wyłączoną_, to akumulator wysiądzie.
Do ładowania pojedyńczego akumulatora NiCd wystarczyłaby połowa tego napięcia -
i tak byłoby trochę za dużo, bo 2.35V minus 0.75 na diodzie to 1.6, a napięcie na
akumulatorze przy ładowaniu nie powinno przekraczać 1.5V - takie rozwiązanie to
marnowanie mocy fotoogniwa. Zastanawiałem się, czy nie dałoby się dać do niej
dwóch akumulatorów połączonych szeregowo (w środku jest miejsce na cztery, tylko
brak blaszek na kontakty, trzeba by dodać), ale wtedy jest taki problem, że LED by
trochę świecił nawet przy "wyłączonej" przez fotoopornik lampie, oraz za duży prąd
LED-a przy normalnym świeceniu - trzeba coś zmienić w układzie, by go zzmniejszyć.
A i tak nie zabezpieczy to przed nadmiernym ładowaniem akumulatorów - na to by
trzeba dać trzy połączone szeregowo, i przetwornicę obniżającą napięcie - albo
źródło prądowe o małym spadku napięcia, bo po co przetwornica z 3.9 na 3.5V?
LED-a też można wymienić na lepszego - można mieć 3x więcej światła.
Aha, jeszcze jedno: jak przez dłuższy czas będzie słoneczna pogoda, to akumulator
może się przeładować i przy włączonej lampie - pobór prądu jest 15mA przez może
12 godzin - 180mAh, ładowanie 500mAh dziennie, więc 2x więcej, niż trzeba.
Wniosek: przerobić układ, by dawał 2x większy prąd na LED-a.
Zmiana: zmniejszyłem schemat w postaci GIF-a tak, by się pokazywał, i dodałem
oryginał (to, co zapisał xcircuit) w postskrypcie (nazywa się solar.ps, ale to jest EPS
- daje się to wklejać do innych PS-ów, łączyć z innymi EPS-ami, lub wydrukować).

