logo elektroda
logo elektroda
X
logo elektroda
REKLAMA
REKLAMA
Adblock/uBlockOrigin/AdGuard mogą powodować znikanie niektórych postów z powodu nowej reguły.

Budowa kolumn - jakie przetworniki wybrać?

łuki88 07 Sty 2010 18:28 3879 32
REKLAMA
  • #1 7500063
    łuki88
    Poziom 24  
    Witam.
    Zamierzam zbudować nowe 3-drożne kolumienki, stare już mi się przesłuchały i były skonstruowane do innych celów :) Chcę aby były na przetwornikach tonsila ew. wysokotonówka np. coś z visatona. Chcę aby to grało ładnie, naturalnie i z odpowiednim kopniakiem, a nie dyskotekowo. Niestety słucham wszystkiego z przewagą na house, rap. Głośnik basowy chciałbym średnicy nie mniejszej niż 25cm w BR ze wzgl. na rap, ale musi też podołać szybszym bitom - coś nieutralnego po prostu.
    Zwrotnicę postaram się zrobić samemu. Ogólnie z budową chciałbym się zmieścić w granicach 1000zł.
    A więc co polecacie?
    Pozdr.
  • REKLAMA
  • #2 7500779
    Adamos256
    Poziom 17  
    Ja bym zrobił tak:
    Dorwał bym gościa co ma np.Altusy130 spisałbym jakie to są dokładnie głośniki potem rozmiary kolumn, średnice wlotów. Kupiłbym odpowiednią zwrotnicę płytę, wykładzinę lub laminat do obicia.
  • Pomocny post
    #3 7501914
    Tomq
    Poziom 38  
    Cytat:
    Ja bym zrobił tak:
    Dorwał bym gościa co ma np.Altusy130 spisałbym jakie to są dokładnie głośniki potem rozmiary kolumn, średnice wlotów. Kupiłbym odpowiednią zwrotnicę płytę, wykładzinę lub laminat do obicia.

    ... i w ten sposób skopiowałbym konstrukcje rodem z PRLu która nadaje się do małych pubów, a nie do domowych odsłuchów gdzie stawiamy na jakość.

    Nie wiem dlaczego ludzie myślą, że jak do słuchania muzyki to musi być 3 way z dużym głośnikiem basowym. Ale chcesz, to ok, tu masz propozycje - https://www.elektroda.pl/rtvforum/viewtopic.php?p=7497736&highlight=#7497736
  • #4 7502095
    Adamos256
    Poziom 17  
    polecam tą stronkę http://kolumny.prv.pl/obudowaz.php wpisujesz parametry głośnika i polem wiesz ile litrów ma mieć paka. Proponuje abyś spróbował zrobić kolumnę dwu drożną jest łatwiejsza trochę. Jak ja robiłem swoje kolumny estradowe trój drożne z głośnikami średniej klasy z nisko tonem 38cm wyszedł mi koszt 1500zł bez płyt.
  • REKLAMA
  • Pomocny post
    #5 7503780
    mczeslaw
    Poziom 36  
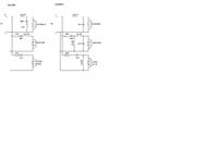
    Jeśli tonsil z dobrym kopem, to proszę bardzo:
    Budowa kolumn - jakie przetworniki wybrać?
    Budowa kolumn - jakie przetworniki wybrać?
    To jak uda Ci sie zdobyć GDN30/80/2, który moim zdaniem mimo niedużego jak na taki głośnik skoku sprawdza sie najlepiej. Można zamiast niego zastosować GDN30/100/11, ale on jest cichszy. Są dwie wersje tańsza i droższa.
    Dziura na BR jest pod 100 milimetrowy port BR z www.polink.com.pl , ale jak masz inny to oczywiście wymiary inne.
    Tam na być BR φ 100mm i 17 cm długości.
  • #6 7504272
    globus1987
    Poziom 29  
    Adamos256 napisał:
    Ja bym zrobił tak:
    Dorwał bym gościa co ma np.Altusy130 spisałbym jakie to są dokładnie głośniki potem rozmiary kolumn, średnice wlotów. Kupiłbym odpowiednią zwrotnicę płytę, wykładzinę lub laminat do obicia.


    Po pierwsze to nie ma czegoś takiego jak Altus 130 po drugie jak kolega nie ma pojęcia o temacie radzę się nie wypowiadać a nie pisać brednie bo nawet jeśli kolega się pomylił i myśli o A140 a w nich jak wiemy głośnik 30/60/1 który jest wręcz tragiczny w przetwarzaniu najniższych tonów to powiem tylko,że w hh sprawdziła by się lepiej od tego nawet arn 150-03/4 lub tonsilowski 13 centymetrowy midwoofer gdn 13/50/9. Oba głośniki zejdą o wiele lepiej i powiem po raz ostatni wielkość nie oznacza jakość zastanów się nad tym grubo.
  • #8 7505091
    łuki88
    Poziom 24  
    Również jestem za stwierdzeniem że wielkość nie oznacza jakość, ale po prostu uważam że im większa średnica (w granicach rozsadku oczywiście) to niższy fs, wiem że xmax też za to odpowiada ale mimo tego...

    Jakoś nie mam przekonania do 2-drożnych konstrukcji, myślę że lepiej jest jak każdy głośnik robi swoją robote. Np. w konstrukcji 3-drożnej średniotonowiec nie jest już zakłócany basem poprzez wychylenia membrany co ma wpływ na przetwarzanie średnich tonów.

    Myślę że wybiorę coś z gotowych konstrukcji... tylko nie wiem czy się pchać w te stxy :/
    Obecnie mam kolumny na 2x Stx Gdn 28-150-sc (stara seria) , Arp + Arv.
    Pomyślę jeszcze nad tym wszystkim, spojrze do działu diy... Odezwę się jeszcze ;)
    Dzięki za pomoc.
  • #9 7506204
    przemo-lukas
    VIP Zasłużony dla elektroda
    A co,jeśli można wiedzieć, nie odpowiada Tobie w poprzednich zestawach?
  • REKLAMA
  • #10 7507423
    łuki88
    Poziom 24  
    W których zestawach?
    Myślę że wybiorę projekt z GDN22-140-8-SCX, GDM14-150-8-SCX, GDWK10-200-PJ ,chyba że może warto zmienić wysokotonówkę na inną?
    Słyszałem dobre opinie o visatonie sc10n.

    Dodano po 16 [minuty]:

    Ten głośniczek też ciekawie wygląda i też z serii X - GDWK-10-200-8-AKX. To jakaś hi-endowa seria stxa? Warto dołożyć i wybrać ten model?
  • #11 7508084
    Tomq
    Poziom 38  
    Obecnie mam u Siebie właśnie te 3 way stx z gdwk 10-250-8 AKX.

    Z tłumieniem 4 dB w torze wysokotonowym grają nawet nieźle. AKX imho gra nieco delikatniej od visatona, ale to sc10n bardziej przypadł mi do gustu. AKX nie jest warty 90 zł, ale pewnie i tak lepszy od PJ (nie miałem, ale naprawdę wiele osób na niego narzeka).

    Jeśli chcesz to zrobić naprawdę porządnie to będziesz musiał przeprowadzić pomiary. Ja zaryzykowałem z AKXem, bo wiedziałem, że jakoś sobie z nim poradzę (kondensatory i cewki nie są znowu takie drogie :D)
  • #13 7512430
    łuki88
    Poziom 24  
    W takim razie wybrałbym te visatony lub jak mczesław poleca vify. Chyba nie musiałbym przerabiać zwrotnicy z w/w projektu ze wzgl. na inna wysokotonówke?
    Pomiary raczej nie wchodzą w gre bo nie mam sprzętu do tego a specjalnie nie chce kupować, ew. na słuch bym kombinował.
  • #15 7521771
    przemo-lukas
    VIP Zasłużony dla elektroda
    przemo-lukas napisał:
    A co,jeśli można wiedzieć, nie odpowiada Tobie w poprzednich zestawach?


    łuki88 napisał:
    W których zestawach?


    łuki88 napisał:
    ...stare już mi się przesłuchały i były skonstruowane do innych celów...
  • #16 7521875
    łuki88
    Poziom 24  
    Odpowiedź masz powyżej.
  • #17 7523198
    przemo-lukas
    VIP Zasłużony dla elektroda
    łuki88 napisał:
    ... stare już mi się przesłuchały i były skonstruowane do innych celów...

    No cóż, nazwijmy to "lakonicznym" opisem.
    Od początku, bo nigdzie nie widzę. Jakie posiadasz pomieszczenie i wzmacniacz do tego?
  • REKLAMA
  • #18 7523917
    łuki88
    Poziom 24  
    Po prostu chcę coś nowego/lepszego i od strony wizualnej i dźwiękowej.
    Pomieszczenie 4x3m wzmacniacz Pioneer A-616.
    Właśnie... kolejny powód do zmiany kolumn to pomieszczenie. Wtedy kiedy konstruowałem aktualne kolumny, miały stać w pokoju 10x4m i planowałem kupić do tego jakiegoś estradowca, ale wszystko się pozmieniało i na dyskotekowe słuchanie muzyki też już nie mam ochoty, jak i warunków.
  • #19 7524194
    przemo-lukas
    VIP Zasłużony dla elektroda
    łuki88 napisał:
    Po prostu chcę coś nowego/lepszego i od strony wizualnej i dźwiękowej.
    Pomieszczenie 4x3m wzmacniacz Pioneer A-616...

    Mój typ:
    http://diyaudio.pl/viewtopic.php?t=17638&start=0
    Ciężko będzie zrobić coś lepszego w tych pieniążkach. :D
  • #21 7525099
    przemo-lukas
    VIP Zasłużony dla elektroda
    Prawdę mówiąc gdybym nawet miał większy budżet to nie pchał bym konstrukcji na głośniku 22cm do takiego pomieszczenia. Sam posiadam 2.5 drogi na 18cm głośnikach w dwa razy większym pomieszczeniu. :idea:
    OSTR nie narzeka.
    :D
  • #22 7525274
    łuki88
    Poziom 24  
    Poczytałem trochę o visatonie i vifie i jednak zdecyduję się na vife dx...
    Kolumienki planuje zrobić na dłuższą przyszłość i być może, że w tym czasie zmienie pokój na większy... Jednak zdecyduję się na 3-way :)

    Jak pomyślę o pierwszej wieży JVC w której kolumienki były 2 way i głośniczek "basowy" miał srednice z 14cm to aż mnie krew zalewa... Straszne podbicie i praktycznie brak zejścia poniżej ok 60Hz. Być może przez to jestem uprzedzony do konstrukcji 2 drożnych z małym niskotonowcem.
    Albo u kumpla zestaw Creativa z "subwooferekiem" na małym głośniczku z którego bas jest tragiczny!
  • #24 7525654
    mczeslaw
    Poziom 36  
    Uwierz mi, jak posłuchał byś zespołu takiego z Vifką DX25 i np. z HDS 164 w 20 litrach na przykład, to radykalnie zmienił byś zdanie co do 2-way. No taka konfiguracja to raczej nie służy do hałasowania, ale do już niemalże audiofilskiego odbioru.
    Te twoje wcześniejsze przykłady to faktycznie profanacja, przykłady których nie ma co porównywać, ani sie nimi sugerować.
  • #25 7526051
    łuki88
    Poziom 24  
    No tak profanacja, ale to akurat jedyny kontakt z 2 way jeśli chodzi o nagłośnienia domowe... A jak się ma taki zestaw co podałeś do tego zestawu, kóry ja chce czyli SCXy i DX ?
  • #26 7526257
    arti13
    Poziom 32  
    Sam posiadam kolumny 2way, Sansui LM-220 i nie narzekam...
  • #27 7526460
    przemo-lukas
    VIP Zasłużony dla elektroda
    łuki88 napisał:
    No tak profanacja, ale to akurat jedyny kontakt z 2 way jeśli chodzi o nagłośnienia domowe... A jak się ma taki zestaw co podałeś do tego zestawu, kóry ja chce czyli SCXy i DX ?

    RLS ma w swojej ofercie taki zestaw:
    http://www.rls.com.pl/Test_Deimos%20II.pdf
  • #28 7526688
    łuki88
    Poziom 24  
    Opinia bardzo dobra... i jaka półka cenowa :!: W artykule doczytałem się kilku spostrzeżeń na temat znikomego basu, a w moim przypadku dostatek basu jest wymagany. Kolumienki audofilskie, ale widocznie jeszcze musze dorosnąć do takich ;)
    Jednak decyduję się na 3 way.
    Teraz pytanko na temat zwrotnicy.. jakie modyfikacje przeprowadzić aby zwrotka była dopasowana do Vify? Po prostu dołożyć rezystor 4Ω?
    Rozumiem, że cięcie ma zostać takie jak w przypadku PJ?
    Dzięki za pomoc.
  • Pomocny post
    #29 7528304
    przemo-lukas
    VIP Zasłużony dla elektroda
    Bez pomiarów nie ryzykował bym. Pamiętaj, że źle zestrojona zwrotnica zepsuje dźwięk najlepszych głośników. Skopiuj dokładnie jeden z projektów.
  • #30 7528439
    łuki88
    Poziom 24  
    No tak pamiętam dlatego pytam. Ok w takim razie zostawiam zwrotnicę. Najwyżej zastosuję tłumik na Vifę jeśli będzie za mocno.
    Za budowę kolumn biorę się od lutego, ponieważ wtedy dopiero będe miał kupca na obecne kolumny. Mam nadzieję, że już niedługo końcowy wynik działań ukaże się w dziale DIY ;)
    A więc dzięki serdeczne za pomoc.
    Pozdrawiam
REKLAMA