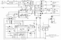
Witam mam pytanko jak przerobić ładowarkę Milwaukee M18 z USA na 220V. Wiem, ze to jest możliwe oraz wiem tez ze są tam 4 kondensatory 200V, ale niema konieczności ich wymiany. Dostałem zdjęcia takiej ładowarki po przeróbce, ale nie jestem pewien co zostało wymienione. Proszę o pomoc wiem, ze został usunięty warystor, zmieniony przewód zasilania, bezpiecznik, i ktoś zrobił mostek rezystorów, ale po tylko takiej przeróbce ładowarka pali bezpiecznik już po 2 sekundach. Jaka jeszcze modyfikacja jest potrzebna by dokończyć taka przeróbkę. Wszystko porównałem do ładowarki na 110V i nie widzę czy coś było wymienione...

