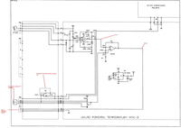
Witam, bardzo bym prosił o pomoc w naprawie termometru cyfrowego. W załączniku przesyłam schemat wraz z moim opisem w kolorze czerwonym. Problem mój polega na tym, iż na wyjściu z wzmacniacza operacyjnego nie jest to co powinno być. Cały termometr ma sterować falownikiem, który to z kolei ma sterować wentylatorem nadmuchu do pieca w suszarni zbożowej. Zakres napięcia na wyjściu z układu LM358 powinien zawierać się w przedziale 0...5V przy czym, 0V przy temperaturze nastawionej potencjometrem nastawy progu"k", natomiast napięcie powinno rosnąć do 5V wraz ze spadkiem temperatury. To co ja mam odbiega całkowicie od normy tzn. załóżmy, że potencjometrem nastawy progu "k" ustawię temperaturę 100 stopni to przed przekroczeniem 100 stopni na wyjściu mam 3,6V natomiast po przekroczeniu 100 stopni 4,7V w odwrotnej polaryzacji. Poza tym reszta pracuje poprawnie. Próbowałem w miejsce Uwe podać oddzielnie napięcie z zakresu 0...5V i dalej jest to samo. Wszystkie elementy sprawdziłem, układy scalone wymieniłem na nowe. Czy jest jakaś możliwość aby ten układ działał poprawnie?? Z góry dziękuję za pomoc i pozdrawiam, wlazmen
