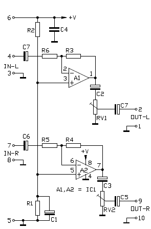
Posiadam radio VDO, które niestety nie posiada wyjścia na wzmacniacz. Jako, że samochód, w którym gra radio to już youngtimer, nie zamierzam kupować innego radia, które gryzłoby się z designem deski rozdzielczej z lat 80. Mimo wszystko chciałbym rozbudować system audio, dodać zewnętrzny wzmacniacz. Tutaj moje pytanie, czy istniej możliwość wyprowadzenia sygnału? (wiem, że są dotępne różne konwertery sygnału, co o tym myślicie, jak z ich jakością?) Z góry dziękuję za odpowiedź, pozdrawiam!




