logo elektroda
logo elektroda
X
logo elektroda
REKLAMA
REKLAMA
Adblock/uBlockOrigin/AdGuard mogą powodować znikanie niektórych postów z powodu nowej reguły.

Wyświetlacz - problem

robertfus 15 Lip 2004 14:00 2349 18
REKLAMA
  • #1 744121
    robertfus
    Poziom 13  
    Witam
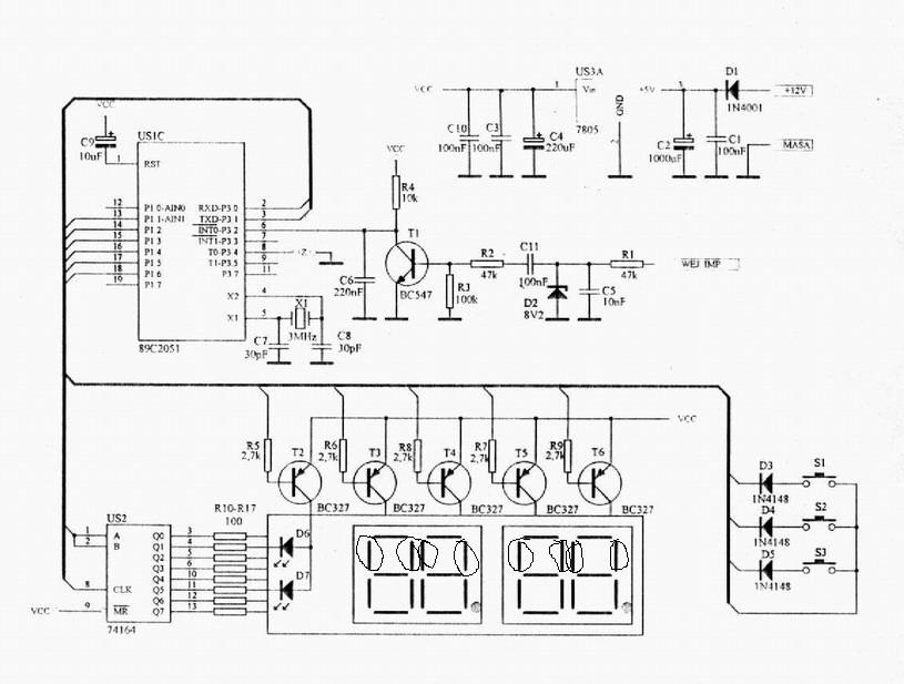
    Banalne pytanie ale nie mogę sobie poradzić. Jest to obrotomierz cyfrowy z zegarem na układzie AT89C2051. Problem jest w braku wyświetlania górnych pionowych lini na wyświetlaczu. Czy może to być wina mikrorocesora czy ewentualnie rejestru 74164? Zamieszczam poniżej schemacik i proszę o pomoc dla początkującego.
  • REKLAMA
  • #2 744139
    piotrus
    Poziom 15  
    Hej

    na twoim miejscu wyminiłbym 74164
    jeśli wtedy będzie zle to padł mikroprocesor


    pozdrawiam piotrus
  • REKLAMA
  • #3 745122
    robertfus
    Poziom 13  
    dzieki ale
    wymieniłem 74164 i nadal bez zmian. czy można w jakiś sposób sprawdzić czy to mikroprocesor? wszystkie połączenia są prawidłowe.
  • #4 746050
    piotrus
    Poziom 15  
    Hej
    sprawdzałeś czy tranzystory BC327 są wysterowywane przez mikroprocesor??? na złączy baza-emiter musi być conajmniej 0,7V

    mikroprocesor sam jest ciężko sprawdzić ponieważ musisz go zaprogramować?

    a to że nieświecą tylko te segmenty to może być też wina "zimnego lutu" w układzie.

    w ostateczności musisz kupić nowy mikroprocesorek
    pozdrawiam piotrus
  • #5 749369
    robertfus
    Poziom 13  
    piotrus tranzystory wysterowane 0,87v
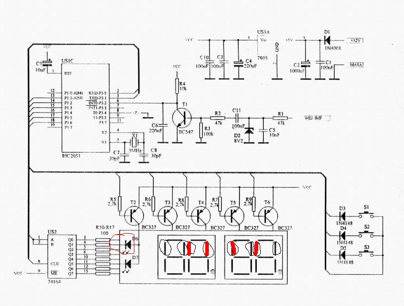
    na rysunku zaznzczyłem dokładnie linie wyświetlacza niepodświetlone
    zgodnie z opisem zegar powinien po 2 minutach wygasnąć i D6 I D7 na przemian powinny świecić jednak na D6 brak efektu
    połączenia są sprawdzone
    moze coś pominołem
    pomocy
  • REKLAMA
  • #6 749394
    KKK
    Poziom 31  
    Jeśli układy masz na podstawkach to żaden problem.
    Wyjmij obydwa, zewrzyj Q0-Q7 do GND, port procesora do VCC, włącz zasilanie i jeśli coś nie świeci to mierniczek do łapki.
  • #7 749418
    jacur
    Poziom 32  
    moze to byc spowodowane przerwa na druku albo zwarciem ja bym przedzwonil miernikiem scierzki które niedzialaja
    powodzenia
  • #8 754758
    robertfus
    Poziom 13  
    kkk podłączyłem Q0-Q7 do GND,port ( 13-18) do VCC i nic
    może jakaś wskazówka po już padam
  • #9 754813
    yego666
    Poziom 33  
    zewrzyj wszystkie wyjscia (Q0 do Q7 ) ukladu 164 do masy a potem po kolei przywieraj wyjscia procesora P1-1 az do P1-6 do masy. W ten sposob sprawdzisz kazdy wyswietlacz osobno, a takze diody D6 i D7.
    Napisz , ktore segmenty na ktorej pozycji wyswietlacza swiecily a ktore nie swiecily w tym experymencie. Zauwaz, ze diody swiecace D6 i D7 sa podlaczone wlasnie do linii tych segmentow, ktore nie swieca. Moze sa one nieprawidlowo sterowane z procka, ktory na przyklad nieprawidlowo zalacza tranzystor T2. Jesli diody D6 i D7 maja nizsze napiecie przewodzenia, to beda podczas swojego swiecenia zabieraly caly prad segmentom "b" i "f" wyswietlacza. Sprawdz T2 i jego sterowanie.
    Procesora raczej bym nie posadzal o uszkodzenie z tego powodu iz dynamicznie podsyla segmenty do ukladu 164. Musialby byc skopany program a nie procek by uzyskac taki efekt.
  • #10 754937
    KKK
    Poziom 31  
    Cytat:
    port ( 13-1 do VCC
    :?:
    :oops: Oczywiście mój błąd :oops:
    Nie Do VCC a do GND P1.1-6 a konkretnie te linie do których dołączone są rezystory R5-9.
    Szukaj przerwy na linii Qx-R1x-wyświetlacz. Może 2 z tych rezystorów są inne?

    Cytat:
    zewrzyj wszystkie wyjscia (Q0 do Q7 ) ukladu 164 do masy a potem po kolei przywieraj wyjscia procesora P1-1 az do P1-6 do masy.

    Sugerowałbym raczej odwrotnie, tzn wszyskie P1.x a kolejno Qx, od razu widać gdzie jest błąd.

    Jeśli uszkodzone byłyby tranzystory (lub ich sterowanie) nie świeciłyby obie diody lub całe cyfry.

    Cytat:
    Jesli diody D6 i D7 maja nizsze napiecie przewodzenia, to beda podczas swojego swiecenia zabieraly caly prad segmentom "b" i "f" wyswietlacza

    Tylko gdyby były podłączone równolegle z segmentami a są multipleksowane.
  • #11 756538
    robertfus
    Poziom 13  
    no mam juz pierwsze efekty pomocy kolegów
    było zwarcie 13 układu 74164 do vcc na płytce, no i teraz diody działają
    kkk sprawdziłem wszystkie linie wyświetlacza i nadal brak efektu na 3 pionowych segmentach tak jak na wcześniejszym schemacie
    gdzie mogę mieć defekt,czy to mogą być padnięte wyświetlacze?
  • #12 756615
    KKK
    Poziom 31  
    Cytat:
    nadal brak efektu na 3 pionowych segmentach tak jak na wcześniejszym schemacie

    A konkretnie na których? (na wcześniejszym rysunku widzę zaznaczone wszystkie osiem)
    Jaki to typ wyświetlaczy? (symbole na obudowie)
    Możesz sprawdzić wyświetlacz miernikiem cyfrowym na zakresie "test diody" - najpierw sprawdź dowolną diodę LED (najlepiej w tym samym kolorze co wyświetlacz), obserwuj diodę a nie wskazania miernika a dalej już sobie poradzisz. (czerwony do anody, czarny kolejno do każdej z katod).
    Wszystkie segmenty połączone są w ten sposób:
    Qx-R1x-(a)1-(a)2-(a)3-(a)4 (+ ew. D6/7)
    (a) to odpowiedni segment wyświetlacza
    Jeśli są to 2 wyświetlacze 2-cyfrowe połączenia (a)1-(a)2 oraz (a)3-(a)4 mogą być zrealizowane w wyświetlaczu czyli w ten sposób:
    Qx-R1x-(a)1+2-(a)3+4 (+ ew. D6/7)

    Trochę to zagmatwanie wygląda ale nie wiem jak to prościej opisać.
    Przydałyby się na schemacie n-ry wyprowadzeń wyświetlacza.
  • #13 756642
    robertfus
    Poziom 13  
    załączam schemat z zzaznaczonymi segmentami na niebiesko
    wyświetlacze TOD-5263BH podwójne
    próbuję sprawdzać tak jak napisałeś kkk
  • #15 757084
    robertfus
    Poziom 13  
    kkk
    z tego co widzę to odpowiedzialny jest za to zwarcie gdzieś na płytce wyświetlaczy?
    prześledze według podanego przez ciebie schematu wszystkie połączenia na tej płytce
  • REKLAMA
  • #16 758092
    robertfus
    Poziom 13  
    sprawdzając miernikiem diody na wyświetlaczu nie świecą sie trzy segmenty B ( sprawdzam na poł 14-15 i 13-10) czy to świadczy że uszkodziłem wyświetlacze?
    pomocy![/url]
  • #17 758422
    KKK
    Poziom 31  
    Jeśli sprawdziłeś wszystkie diody w wyświetlaczach (czyli metoda jest dobra) a tylko te trzy nie świecą to oznacza niestety że wyświetlacze są uszkodzone.
  • #18 764173
    robertfus
    Poziom 13  
    Wymieniłem i jest ok!
    ale jeszcze jedno gdy zegar przechodzi po dwóch minutach w stan spoczynku to diody D6 (zielona) i D7(czerwona) zaświecają sie na przemian co sekundę ale dioda czerwona świeci słabiej i lekko w tym czasie też świeci zielona. Dioda zielona w swoim cyklu świeci odpowiednio.
    W czym może być problem?
  • #19 764223
    KKK
    Poziom 31  
    Wyjść jest kilka:
    -zastosować obie diody w jednym kolorze
    -próbować dobierać diody o innej jasności
    -rezystor szeregowo z diodą zmniejszy jej jasność

    To, że podświetlana jest druga dioda to raczej niedopracowany algorytm a do tego raczej nie masz dostępu, pozostaje się do tego przyzwyczaić, dla pewności jeszcze dokładnie obejrzeć płytkę ewentualnie podmienić 164 ale szanse już niewielkie.
REKLAMA