logo elektroda
logo elektroda
X
logo elektroda
REKLAMA
REKLAMA
Adblock/uBlockOrigin/AdGuard mogą powodować znikanie niektórych postów z powodu nowej reguły.

Atmega16 - zablokowany czy nie bo nie wiem o co chodzi

shadowman83 11 Sty 2010 01:39 1899 2
REKLAMA
  • #1 7517970
    shadowman83
    Poziom 11  
    Witam dopiero zaczynam zabawę w tej dziedzinie dlatego proszę o wyrozumiałość.

    Zakupiłem sobie płytkę uruchomieniową Link na Gotronik.pl

    Napisałem sobie program, który wgrywałem za pomocą programu MegaLoad.NET przez kabel USB Wszystko świetni chodziło jakieś 3 tyg.

    Kiedy znowu chciałem zaprogramować procka wyskoczył błąd, MegaLoad nie może go zaprogramować. Na szybko zbudowałem AVR ISP Prog 200/300 i próbowałem zaprogramować za pomocą programu ISP Programmer niestety też nie mógł go zaprogramować. Jedyne co mi się udało to odczytać Flash i EEPROM, potem dałem
    przycisk Erase (Wyczyść) i wykasował wszystko z procka wraz z Bootloaderem, który był wymagany do komunikacji z prog. MegaLoad.NET

    Efekt jest taki że teraz MegaLoad.NET nie reaguje na procka

    Nie rozumiem co się stało czy się zablokował? ale jeśli by się zablokował to wydaje mi się że raczej nie mógł bym ani go odczytać ani wyczyścić

    Z góry dziękuję za Pomoc - Pozdrawiam
  • REKLAMA
  • #2 7521603
    Matejkos
    Poziom 20  
    w jaki sposób ma reagować skoro wyczyściłeś bootloadera ?
    Sądzę że atmega dalej żyje wgraj na nowo bootloadera i wszystko powinno być ok. możliwe że ostatni raz nadpisałeś przypadkowo pamięć programu bootloadera i dlatego przestał reagować. Nie wiem ja cały czas używam isp.
    Pozdrawiam Matejkos
  • #3 7527703
    shadowman83
    Poziom 11  
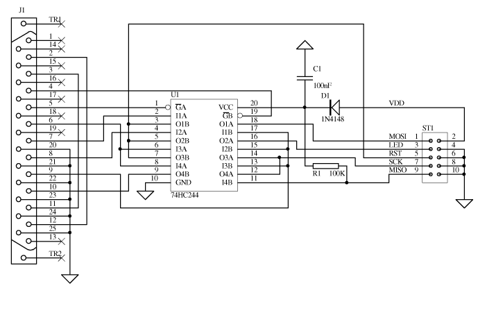
    Już wiem dlaczego nie da się go programować ponieważ programator ISP własnoróbka nie działa przynajmniej nie reaguje jak go sprawdzam programem ispTest

    programator wykonałem według schematu:
    Atmega16 - zablokowany czy nie bo nie wiem o co chodzi

    Muszę nad tym popracować
REKLAMA