logo elektroda
logo elektroda
X
logo elektroda
REKLAMA
REKLAMA
Adblock/uBlockOrigin/AdGuard mogą powodować znikanie niektórych postów z powodu nowej reguły.

Szybka konstrukcja jaki scalak ??

pooolaa89 11 Sty 2010 19:49 993 4
REKLAMA
  • #1 7520944
    pooolaa89
    Poziom 9  
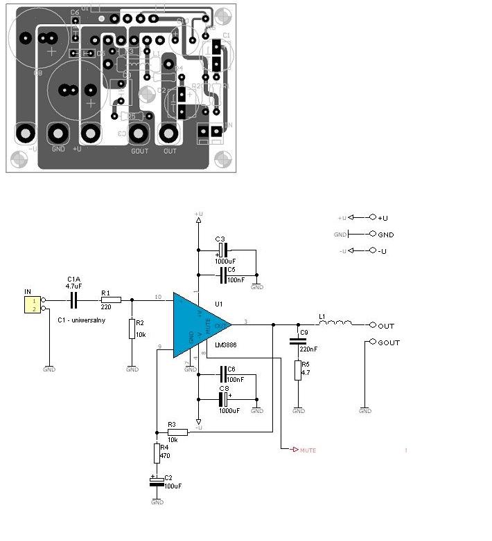
    Jaki moglibyście doradzić scalak o mocy min 30W-∞W 8 Ω z 1 V na wejściu i +-40V zasilania ?? Konstrukcja prosta tania i szybka do wykonania pod moniotory.
  • REKLAMA
  • Pomocny post
    #2 7521186
    goraj krzysztof
    Poziom 31  
    TDA7293 TDA7294, LM 3886
  • REKLAMA
  • REKLAMA
  • #5 7548074
    pawelob
    Poziom 14  
    Ja też Ci polecam lm3886, gra całkiem dobrze, zasilanie takie jak napisałeś lub nieco niższe. Jeśli dobrze pamiętam dla lm3886 nie wolno przekroczyć 84V pomiędzy -Vee a + Vcc, czyli max +-42V.

    Pozdrawiam
REKLAMA