logo elektroda
logo elektroda
X
logo elektroda
REKLAMA
REKLAMA
Adblock/uBlockOrigin/AdGuard mogą powodować znikanie niektórych postów z powodu nowej reguły.

[ATmega8] [karta SD 1GB] [LCD 2x16]odczyt tekstu

sim_007 12 Sty 2010 17:17 6663 9
REKLAMA
  • #1 7525033
    sim_007
    Poziom 11  
    Zastanawiam się czy idzie odczytać tekst z takiej karty za pomocą ATmegi8 i wyświetlać go na wyświetlaczu alfanumerycznym np.: 2x16 (taki akurat mam)
    Jeśli idzie to w jakim formacie musiałyby być pliki.
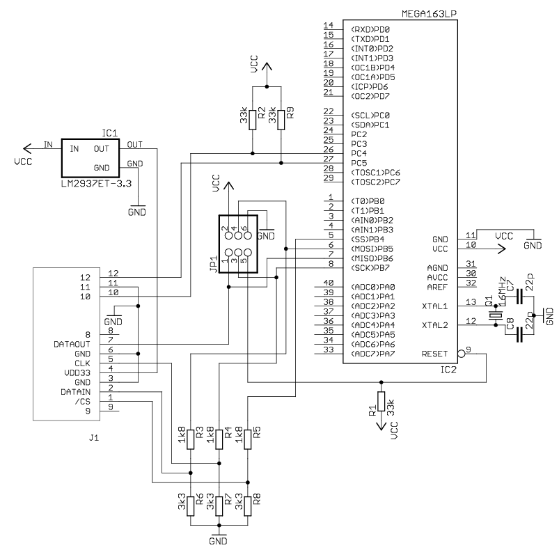
    Znalazłem taki schemat w internecie:

    [ATmega8] [karta SD 1GB] [LCD 2x16]odczyt tekstu

    Zastanawiam się nad programem i... czy to w ogóle zadziała.


    Pozdrawiam
    sim_007
  • REKLAMA
  • #2 7525699
    markosik20
    Poziom 33  
    sim_007 napisał:
    ... czy to w ogóle zadziała.


    Zadziała :wink:.
    Pliki mogą być w formacie .txt, w sumie .doc na upartego też przeczyta.
  • Pomocny post
    #3 7531630
    chrupex
    Poziom 11  
    Obsluge karty sd na atmedze 8 da sie zrobic bez problemu, bo sam nawet robilem.
    Jedyne co mnie zastanawia to ten schemat, ktory znalazles w internecie. Po pierwsze atmega163L, ma max. predkosc taktowania 4MHz, dlatego nie rozumiem dlaczego autor tego schematu daje kwarc 16MHz. Nie spodziewałbym sie dobrych efektow pracy po takim czyms. Po drugie. Bezsensownym rozwiazaniem jest zasilanie atmegi surowym napieciem i stosowanie do karty SD dzielnika napiecia na rezystorach, skoro ta atmega pracuje na napieciu od 2.7V do 5V.
    Na Twoim miejscu wywalibym ten schemat do kosza, bo cos mi sie trefny wydaje.

    Jakbys byl chetny to w zalaczniku zamieszczam schemat mojego projektu do odczytywania danych z gps i zapisu ich na karte SD. Układ działa poprawnie, tylko zamiast układu stabilizujacego napiecie, kup sobie stabilizator scalony na 3.3V i drugi na 5V do zasilania wyswietlacza. No i oczywiscie musisz miec Atmege8L, zeby dzialala na nizszym napieciu.

    Pozdrawiam!
  • REKLAMA
  • #4 7533016
    Cubaza
    Poziom 14  
    Cytat:
    Jedyne co mnie zastanawia to ten schemat, ktory znalazles w internecie. Po pierwsze atmega163L, ma max. predkosc taktowania 4MHz, dlatego nie rozumiem dlaczego autor tego schematu daje kwarc 16MHz.

    Autor tego schematu pewnie miał w bibliotece elementów akurat ATmege163L a nie "zwykłą" i dlatego ją wstawił.

    Co do zasilania to pewnie jest to spowodowane tym samym, czyli innym elementem na schemacie a innym w rzeczywistości.
  • REKLAMA
  • #5 7534607
    sim_007
    Poziom 11  
    A co z programem do takiego urządzenia?
    Tylko nie w C bo z C nic niekminie, tylko w BASCOM'ie.

    chrupex - Dzięki... Przyda się

    Jeśli by pomógłby w pisaniu prog. byłbym wdzięczny.

    Właściwie to ma tam być jeszcze zegarek i termometr...

    Pozdrawiam
    sim_007
  • #6 7534743
    chrupex
    Poziom 11  
    Witam!
    sim_007 powiem Ci tak... mogę Ci pomóc w pisaniu programu, tylko nie moze to być Bascom :) Mialem z nim na poczatku stycznosc i powiem Ci, ze kiedy poznałem c/c++ stwierdzilem, ze mam duzo wiecej mozliwosci.
    Na prawde radze Ci najpierw poznać C++. Jeden dzien czytania i jestes juz w temacie. Polecam szczegolnie stronke Kurs C++. Wlasnie na tym kursie ja sie nauczylem pisac w c. Jesli nie jest to Twoj pierwszy projekt to mysle, ze mozesz bez problemu zaczac od kursu 2.

    Co do dalszej czesci projektu, to mysle, ze nie powinno byc wiekszych problemow, szczegolnie jesli zrobisz reszte na 2Wire. Np. Tu masz jeden z wielu zegarów razem z kalendarzem itp., a Tu masz przykładowy termometr cyfrowy. Ewentualnie, jeśli masz problemy z 2Wire to mozna zegar na SPI kupic, a termometr analogowy i dac go na ADC w atmedze... Rozwiazan jest duzo :)

    Pozdrawiam!
  • #7 7536184
    sim_007
    Poziom 11  
    Nie...
    Wiesz co... wolałbym jednak pozostac przy BASCOM'ie i nie zagłębiać się w C, może później. Niedawno zacząłem i jestem w trakcie budowy USBasp :arrow: czekam na części od lispola.

    Jeśli jednak ktoś pomoże w BASCOM'ie to jestem chętny.
    P.S.: Jutro dam schemat całości.




    Pozdrawiam
    sim_007

    Dodano po 7 [minuty]:


    Lista elementów
    1. Zegar czasu rzeczywistego: PCF8563
    2. Termometr: DS18B20
    3. UC: ATmega8
    4. Karta pamięci: SD 1GB
    5. Wyświetlacz LCD: alfanumeryczny - 2x16
  • #8 7536631
    chrupex
    Poziom 11  
    Na Twoim miejscu układ bym zrobił na atmedze8L, ponieważ wszystkie inne elementy poza wyświetlaczem działają na 3.3V. Co do wyswietlacza to on tez dziala poprawnie gdy Vcc = 5V, a sygnał na wejscu ma z przedzialu 0-3.3V, aczkolwiek dla swietego spokoju mozesz zastosowac bufory 3-stanowe, np. 74AHC125T

    Pozdrawiam!
  • #9 7541455
    sim_007
    Poziom 11  
    chrupex:

    Który pin z którym na karcie połączyć? Nie mogę znależć opisu pinów kart SD.
  • REKLAMA
  • Pomocny post
    #10 7541923
    chrupex
    Poziom 11  
    Witam!
    Pin 1 karty (CS) podlaczasz do wybranego pinu w atmedze (lepiej unikac pinu SS), pin 2 do MOSI, pin 3 - masa, pin 4 - zasilanie, pin 5 - SCK, pin 6 - masa, pin 7 - MISO.

    Tutaj masz ladnie wszystko pokazane
    [ATmega8] [karta SD 1GB] [LCD 2x16]odczyt tekstu [ATmega8] [karta SD 1GB] [LCD 2x16]odczyt tekstu

    A Tu masz calego datasheeta karty sd

    Pozdrawiam!
REKLAMA